Цена по запросу
Заказать
Наши менеджеры обязательно свяжутся с вами и уточнят условия заказа
Заглушки ОСТ 34-10-428-90 используются для полной герметизации концевых соединений и перекрытия отдельных участков трубопровода.
Местом монтажа фланцевой заглушки данного вида является концевое отверстие трубопровода.
Область применения заглушек фланцевых ОСТ 34-10-428-90:
- на предприятия химической отрасли;
- в нефте-газовой отраслях промышленности;
- в технологических водопроводах, газопроводах и нефтепроводах магистрального значения.
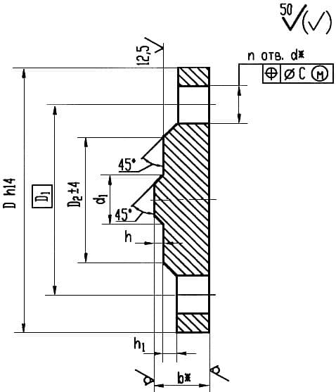
Чертеж заглушки с соединительным выступом фланцевой ОСТ 34-10-428-90

Наименование, ОСТ, Исполнение: |
Dу |
Di |
D2 |
d |
di |
n |
Масса, кг |
Ру 0,25 МПа (2,5 кгс/см2) |
|||||||
| Заглушка ОСТ 34-10-428-90 исп.1 | 10 | 50 | 35 | 12 | 6 | 4 | 0,2 |
| Заглушка ОСТ 34-10-428-90 исп.2 | 15 | 55 | 40 | 12 | 10 | 4 | 0,24 |
| Заглушка ОСТ 34-10-428-90 исп.3 | 20 | 65 | 50 | 12 | 16 | 4 | 0,31 |
| Заглушка ОСТ 34-10-428-90 исп.4 | 25 | 75 | 60 | 12 | 22 | 4 | 0,4 |
| Заглушка ОСТ 34-10-428-90 исп.5 | 32 | 90 | 70 | 14 | 28 | 4 | 0,57 |
| Заглушка ОСТ 34-10-428-90 исп.6 | 50 | 110 | 90 | 14 | 46 | 4 | 0.99 |
| Заглушка ОСТ 34-10-428-90 исп.7 | 65 | 130 | 110 | 14 | 60 | 4 | 1,24 |
| Заглушка ОСТ 34-10-428-90 исп.8 | 80 | 150 | 128 | 18 | 76 | 4 | 1,79 |
| Заглушка ОСТ 34-10-428-90 исп.9 | 100 | 170 | 148 | 18 | 94 | 4 | 2,26 |
| Заглушка ОСТ 34-10-428-90 исп.10 | 125 | 200 | 178 | 18 | 118 | 8 | 3,67 |
| Заглушка ОСТ 34-10-428-90 исп.11 | 150 | 225 | 202 | 18 | 142 | 8 | 4,61 |
| Заглушка ОСТ 34-10-428-90 исп.12 | 200 | 280 | 258 | 18 | 196 | 8 | 7,07 |
| Заглушка ОСТ 34-10-428-90 исп.13 | 250 | 335 | 312 | 18 | 244 | 12 | 9,93 |
| Заглушка ОСТ 34-10-428-90 исп.14 | 300 | 395 | 365 | 23 | 294 | 12 | 15,03 |
| Заглушка ОСТ 34-10-428-90 исп.15 | 350 | 445 | 415 | 23 | 344 | 12 | 19,14 |
| Заглушка ОСТ 34-10-428-90 исп.16 | 400 | 495 | 465 | 23 | 390 | 16 | 27,02 |
| Заглушка ОСТ 34-10-428-90 исп.17 | 500 | 600 | 570 | 23 | 490 | 16 | 44,72 |
| Заглушка ОСТ 34-10-428-90 исп.18 | 600 | 705 | 670 | 27 | 590 | 20 | 76,14 |
| Заглушка ОСТ 34-10-428-90 исп.19 | 700 | 810 | 775 | 27 | 680 | 24 | 105,92 |
| Заглушка ОСТ 34-10-428-90 исп.20 | 800 | 920 | 880 | 30 | 780 | 24 | 159,75 |
| Заглушка ОСТ 34-10-428-90 исп.21 | 900 | 1020 | 980 | 30 | 880 | 24 | 210,37 |
| Заглушка ОСТ 34-10-428-90 исп.22 | 1000 | 1120 | 1080 | 30 | 980 | 28 | 270,78 |
| Заглушка ОСТ 34-10-428-90 исп.23 | 1200 | 1320 | 1280 | 30 | 1180 | 32 | 396,67 |
Ру 0,6 МПа (6 кгс/см2) |
|||||||
| Заглушка ОСТ 34-10-428-90 исп.24 | 10 | 50 | 35 | 12 | 6 | 4 | 0,26 |
| Заглушка ОСТ 34-10-428-90 исп.25 | 15 | 55 | 40 | 12 | 10 | 4 | 0,31 |
| Заглушка ОСТ 34-10-428-90 исп.26 | 20 | 65 | 50 | 12 | 16 | 4 | 0,4 |
| Заглушка ОСТ 34-10-428-90 исп.27 | 25 | 75 | 60 | 12 | 22 | 4 | 0,51 |
| Заглушка ОСТ 34-10-428-90 исп.28 | 32 | 90 | 70 | 14 | 28 | 4 | 0,74 |
| Заглушка ОСТ 34-10-428-90 исп.29 | 50 | 110 | 90 | 14 | 46 | 4 | 1,22 |
| Заглушка ОСТ 34-10-428-90 исп.30 | 65 | 130 | 110 | 14 | 60 | 4 | 1,55 |
| Заглушка ОСТ 34-10-428-90 исп.31 | 80 | 150 | 128 | 18 | 76 | 4 | 2,19 |
| Заглушка ОСТ 34-10-428-90 исп.32 | 100 | 170 | 148 | 18 | 94 | 4 | 2,77 |
| Заглушка ОСТ 34-10-428-90 исп.33 | 125 | 200 | 178 | 18 | 118 | 8 | 4,33 |
| Заглушка ОСТ 34-10-428-90 исп.34 | 150 | 225 | 202 | 18 | 142 | 8 | 5,41 |
| Заглушка ОСТ 34-10-428-90 исп.35 | 200 | 280 | 258 | 18 | 196 | 8 | 8,27 |
| Заглушка ОСТ 34-10-428-90 исп.36 | 250 | 335 | 312 | 18 | 244 | 12 | 11,58 |
| Заглушка ОСТ 34-10-428-90 исп.37 | 300 | 395 | 365 | 23 | 294 | 12 | 17,29 |
| Заглушка ОСТ 34-10-428-90 исп.38 | 350 | 445 | 415 | 23 | 344 | 12 | 24,98 |
| Заглушка ОСТ 34-10-428-90 исп.39 | 400 | 495 | 465 | 23 | 390 | 16 | 34 |
| Заглушка ОСТ 34-10-428-90 исп.40 | 500 | 600 | 570 | 23 | 490 | 16 | 59,73 |
| Заглушка ОСТ 34-10-428-90 исп.41 | 600 | 705 | 670 | 27 | 590 | 20 | 94,79 |
| Заглушка ОСТ 34-10-428-90 исп.42 | 700 | 810 | 775 | 27 | 680 | 24 | 150,93 |
| Заглушка ОСТ 34-10-428-90 исп.43 | 800 | 920 | 880 | 30 | 780 | 24 | 217,98 |
| Заглушка ОСТ 34-10-428-90 исп.44 | 900 | 1020 | 980 | 30 | 880 | 24 | 300 |
| Заглушка ОСТ 34-10-428-90 исп.45 | 1000 | 1120 | 1080 | 30 | 980 | 28 | 387,42 |
| Заглушка ОСТ 34-10-428-90 исп.46 | 1200 | 1340 | 1295 | 33 | 1180 | 32 | 687,91 |
Ру 1,0 МПа (10 кгс/см2) |
|||||||
| Заглушка ОСТ 34-10-428-90 исп.47 | 10 | 60 | 40 | 14 | 6 | 4 | 0,38 |
| Заглушка ОСТ 34-10-428-90 исп.48 | 15 | 65 | 45 | 14 | 10 | 4 | 0,43 |
| Заглушка ОСТ 34-10-428-90 исп.49 | 20 | 75 | 58 | 14 | 16 | 4 | 0,55 |
| Заглушка ОСТ 34-10-428-90 исп.50 | 25 | 85 | 68 | 14 | 22 | 4 | 0,67 |
| Заглушка ОСТ 34-10-428-90 исп.51 | 32 | 100 | 78 | 18 | 28 | 4 | 0,92 |
| Заглушка ОСТ 34-10-428-90 исп.52 | 50 | 125 | 102 | 18 | 46 | 4 | 1,56 |
| Заглушка ОСТ 34-10-428-90 исп.53 | 65 | 145 | 122 | 18 | 60 | 4 | 2,05 |
| Заглушка ОСТ 34-10-428-90 исп.54 | 80 | 160 | 138 | 18 | 76 | 4 | 2,46 |
| Заглушка ОСТ 34-10-428-90 исп.55 | 100 | 180 | 158 | 18 | 94 | 8 | 2,99 |
| Заглушка ОСТ 34-10-428-90 исп.56 | 125 | 210 | 188 | 18 | 118 | 8 | 4,72 |
| Заглушка ОСТ 34-10-428-90 исп.57 | 150 | 240 | 212 | 23 | 142 | 8 | 6,11 |
| Заглушка ОСТ 34-10-428-90 исп.58 | 200 | 295 | 268 | 23 | 196 | 8 | 10,53 |
| Заглушка ОСТ 34-10-428-90 исп.59 | 250 | 350 | 320 | 23 | 244 | 12 | 16,23 |
| Заглушка ОСТ 34-10-428-90 исп.60 | 300 | 400 | 370 | 23 | 294 | 12 | 25,98 |
| Заглушка ОСТ 34-10-428-90 исп.61 | 350 | 460 | 430 | 23 | 344 | 16 | 35,22 |
| Заглушка ОСТ 34-10-428-90 исп.62 | 400 | 515 | 482 | 27 | 390 | 16 | 52,58 |
| Заглушка ОСТ 34-10-428-90 исп.63 | 500 | 620 | 585 | 27 | 490 | 20 | 91,39 |
| Заглушка ОСТ 34-10-428-90 исп.64 | 600 | 725 | 685 | 30 | 590 | 20 | 142,54 |
| Заглушка ОСТ 34-10-428-90 исп.65 | 700 | 840 | 800 | 30 | 680 | 24 | 228,7 |
| Заглушка ОСТ 34-10-428-90 исп.66 | 800 | 950 | 905 | 33 | 780 | 24 | 306,49 |
| Заглушка ОСТ 34-10-428-90 исп.67 | 900 | 1050 | 1005 | 33 | 880 | 28 | 432,4 |
| Заглушка ОСТ 34-10-428-90 исп.68 | 1000 | 1160 | 1110 | 33 | 980 | 28 | 570,03 |
Ру 1,6 МПа (1,6 кгс/см2) |
|||||||
| Заглушка ОСТ 34-10-428-90 исп.69 | 10 | 60 | 40 | 14 | 6 | 4 | 0,38 |
| Заглушка ОСТ 34-10-428-90 исп.70 | 15 | 65 | 45 | 14 | 10 | 4 | 0,43 |
| Заглушка ОСТ 34-10-428-90 исп.71 | 20 | 75 | 58 | 14 | 16 | 4 | 0,55 |
| Заглушка ОСТ 34-10-428-90 исп.72 | 25 | 85 | 68 | 14 | 22 | 4 | 0,67 |
| Заглушка ОСТ 34-10-428-90 исп.73 | 32 | 100 | 78 | 18 | 28 | 4 | 0,92 |
| Заглушка ОСТ 34-10-428-90 исп.74 | 50 | 125 | 102 | 18 | 46 | 4 | 1,56 |
| Заглушка ОСТ 34-10-428-90 исп.75 | 65 | 145 | 122 | 18 | 60 | 4 | 2,05 |
| Заглушка ОСТ 34-10-428-90 исп.76 | 80 | 160 | 138 | 18 | 76 | 4 | 2,46 |
| Заглушка ОСТ 34-10-428-90 исп.77 | 100 | 180 | 158 | 18 | 94 | 8 | 3,53 |
| Заглушка ОСТ 34-10-428-90 исп.78 | 125 | 210 | 188 | 18 | 118 | 8 | 4,72 |
| Заглушка ОСТ 34-10-428-90 исп.79 | 150 | 240 | 212 | 23 | 142 | 8 | 7,03 |
| Заглушка ОСТ 34-10-428-90 исп.80 | 200 | 295 | 268 | 23 | 196 | 12 | 12,94 |
| Заглушка ОСТ 34-10-428-90 исп.81 | 250 | 355 | 320 | 27 | 244 | 12 | 21,88 |
| Заглушка ОСТ 34-10-428-90 исп.82 | 300 | 410 | 378 | 27 | 294 | 12 | 32,38 |
| Заглушка ОСТ 34-10-428-90 исп.83 | 350 | 470 | 438 | 27 | 344 | 16 | 47,83 |
| Заглушка ОСТ 34-10-428-90 исп.84 | 400 | 525 | 490 | 30 | 390 | 16 | 68,54 |
| Заглушка ОСТ 34-10-428-90 исп.85 | 500 | 650 | 610 | 33 | 490 | 20 | 118,89 |
| Заглушка ОСТ 34-10-428-90 исп.86 | 600 | 770 | 720 | 40 | 590 | 20 | 206,51 |
| Заглушка ОСТ 34-10-428-90 исп.87 | 700 | 840 | 790 | 40 | 680 | 24 | 285,08 |
| Заглушка ОСТ 34-10-428-90 исп.88 | 800 | 950 | 900 | 40 | 780 | 24 | 378,14 |
Ру 2,5 МПа (25 кгс/см2) |
|||||||
| Заглушка ОСТ 34-10-428-90 исп.89 | 10 | 60 | 40 | 14 | 6 | 4 | 0,38 |
| Заглушка ОСТ 34-10-428-90 исп.90 | 15 | 65 | 45 | 14 | 10 | 4 | 0,43 |
| Заглушка ОСТ 34-10-428-90 исп.91 | 20 | 75 | 58 | 14 | 16 | 4 | 0,55 |
| Заглушка ОСТ 34-10-428-90 исп.92 | 25 | 85 | 68 | 14 | 22 | 4 | 0,67 |
| Заглушка ОСТ 34-10-428-90 исп.93 | 32 | 100 | 78 | 18 | 28 | 4 | 0,92 |
| Заглушка ОСТ 34-10-428-90 исп.94 | 50 | 125 | 102 | 18 | 46 | 4 | 1,56 |
| Заглушка ОСТ 34-10-428-90 исп.95 | 65 | 145 | 122 | 18 | 60 | 8 | 2,3 |
| Заглушка ОСТ 34-10-428-90 исп.96 | 80 | 160 | 138 | 18 | 76 | 8 | 3,23 |
| Заглушка ОСТ 34-10-428-90 исп.97 | 100 | 190 | 162 | 23 | 94 | 8 | 5,1 |
| Заглушка ОСТ 34-10-428-90 исп.98 | 125 | 220 | 188 | 27 | 118 | 8 | 7,88 |
| Заглушка ОСТ 34-10-428-90 исп.99 | 150 | 250 | 218 | 27 | 142 | 8 | 11,56 |
| Заглушка ОСТ 34-10-428-90 исп.100 | 200 | 310 | 278 | 27 | 196 | 12 | 19,22 |
| Заглушка ОСТ 34-10-428-90 исп.101 | 250 | 370 | 335 | 30 | 244 | 12 | 33,57 |
| Заглушка ОСТ 34-10-428-90 исп.102 | 300 | 430 | 390 | 30 | 294 | 16 | 48,07 |
| Заглушка ОСТ 34-10-428-90 исп.103 | 350 | 490 | 450 | 33 | 344 | 16 | 74,93 |
| Заглушка ОСТ 34-10-428-90 исп.104 | 400 | 550 | 505 | 33 | 390 | 16 | 99,98 |
| Заглушка ОСТ 34-10-428-90 исп.105 | 500 | 660 | 615 | 40 | 490 | 20 | 180,54 |
| Заглушка ОСТ 34-10-428-90 исп.106 | 600 | 770 | 720 | 40 | 590 | 20 | 195,74 |
Завод «Северозапад» осуществляет доставку продукции по всей России. Мы предоставляем:
- Широкий ассортимент продукции;
- Производство только из сырья высокого качества;
- Доставка в заранее установленные сроки;
- Сохранность целостности изделий при перевозке;
- Профессионально налаженная логистика;
- Доставка как на склад, так и на объект покупателя;
- Доставляем изделия любых габаритов и формы.
Для постоянных клиентов у нас разработана система скидок, которая позволяет вам еще более выгодно сотрудничать с нами. Воспользуйтесь онлайн калькулятором в разделе меню “Доставка”, чтобы узнать стоимость доставки до места назначения.
Вам также может понравиться