Заказать
Наши менеджеры обязательно свяжутся с вами и уточнят условия заказа
ТС-4 Тросостойка ТС-5 Молниеотвод

Чертеж ПМЖ-22,8; 22,8А Чертеж ТС-4 (тросостойка)
ТС-39 Площадка ТС-39А Площадка ТС-40;41 Лестница

Чертеж ТС-5 (молниеотвод) Чертеж ТС-39 (площадка)
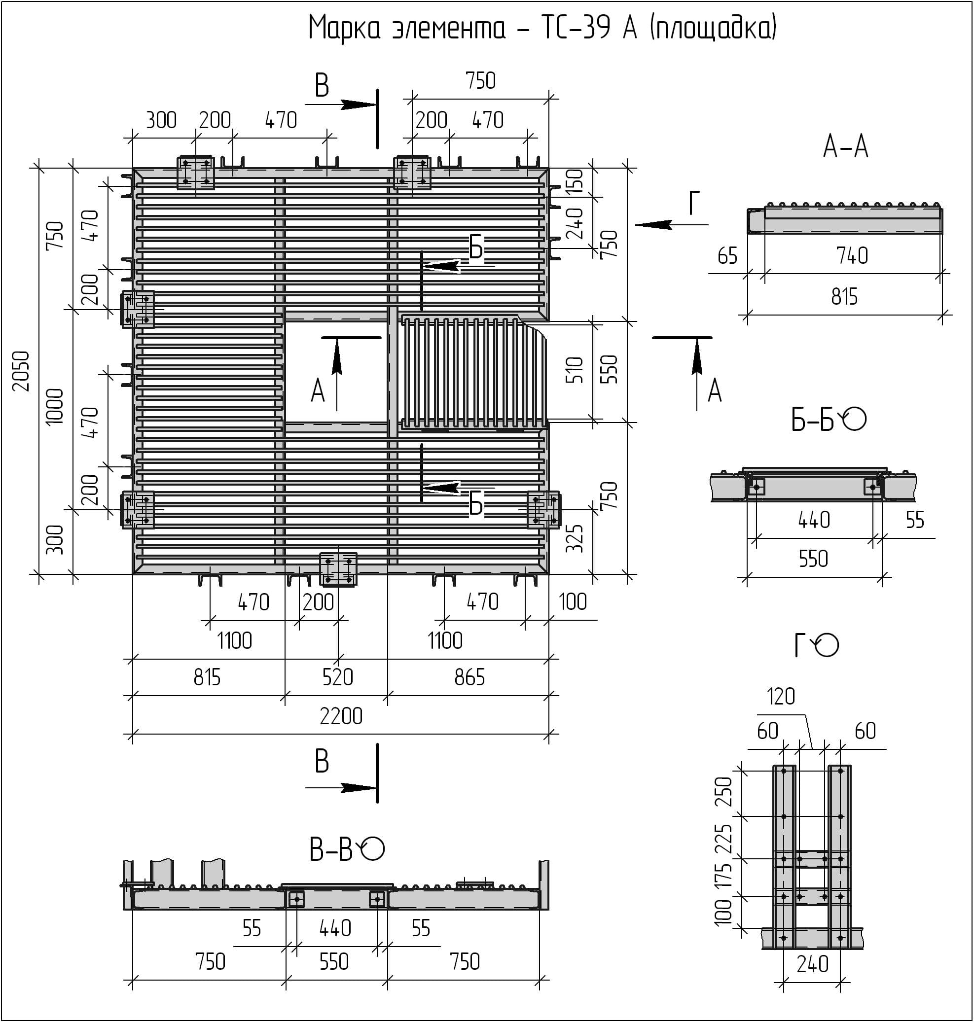
Чертеж ТС-39А (площадка) Чертеж ТС-40; ТС-41 (лестница)

ТС-42 Лестница ТС-43 Ограждение ТС-43А Ограждение

Чертеж ТС-42 (лестница) Чертеж ТС-43 (ограждение)

ТС-46 Крепежный элемент ТС-49 Оголовок ТС-51 Крепежный элемент

Чертеж ТС-43А (ограждение) Чертеж ТС-46 (крепежный элемент)

Чертеж ТС-49 (оголовок) Чертеж ТС-51 (крепежный элемент)

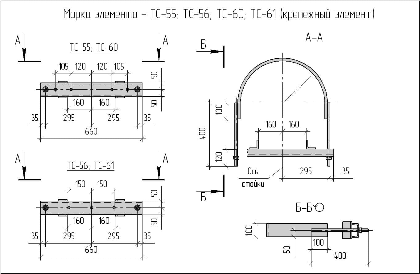
ТС-60; ТС-61 Крепежный элемент
Чертеж ТС-60; ТС-61 (крепежный элемент)
| Марка | Высота,м | Расход стали,кг | Марка стали |
Стоимость за ед.руб. с покрытием грунтом и краской |
Стоимость за ед.руб. с покрытием холодным цинкованием |
Стоимость за ед.руб. с покрытием горячим цинкованием |
| ПМЖ-16.6 | 16.56(24.3) | 909 | Ст3 | |||
| ПМЖ-19.3 | 19.31(27.05) | 973 | Ст3 | |||
| ПМЖ-22.8 | 22.81(30.65) | 1090 | Ст3 | |||
| ПМС-24.0 | 23.8 (31.75) | 2623 | Ст3 | |||
| ПМС-24.0 | 23.8 (31.75) | 2623 | 09Г2С | |||
| ПМС-29.3 | 29.3(37.05) | 3361 | Ст3 | |||
| ПМС-29.3 | 29.3(37.05) | 3361 | 09Г2С | |||
| ПМС-32.5 | 32.5(40.25) | 3878 | Ст3 | |||
| ПМС-32.5 | 32.5(40.25) | 3878 | 09Г2С | |||
| МЖ-24.3 | 16.46(24.3) | 218 | Ст3 | |||
| МЖ-27.1 | 19.21(27.05) | 218 | Ст3 | |||
| МЖ-30.6 | 22.71(30.55) | 210 | Ст3 | |||
| МС-31.7 | 23.95(31.7) | 1809 | Ст3 | |||
| МС-31.7 | 23.95(31.7) | 1809 | 09Г2С | |||
| МС-37.0 | 29.37(37.04) | 2407 | Ст3 | |||
| МС-37.0 | 29.37(37.04) | 2407 | 09Г2С | |||
| МС-40.2 | 32.52(40.24) | 2853 | Ст3 | |||
| МС-40.2 | 32.52(40.24) | 2853 | 09Г2С |
| Марка | Высота,м | Расход стали,кг | Марка стали |
Стоимость за ед.руб. с покрытием грунтом и краской |
Стоимость за ед.руб. с покрытием холодным цинкованием |
Стоимость за ед.руб. с покрытием горячим цинкованием |
| ПМЖ-16.6 | 16.56(24.3) | 849 | Ст3 | |||
| ПМЖ-19.3 | 19.31(27.05) | 909 | Ст3 | |||
| ПМЖ-22.8 | 22.81(30.65) | 1019 | Ст3 | |||
| ПМС-18.4 | 18.43(26.17) | 2023 | Ст3 | |||
| ПМС-18.4 | 18.43(26.17) | 2023 | 09Г2С | |||
| ПМС-25.5 | 25.45(33.19) | 2429 | Ст3 | |||
| ПМС-25.5 | 25.45(33.19) | 2429 | 09Г2С | |||
| ПМС-30.5 | 30.5(38.24) | 3723 | Ст3 | |||
| ПМС-30.5 | 30.5(38.24) | 3723 | 09Г2С | |||
| МЖ-24.3 | 16.46(24.3) | 211 | Ст3 | |||
| МЖ-27.1 | 19.21(27.05) | 211 | Ст3 | |||
| МЖ-30.6 | 22.71(30.55) | 203 | Ст3 | |||
| МС-26.2 | 18.33(26.17) | 1386 | Ст3 | |||
| МС-26.2 | 18.33(26.17) | 1386 | 09Г2С | |||
| МС-33.2 | 33,2 | 1674 | Ст3 | |||
| МС-33.2 | 33,2 | 1674 | 09Г2С |
| Наименование | Высота, m | Расхож стали,кг | Стоимость |
| ПМЖ-16,6 | 24,3 | 849 | |
| ПМЖ-19,3 | 27,05 | 909 | |
| ПМЖ-22,8 | 39,5 | 1019 | |
| ПМС-18,4 | 26,1 | 2023 | |
| ПМС-25,5 | 33,2 | 2429 | |
| ПМС-30,5 | 39,2 | 3723 |
Завод «Северозапад» осуществляет доставку продукции по всей России. Мы предоставляем:
- Широкий ассортимент продукции;
- Производство только из сырья высокого качества;
- Доставка в заранее установленные сроки;
- Сохранность целостности изделий при перевозке;
- Профессионально налаженная логистика;
- Доставка как на склад, так и на объект покупателя;
- Доставляем изделия любых габаритов и формы.
Для постоянных клиентов у нас разработана система скидок, которая позволяет вам еще более выгодно сотрудничать с нами. Воспользуйтесь онлайн калькулятором в разделе меню “Доставка”, чтобы узнать стоимость доставки до места назначения.
Вам также может понравиться