Завод Металлоконструкций Северозапад производит фундаментные болты прямые 5 - тип 5 по ГОСТ 24379.1-2012. Осуществляем доставку готовых изделий по всей России и странам СНГ. Изготовим для вас фундаментные болты прямые 5 - тип 5 в максимально сжатые сроки. Для оформления заказа воспользуйтесь формой на сайте или свяжитесь с менеджером по указанному телефону.
Болт фундаментный типа 5 применяется для фиксации строительных конструкций и другого оборудования на фундаменте. Монтируется в уже просверленные скважины готовых фундаментов. Крепится с помощью эпоксидного или силоксанового клеев или цементно-песчаной смеси.
Представляет собой шпильку, на которой с одной стороны нарезана метрическая резьба. На одной стороне анкера имеются гайки и шайба, для фиксирования прикрепляемого материала, а прямая шпилька с другой стороны фиксируется в заливаемом основании.
- Номинальный диаметр резьбы, мм: 12-48;
- Длина болта, мм: 150-1400;
- Материал: сталь конструкционная углеродистая, сталь конструкционная легированная, нержавеющая сталь;
- Марка стали фундаментного анкера: Ст3сп (1017 по ASTM, St 37-3 по DIN), 45 (1045 по ASTM; C 45, Ck 45 по DIN), 40Х (5140 по AISI; 42Cr4 по DIN), 09Г2С (A 516-55 по ASTM; 13Mn6, 9MnSi5 по DIN). Также возможно производство фундаментных анкеров из нержавеющей стали марки 10Х17Н13М2 (316 по AISI; X5CrNiMo17-12-2 по DIN), 08Х18Н10 (304 по AISI; X5CrNi18-10 по DIN);
- Покрытие: без покрытия, горячее оцинкование, термодиффузионное оцинкование, грунтовка, окраска цинкосодержащими красками, воронение;
- Комплект поставки: шпилька по ГОСТ 24379.1-2012, гайка по ГОСТ 5915-70 в количестве 2 шт., шайба по ГОСТ 11371-78.
С ценами на анкерные болты можно ознакомиться здесь.
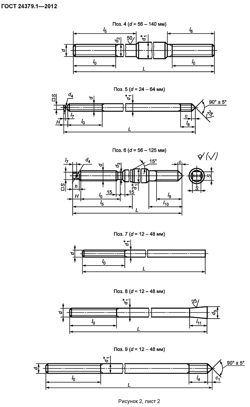
Чертеж болта прямого тип 5
Цены на болт фундаментный прямой. Исп 5
| № | Наименование | Диаметр | Исполнение | Длина | Ед. изм. | Вес, кг | Цена с НДС (руб/ед) |
| 1. | Болт анкерный | М12 | 5 | 150 | к-т | 0,18 | 30 |
| 2. | Болт анкерный | М12 | 5 | 200 | к-т | 0,23 | 35 |
| 3. | Болт анкерный | М12 | 5 | 250 | к-т | 0,27 | 40 |
| 4. | Болт анкерный | М12 | 5 | 300 | к-т | 0,32 | 45 |
| 5. | Болт анкерный | М12 | 5 | 350 | к-т | 0,36 | 55 |
| 6. | Болт анкерный | М12 | 5 | 400 | к-т | 0,4 | 60 |
| 7. | Болт анкерный | М12 | 5 | 450 | к-т | 0,45 | 65 |
| 8. | Болт анкерный | М16 | 5 | 150 | к-т | 0,36 | 60 |
| 9. | Болт анкерный | М16 | 5 | 200 | к-т | 0,44 | 65 |
| 10. | Болт анкерный | М16 | 5 | 250 | к-т | 0,51 | 85 |
| 11. | Болт анкерный | М16 | 5 | 300 | к-т | 0,59 | 95 |
| 12. | Болт анкерный | М16 | 5 | 350 | к-т | 0,67 | 100 |
| 13. | Болт анкерный | М16 | 5 | 400 | к-т | 0,75 | 105 |
| 14. | Болт анкерный | М16 | 5 | 450 | к-т | 0,83 | 110 |
| 15. | Болт анкерный | М16 | 5 | 500 | к-т | 0,91 | 115 |
| 16. | Болт анкерный | М16 | 5 | 600 | к-т | 1,07 | 120 |
| 17. | Болт анкерный | М20 | 5 | 150 | к-т | 0,57 | 85 |
| 18. | Болт анкерный | М20 | 5 | 200 | к-т | 0,69 | 105 |
| 19. | Болт анкерный | М20 | 5 | 250 | к-т | 0,82 | 120 |
| 20. | Болт анкерный | М20 | 5 | 300 | к-т | 0,94 | 130 |
| 21. | Болт анкерный | М20 | 5 | 350 | к-т | 1,06 | 135 |
| 22. | Болт анкерный | М20 | 5 | 400 | к-т | 1,19 | 150 |
| 23. | Болт анкерный | М20 | 5 | 450 | к-т | 1,31 | 170 |
| 24. | Болт анкерный | М20 | 5 | 500 | к-т | 1,43 | 180 |
| 25. | Болт анкерный | М20 | 5 | 600 | к-т | 1,68 | 210 |
| 26. | Болт анкерный | М20 | 5 | 710 | к-т | 1,95 | 250 |
| 27. | Болт анкерный | М20 | 5 | 800 | к-т | 2,17 | 270 |
| 28. | Болт анкерный | М24 | 5 | 200 | к-т | 1,04 | 140 |
| 29. | Болт анкерный | М24 | 5 | 250 | к-т | 1,22 | 150 |
| 30. | Болт анкерный | М24 | 5 | 300 | к-т | 1,39 | 180 |
| 31. | Болт анкерный | М24 | 5 | 350 | к-т | 1,57 | 200 |
| 32. | Болт анкерный | М24 | 5 | 400 | к-т | 1,75 | 220 |
| 33. | Болт анкерный | М24 | 5 | 450 | к-т | 1,93 | 260 |
| 34. | Болт анкерный | М24 | 5 | 500 | к-т | 2,1 | 320 |
| 35. | Болт анкерный | М24 | 5 | 600 | к-т | 2,46 | 330 |
| 36. | Болт анкерный | М24 | 5 | 710 | к-т | 2,85 | 380 |
| 37. | Болт анкерный | М24 | 5 | 800 | к-т | 3,17 | 400 |
| 38. | Болт анкерный | М24 | 5 | 900 | к-т | 3,52 | 450 |
| 39. | Болт анкерный | М30 | 5 | 250 | к-т | 2,17 | 300 |
| 40. | Болт анкерный | М30 | 5 | 300 | к-т | 2,44 | 340 |
| 41. | Болт анкерный | М30 | 5 | 350 | к-т | 2,72 | 370 |
| 42. | Болт анкерный | М30 | 5 | 400 | к-т | 3 | 350 |
| 43. | Болт анкерный | М30 | 5 | 450 | к-т | 3,28 | 410 |
| 44. | Болт анкерный | М30 | 5 | 500 | к-т | 3,55 | 460 |
| 45. | Болт анкерный | М30 | 5 | 600 | к-т | 4,11 | 530 |
| 46. | Болт анкерный | М30 | 5 | 710 | к-т | 4,72 | 620 |
| 47. | Болт анкерный | М30 | 5 | 800 | к-т | 5,22 | 600 |
| 48. | Болт анкерный | М30 | 5 | 900 | к-т | 5,77 | 650 |
| 49. | Болт анкерный | М30 | 5 | 1000 | к-т | 6,33 | 730 |
| 50. | Болт анкерный | М30 | 5 | 1120 | к-т | 6,99 | 800 |
| 51. | Болт анкерный | М36 | 5 | 300 | к-т | 3,56 | 450 |
| 52. | Болт анкерный | М36 | 5 | 350 | к-т | 3,96 | 510 |
| 53. | Болт анкерный | М36 | 5 | 400 | к-т | 4,35 | 560 |
| 54. | Болт анкерный | М36 | 5 | 450 | к-т | 4,75 | 600 |
| 55. | Болт анкерный | М36 | 5 | 500 | к-т | 5,15 | 610 |
| 56. | Болт анкерный | М36 | 5 | 600 | к-т | 5,95 | 680 |
| 57. | Болт анкерный | М36 | 5 | 710 | к-т | 6,83 | 790 |
| 58. | Болт анкерный | М36 | 5 | 800 | к-т | 7,55 | 870 |
| 59. | Болт анкерный | М36 | 5 | 900 | к-т | 8,35 | 970 |
| 60. | Болт анкерный | М36 | 5 | 1000 | к-т | 9,15 | 1 060 |
| 61. | Болт анкерный | М36 | 5 | 1120 | к-т | 10,11 | 1 030 |
| 62. | Болт анкерный | М36 | 5 | 1250 | к-т | 11,14 | 1 140 |
| 63. | Болт анкерный | М42 | 5 | 350 | к-т | 5,66 | 650 |
| 64. | Болт анкерный | М42 | 5 | 400 | к-т | 6,21 | 720 |
| 65. | Болт анкерный | М42 | 5 | 450 | к-т | 6,75 | 780 |
| 66. | Болт анкерный | М42 | 5 | 500 | к-т | 7,3 | 850 |
| 67. | Болт анкерный | М42 | 5 | 600 | к-т | 8,38 | 970 |
| 68. | Болт анкерный | М42 | 5 | 710 | к-т | 9,54 | 1 100 |
| 69. | Болт анкерный | М42 | 5 | 800 | к-т | 10,56 | 1 080 |
| 70. | Болт анкерный | М42 | 5 | 900 | к-т | 11,64 | 1 200 |
| 71. | Болт анкерный | М42 | 5 | 1000 | к-т | 12,73 | 1 300 |
| 72. | Болт анкерный | М42 | 5 | 1120 | к-т | 14,04 | 1 450 |
| 73. | Болт анкерный | М42 | 5 | 1250 | к-т | 15,45 | 1 600 |
| 74. | Болт анкерный | М42 | 5 | 1320 | к-т | 16,21 | 1 670 |
| 75. | Болт анкерный | М48 | 5 | 400 | к-т | 8,33 | 950 |
| 76. | Болт анкерный | М48 | 5 | 450 | к-т | 9,04 | 1 040 |
| 77. | Болт анкерный | М48 | 5 | 500 | к-т | 9,75 | 1 130 |
| 78. | Болт анкерный | М48 | 5 | 600 | к-т | 11,17 | 1 150 |
| 79. | Болт анкерный | М48 | 5 | 710 | к-т | 12,73 | 1 300 |
| 80. | Болт анкерный | М48 | 5 | 800 | к-т | 13,98 | 1 440 |
| 81. | Болт анкерный | М48 | 5 | 900 | к-т | 15,43 | 1 600 |
| 82. | Болт анкерный | М48 | 5 | 1000 | к-т | 16,85 | 1 720 |
| 83. | Болт анкерный | М48 | 5 | 1120 | к-т | 18,55 | 1 920 |
| 84. | Болт анкерный | М48 | 5 | 1250 | к-т | 20,4 | 2 100 |
| 85. | Болт анкерный | М48 | 5 | 1320 | к-т | 21,39 | 2 200 |
| 86. | Болт анкерный | М48 | 5 | 1400 | к-т | 22,53 | 2 330 |
Техническая документация фундаментных болтов прямых 5 - тип 5 по ГОСТ 24379.1-2012

7. Шпильки, 18. Гайка по ГОСТ 5915
Болт ТИП 5 М12
|
Обозначение болта |
L – Длинна (мм) |
Длинна резьбы (мм) |
Масса шпильки (кг) |
Масса шайбы (кг) |
Масса гайки ГОСТ 5915-70 (кг) |
Геометрические размеры в сборе (мм) |
Масса общая (кг) |
|
Болт 5 М12х150 |
150 |
80 |
0,13 |
0,021 |
2 х 0,016 |
D36 х 150 |
0,18 |
|
Болт 5 М12х200 |
200 |
80 |
0,18 |
0,021 |
2 х 0,016 |
D36 х 200 |
0,23 |
|
Болт 5 М12х250 |
250 |
80 |
0,22 |
0,021 |
2 х 0,016 |
D36 х 250 |
0,27 |
|
Болт 5 М12х300 |
300 |
80 |
0,27 |
0,021 |
2 х 0,016 |
D36 х 300 |
0,32 |
|
Болт 5 М12х350 |
350 |
80 |
0,31 |
0,021 |
2 х 0,016 |
D36 х 350 |
0,36 |
|
Болт 5 М12х400 |
400 |
80 |
0,35 |
0,021 |
2 х 0,016 |
D36 х 400 |
0,40 |
|
Болт 5 М12х450 |
450 |
80 |
0,40 |
0,021 |
2 х 0,016 |
D36 х 450 |
0,45 |
Болт ТИП 5 М16
|
Обозначение болта |
L – Длинна (мм) |
Длинна резьбы (мм) |
Масса шпильки (кг) |
Масса шайбы (кг) |
Масса гайки ГОСТ 5915-70 (кг) |
Геометрические размеры в сборе (мм) |
Масса общая (кг) |
|
Болт 5 М16х150 |
150 |
90 |
0,24 |
0,05 |
2 х 0,037 |
D42 х 150 |
0,36 |
|
Болт 5 М16х200 |
200 |
90 |
0,32 |
0,05 |
2 х 0,037 |
D42 х 200 |
0,44 |
|
Болт 5 М16х250 |
250 |
90 |
0,39 |
0,05 |
2 х 0,037 |
D42 х 250 |
0,51 |
|
Болт 5 М16х300 |
300 |
90 |
0,47 |
0,05 |
2 х 0,037 |
D42 х 300 |
0,59 |
|
Болт 5 М16х350 |
350 |
90 |
0,55 |
0,05 |
2 х 0,037 |
D42 х 350 |
0,67 |
|
Болт 5 М16х400 |
400 |
90 |
0,63 |
0,05 |
2 х 0,037 |
D42 х 400 |
0,75 |
|
Болт 5 М16х450 |
450 |
90 |
0,71 |
0,05 |
2 х 0,037 |
D42 х 450 |
0,83 |
|
Болт 5 М16х500 |
500 |
90 |
0,79 |
0,05 |
2 х 0,037 |
D42 х 500 |
0,91 |
|
Болт 5 М16х600 |
600 |
90 |
0,95 |
0,05 |
2 х 0,037 |
D42 х 600 |
1,07 |
Болт ТИП 5 М20
|
Обозначение болта |
L – Длинна (мм) |
Длинна резьбы (мм) |
Масса шпильки (кг) |
Масса шайбы (кг) |
Масса гайки ГОСТ 5915-70 (кг) |
Геометрические размеры в сборе (мм) |
Масса общая (кг) |
|
Болт 5 М20х150 |
150 |
100 |
|
0,076 |
2 х 0,071 |
D45 х 150 |
0,57 |
|
Болт 5 М20х200 |
200 |
100 |
0,49 |
0,076 |
2 х 0,071 |
D45 х 200 |
0,69 |
|
Болт 5 М20х250 |
250 |
100 |
0,62 |
0,076 |
2 х 0,071 |
D45 х 250 |
0,82 |
|
Болт 5 М20х300 |
300 |
100 |
0,74 |
0,076 |
2 х 0,071 |
D45 х 300 |
0,94 |
|
Болт 5 М20х350 |
350 |
100 |
0,86 |
0,076 |
2 х 0,071 |
D45 х 350 |
1,06 |
|
Болт 5 М20х400 |
400 |
100 |
0,99 |
0,076 |
2 х 0,071 |
D45 х 400 |
1,19 |
|
Болт 5 М20х450 |
450 |
100 |
1,11 |
0,076 |
2 х 0,071 |
D45 х 450 |
1,31 |
|
Болт 5 М20х500 |
500 |
100 |
1,23 |
0,076 |
2 х 0,071 |
D45 х 500 |
1,43 |
|
Болт 5 М20х600 |
600 |
100 |
1,48 |
0,076 |
2 х 0,071 |
D45 х 600 |
1,68 |
|
Болт 5 М20х710 |
710 |
100 |
1,75 |
0,076 |
2 х 0,071 |
D45 х 710 |
1,95 |
|
Болт 5 М20х800 |
800 |
100 |
1,97 |
0,076 |
2 х 0,071 |
D45 х 800 |
2,17 |
Болт ТИП 5 М24
|
Обозначение болта |
L – Длинна (мм) |
Длинна резьбы (мм) |
Масса шпильки (кг) |
Масса шайбы (кг) |
Масса гайки ГОСТ 5915-70 (кг) |
Геометрические размеры в сборе (мм) |
Масса общая (кг) |
|
Болт 5 М24х200 |
200 |
110 |
|
0,12 |
2 х 0,123 |
D55 х 200 |
1,04 |
|
Болт 5 М24х250 |
250 |
110 |
0,89 |
0,12 |
2 х 0,123 |
D55 х 250 |
1,22 |
|
Болт 5 М24х300 |
300 |
110 |
1,06 |
0,12 |
2 х 0,123 |
D55 х 300 |
1,39 |
|
Болт 5 М24х350 |
350 |
110 |
1,24 |
0,12 |
2 х 0,123 |
D55 х 350 |
1,57 |
|
Болт 5 М24х400 |
400 |
110 |
1,42 |
0,12 |
2 х 0,123 |
D55 х 400 |
1,75 |
|
Болт 5 М24х450 |
450 |
110 |
1,60 |
0,12 |
2 х 0,123 |
D55 х 450 |
1,93 |
|
Болт 5 М24х500 |
500 |
110 |
1,77 |
0,12 |
2 х 0,123 |
D55 х 500 |
2,10 |
|
Болт 5 М24х600 |
600 |
110 |
2,13 |
0,12 |
2 х 0,123 |
D55 х 600 |
2,46 |
|
Болт 5 М24х710 |
710 |
110 |
2,52 |
0,12 |
2 х 0,123 |
D55 х 710 |
2,85 |
|
Болт 5 М24х800 |
800 |
110 |
2,84 |
0,12 |
2 х 0,123 |
D55 х 800 |
3,17 |
|
Болт 5 М24х900 |
900 |
110 |
3,19 |
0,12 |
2 х 0,123 |
D55 х 900 |
3,52 |
Болт ТИП 5 М30
|
Обозначение болта |
L – Длинна (мм) |
Длинна резьбы (мм) |
Масса шпильки (кг) |
Масса шайбы (кг) |
Масса гайки ГОСТ 5915-70 (кг) |
Геометрические размеры в сборе (мм) |
Масса общая (кг) |
|
Болт 5 М30х250 |
250 |
120 |
1,39 |
0,33 |
2 х 0,242 |
D80 х 250 |
2,17 |
|
Болт 5 М30х300 |
300 |
120 |
1,67 |
0,33 |
2 х 0,242 |
D80 х 300 |
2,44 |
|
Болт 5 М30х350 |
350 |
120 |
1,94 |
0,33 |
2 х 0,242 |
D80 х 350 |
2,72 |
|
Болт 5 М30х400 |
400 |
120 |
2,22 |
0,33 |
2 х 0,242 |
D80 х 400 |
3,00 |
|
Болт 5 М30х450 |
450 |
120 |
2,50 |
0,33 |
2 х 0,242 |
D80 х 450 |
3,28 |
|
Болт 5 М30х500 |
500 |
120 |
2,77 |
0,33 |
2 х 0,242 |
D80 х 500 |
3,55 |
|
Болт 5 М30х600 |
600 |
120 |
3,33 |
0,33 |
2 х 0,242 |
D80 х 600 |
4,11 |
|
Болт 5 М30х710 |
710 |
120 |
3,94 |
0,33 |
2 х 0,242 |
D80 х 710 |
4,72 |
|
Болт 5 М30х800 |
800 |
120 |
4,44 |
0,33 |
2 х 0,242 |
D80 х 800 |
5,22 |
|
Болт 5 М30х900 |
900 |
120 |
4,99 |
0,33 |
2 х 0,242 |
D80 х 900 |
5,77 |
|
Болт 5 М30х1000 |
1000 |
120 |
5,55 |
0,33 |
2 х 0,242 |
D80 х 1000 |
6,33 |
|
Болт 5 М30х1120 |
1120 |
120 |
6,22 |
0,33 |
2 х 0,242 |
D80 х 1120 |
6,99 |
Болт ТИП 5 М36
|
Обозначение болта |
L – Длинна (мм) |
Длинна резьбы (мм) |
Масса шпильки (кг) |
Масса шайбы (кг) |
Масса гайки ГОСТ 5915-70 (кг) |
Геометрические размеры в сборе (мм) |
Масса общая (кг) |
|
Болт 5 М36х300 |
300 |
130 |
2,40 |
0,41 |
2 х 0,41 |
D90 х 300 |
3,56 |
|
Болт 5 М36х350 |
350 |
130 |
2,79 |
0,41 |
2 х 0,41 |
D90 х 350 |
3,96 |
|
Болт 5 М36х400 |
400 |
130 |
3,19 |
0,41 |
2 х 0,41 |
D90 х 400 |
4,35 |
|
Болт 5 М36х450 |
450 |
130 |
3,59 |
0,41 |
2 х 0,41 |
D90 х 450 |
4,75 |
|
Болт 5 М36х500 |
500 |
130 |
3,99 |
0,41 |
2 х 0,41 |
D90 х 500 |
5,15 |
|
Болт 5 М36х600 |
600 |
130 |
4,79 |
0,41 |
2 х 0,41 |
D90 х 600 |
5,95 |
|
Болт 5 М36х710 |
710 |
130 |
5,67 |
0,41 |
2 х 0,41 |
D90 х 710 |
6,83 |
|
Болт 5 М36х800 |
800 |
130 |
6,39 |
0,41 |
2 х 0,41 |
D90 х 800 |
7,55 |
|
Болт 5 М36х900 |
900 |
130 |
7,19 |
0,41 |
2 х 0,41 |
D90 х 900 |
8,35 |
|
Болт 5 М36х1000 |
1000 |
130 |
7,98 |
0,41 |
2 х 0,41 |
D90 х 1000 |
9,15 |
|
Болт 5 М36х1120 |
1120 |
130 |
8,94 |
0,41 |
2 х 0,41 |
D90 х 1120 |
10,11 |
|
Болт 5 М36х1250 |
1250 |
130 |
9,99 |
0,41 |
2 х 0,41 |
D90 х 1250 |
11,14 |
Болт ТИП 5 М42
|
Обозначение болта |
L – Длинна (мм) |
Длинна резьбы (мм) |
Масса шпильки (кг) |
Масса шайбы (кг) |
Масса гайки ГОСТ 5915-70 (кг) |
Геометрические размеры в сборе (мм) |
Масса общая (кг) |
|
Болт 5 М42х350 |
350 |
140 |
3,81 |
0,61 |
2 х 0,624 |
D95 х 350 |
5,66 |
|
Болт 5 М42х400 |
400 |
140 |
4,35 |
0,61 |
2 х 0,624 |
D95 х 400 |
6,21 |
|
Болт 5 М42х450 |
450 |
140 |
4,89 |
0,61 |
2 х 0,624 |
D95 х 450 |
6,75 |
|
Болт 5 М42х500 |
500 |
140 |
5,44 |
0,61 |
2 х 0,624 |
D95 х 500 |
7,30 |
|
Болт 5 М42х600 |
600 |
140 |
6,52 |
0,61 |
2 х 0,624 |
D95 х 600 |
8,38 |
|
Болт 5 М42х710 |
710 |
140 |
7,72 |
0,61 |
2 х 0,624 |
D95 х 710 |
9,54 |
|
Болт 5 М42х800 |
800 |
140 |
8,70 |
0,61 |
2 х 0,624 |
D95 х 800 |
10,56 |
|
Болт 5 М42х900 |
900 |
140 |
9,78 |
0,61 |
2 х 0,624 |
D95 х 900 |
11,64 |
|
Болт 5 М42х1000 |
1000 |
140 |
10,87 |
0,61 |
2 х 0,624 |
D95 х 1000 |
12,73 |
|
Болт 5 М42х1120 |
1120 |
140 |
12,17 |
0,61 |
2 х 0,624 |
D95 х 1120 |
14,04 |
|
Болт 5 М42х1250 |
1250 |
140 |
13,59 |
0,61 |
2 х 0,624 |
D95 х 1250 |
15,45 |
|
Болт 5 М42х1320 |
1320 |
140 |
14,35 |
0,61 |
2 х 0,624 |
D95 х 1320 |
16,21 |
Болт ТИП 5 М48
|
Обозначение болта |
L – Длинна (мм) |
Длинна резьбы (мм) |
Масса шпильки (кг) |
Масса шайбы (кг) |
Масса гайки ГОСТ 5915-70 (кг) |
Геометрические размеры в сборе (мм) |
Масса общая (кг) |
|
Болт 5 М48х400 |
400 |
150 |
5,68 |
0,74 |
2 х 0,956 |
D105 х 400 |
8,33 |
|
Болт 5 М48х450 |
450 |
150 |
6,39 |
0,74 |
2 х 0,956 |
D105 х 450 |
9,04 |
|
Болт 5 М48х500 |
500 |
150 |
7,10 |
0,74 |
2 х 0,956 |
D105 х 500 |
9,75 |
|
Болт 5 М48х600 |
600 |
150 |
8,52 |
0,74 |
2 х 0,956 |
D105 х 600 |
11,17 |
|
Болт 5 М48х710 |
710 |
150 |
10,08 |
0,74 |
2 х 0,956 |
D105 х 710 |
12,73 |
|
Болт 5 М48х800 |
800 |
150 |
11,36 |
0,74 |
2 х 0,956 |
D105 х 800 |
13,98 |
|
Болт 5 М48х900 |
900 |
150 |
12,79 |
0,74 |
2 х 0,956 |
D105 х 900 |
15,43 |
|
Болт 5 М48х1000 |
1000 |
150 |
14,20 |
0,74 |
2 х 0,956 |
D105 х 1000 |
16,85 |
|
Болт 5 М48х1120 |
1120 |
150 |
15,92 |
0,74 |
2 х 0,956 |
D105 х 1120 |
18,55 |
|
Болт 5 М48х1250 |
1250 |
150 |
17,76 |
0,74 |
2 х 0,956 |
D105 х 1250 |
20,40 |
|
Болт 5 М48х1320 |
1320 |
150 |
18,76 |
0,74 |
2 х 0,956 |
D105 х 1320 |
21,39 |
|
Болт 5 М48х1400 |
1400 |
150 |
19,88 |
0,74 |
2 х 0,956 |
D105 х 1400 |
22,53 |
Завод «Северозапад» осуществляет доставку продукции по всей России. Мы предоставляем:
- Широкий ассортимент продукции;
- Производство только из сырья высокого качества;
- Доставка в заранее установленные сроки;
- Сохранность целостности изделий при перевозке;
- Профессионально налаженная логистика;
- Доставка как на склад, так и на объект покупателя;
- Доставляем изделия любых габаритов и формы.
Для постоянных клиентов у нас разработана система скидок, которая позволяет вам еще более выгодно сотрудничать с нами. Воспользуйтесь онлайн калькулятором в разделе меню “Доставка”, чтобы узнать стоимость доставки до места назначения.