Настоящий стандарт распространяется на стальные приварные фланцы трубопроводов и соединительных частей, а также на присоединительные фланцы арматуры, соединительных частей машин, приборов, патрубков, аппаратов и резервуаров на условное давление Ру от 0,1 до 20,0 МПа (от 1 до 200 кгс/см2) и температуру среды от 20 до 873 К (от минус 253 до плюс 600 °С).
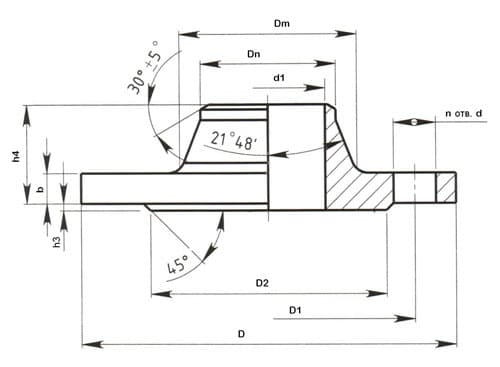
Чертеж фланца нержавеющего воротникового ГОСТ 12821-80 ст.3 (20)

Давление PN = 1,0 МПа (10 кгс/с м²) |
||||||||||
| Наименование | D, мм. | D1, мм. | d, мм. | Dm, мм | Dn, мм | d1, мм. | b, мм. | h4, мм. | К-во отв. n, шт. | Масса, кг |
| Фланец воротниковый ГОСТ 12821-80 1-15-10 ст.3 (20) | 95 | 65 | 14 | 30 | 19 | 12 | 10 | 33 | 4 | 0,58 |
| Фланец воротниковый ГОСТ 12821-80 1-20-10 ст.3 (20) | 105 | 75 | 28 | 26 | 18 | 12 | 36 | 0,87 | ||
| Фланец воротниковый ГОСТ 12821-80 1-25-10 ст.3 (20) | 115 | 85 | 45 | 33 | 25 | 38 | 1,05 | |||
| Фланец воротниковый ГОСТ 12821-80 1-32-10 ст.3 (20) | 135 | 100 | 18 | 55 | 39 | 31 | 13 | 40 | 1,54 | |
| Фланец воротниковый ГОСТ 12821-80 1-40-10 ст.3 (20) | 145 | 110 | 62 | 46 | 38 | 42 | 1,83 | |||
| Фланец воротниковый ГОСТ 12821-80 1-50-10 ст.3 (20) | 160 | 125 | 76 | 58 | 49 | 2,26 | ||||
| Фланец воротниковый ГОСТ 12821-80 1-65-10 ст.3 (20) | 180 | 145 | 94 | 77 | 66 | 15 | 45 | 3,17 | ||
| Фланец воротниковый ГОСТ 12821-80 1-80-10 ст.3 (20) | 195 | 160 | 105 | 90 | 78 | 47 | 3,67 | |||
| Фланец воротниковый ГОСТ 12821-80 1-100-10 ст.3 (20) | 215 | 180 | 128 | 110 | 96 | 17 | 48 | 8 | 4,7 | |
| Фланец воротниковый ГОСТ 12821-80 1-125-10 ст.3 (20) | 245 | 210 | 156 | 135 | 121 | 19 | 57 | 6,71 | ||
| Фланец воротниковый ГОСТ 12821-80 1-150-10 ст.3 (20) | 280 | 240 | 22 | 180 | 161 | 146 | 8,17 | |||
| Фланец воротниковый ГОСТ 12821-80 1-200-10 ст.3 (20) | 335 | 295 | 240 | 222 | 202 | 58 | 11,35 | |||
| Фланец воротниковый ГОСТ 12821-80 1-250-10 ст.3 (20) | 390 | 350 | 290 | 278 | 254 | 21 | 60 | 12 | 14,64 | |
| Фланец воротниковый ГОСТ 12821-80 1-300-10 ст.3 (20) | 440 | 400 | 345 | 330 | 303 | 22 | 18,66 | |||
| Фланец воротниковый ГОСТ 12821-80 1-350-10 ст.3 (20) | 500 | 460 | 400 | 382 | 351 | 16 | 24 | |||
| Фланец воротниковый ГОСТ 12821-80 1-400-10 ст.3 (20) | 565 | 515 | 26 | 445 | 432 | 398 | 30 | |||
| Фланец воротниковый ГОСТ 12821-80 1-500-10 ст.3 (20) | 670 | 620 | 550 | 535 | 501 | 24 | 65 | 20 | 39,2 | |
| Фланец воротниковый ГОСТ 12821-80 1-600-10 ст.3 (20) | 780 | 725 | 30 | 650 | 636 | 602 | 48,8 | |||
| Фланец воротниковый ГОСТ 12821-80 1-800-10 ст.3 (20) | 1010 | 950 | 33 | 850 | 826 | 792 | 27 | 75 | 24 | 87,24 |
| Фланец воротниковый ГОСТ 12821-80 1-1000-10 ст.3 (20) | 1220 | 1160 | 1050 | 1028 | 992 | 29 | 80 | 28 | 119,19 | |
| Фланец воротниковый ГОСТ 12821-80 1-1200-10 ст.3 (20) | 1455 | 1380 | 39 | 1256 | 1228 | 1192 | 33 | 90 | 32 | 179,91 |
Давление PN = 1,6 МПа (16 кгс/с м²) |
||||||||||
| Наименование | D, мм | D1, мм | d, мм | Dm, мм | Dn, мм | d1, мм | b, мм | h4, мм | к-во отв. n, шт. | Масса, кг |
| Фланец воротниковый ГОСТ 12821-80 1-15-16 ст.3 (20) | 95 | 65 | 14 | 30 | 19 | 12 | 12 | 33 | 4 | 0,68 |
| Фланец воротниковый ГОСТ 12821-80 1-20-16 ст.3 (20) | 105 | 75 | 38 | 26 | 18 | 36 | 0,87 | |||
| Фланец воротниковый ГОСТ 12821-80 1-25-16 ст.3 (20) | 115 | 85 | 45 | 33 | 25 | 38 | 1,05 | |||
| Фланец воротниковый ГОСТ 12821-80 1-32-16 ст.3 (20) | 135 | 100 | 18 | 55 | 39 | 31 | 13 | 40 | 1,54 | |
| Фланец воротниковый ГОСТ 12821-80 1-40-16 ст.3 (20) | 145 | 110 | 64 | 46 | 38 | 42 | 1,85 | |||
| Фланец воротниковый ГОСТ 12821-80 1-50-16 ст.3 (20) | 160 | 125 | 76 | 58 | 49 | 45 | 2,28 | |||
| Фланец воротниковый ГОСТ 12821-80 1-65-16 ст.3 (20) | 180 | 145 | 94 | 77 | 66 | 15 | 47 | 3,19 | ||
| Фланец воротниковый ГОСТ 12821-80 1-80-16 ст.3 (20) | 195 | 160 | 110 | 90 | 78 | 17 | 50 | 4,21 | ||
| Фланец воротниковый ГОСТ 12821-80 1-100-16 ст.3 (20) | 215 | 180 | 130 | 110 | 96 | 8 | 4,9 | |||
| Фланец воротниковый ГОСТ 12821-80 1-125-16 ст.3 (20) | 245 | 210 | 156 | 135 | 121 | 19 | 57 | 6,75 | ||
| Фланец воротниковый ГОСТ 12821-80 1-150-16 ст.3 (20) | 280 | 240 | 22 | 180 | 161 | 146 | 8,3 | |||
| Фланец воротниковый ГОСТ 12821-80 1-200-16 ст.3 (20) | 335 | 295 | 240 | 222 | 202 | 21 | 58 | 12 | 11,79 | |
| Фланец воротниковый ГОСТ 12821-80 1-250-16 ст.3 (20) | 405 | 355 | 26 | 292 | 278 | 254 | 23 | 65 | 17,36 | |
| Фланец воротниковый ГОСТ 12821-80 1-300-16 ст.3 (20) | 460 | 410 | 346 | 330 | 303 | 24 | 66 | 22,76 | ||
| Фланец воротниковый ГОСТ 12821-80 1-350-16 ст.3 (20) | 520 | 470 | 400 | 382 | 351 | 28 | 70 | 16 | 32,04 | |
| Фланец воротниковый ГОСТ 12821-80 1-400-16 ст.3 (20) | 580 | 525 | 30 | 450 | 432 | 398 | 32 | 75 | 43 | |
| Фланец воротниковый ГОСТ 12821-80 1-500-16 ст.3 (20) | 710 | 650 | 33 | 559 | 535 | 501 | 38 | 90 | 20 | 70,97 |
| Фланец воротниковый ГОСТ 12821-80 1-600-16 ст.3 (20) | 840 | 770 | 39 | 660 | 636 | 602 | 41 | 99,3 | ||
| Фланец воротниковый ГОСТ 12821-80 1-800-16 ст.3 (20) | 1020 | 950 | 850 | 826 | 792 | 45 | 95 | 24 | 130,57 | |
| Фланец воротниковый ГОСТ 12821-80 1-1000-16 ст.3 (20) | 1255 | 1170 | 45 | 1060 | 1028 | 992 | 49 | 110 | 28 | 203,39 |
| Фланец воротниковый ГОСТ 12821-80 1-1200-16 ст.3 (20) | 1485 | 1390 | 52 | 1268 | 1228 | 1192 | 51 | 125 | 32 | 284,94 |
Давление PN = 2,5 МПа (25 кгс/с м²) |
||||||||||
| Наименование | D, мм | D1, мм | d, мм | Dm, мм | Dn, мм | d1, мм | b, мм | h4, мм | к-во отв. n, шт. | Масса, кг |
| Фланец воротниковый ГОСТ 12821-80 1-15-25 ст.3 (20) | 95 | 65 | 14 | 30 | 19 | 12 | 14 | 33 | 4 | 0,79 |
| Фланец воротниковый ГОСТ 12821-80 1-20-25 ст.3 (20) | 105 | 75 | 38 | 26 | 18 | 34 | 0,97 | |||
| Фланец воротниковый ГОСТ 12821-80 1-25-25 ст.3 (20) | 115 | 85 | 45 | 33 | 25 | 36 | 1,18 | |||
| Фланец воротниковый ГОСТ 12821-80 1-32-25 ст.3 (20) | 135 | 100 | 18 | 56 | 39 | 31 | 16 | 43 | 1,83 | |
| Фланец воротниковый ГОСТ 12821-80 1-40-25 ст.3 (20) | 145 | 110 | 64 | 46 | 38 | 45 | 2,19 | |||
| Фланец воротниковый ГОСТ 12821-80 1-50-25 ст.3 (20) | 160 | 125 | 76 | 58 | 49 | 17 | 2,78 | |||
| Фланец воротниковый ГОСТ 12821-80 1-65-25 ст.3 (20) | 180 | 145 | 96 | 77 | 66 | 19 | 50 | 8 | 3,71 | |
| Фланец воротниковый ГОСТ 12821-80 1-80-25 ст.3 (20) | 195 | 160 | 110 | 90 | 78 | 52 | 4,44 | |||
| Фланец воротниковый ГОСТ 12821-80 1-100-25 ст.3 (20) | 230 | 190 | 22 | 132 | 110 | 96 | 21 | 58 | 6,51 | |
| Фланец воротниковый ГОСТ 12821-80 1-125-25 ст.3 (20) | 270 | 220 | 26 | 160 | 135 | 121 | 23 | 65 | 9,41 | |
| Фланец воротниковый ГОСТ 12821-80 1-150-25 ст.3 (20) | 300 | 250 | 186 | 161 | 146 | 25 | 68 | 12,52 | ||
| Фланец воротниковый ГОСТ 12821-80 1-200-25 ст.3 (20) | 360 | 310 | 245 | 222 | 202 | 27 | 75 | 12 | 17,44 | |
| Фланец воротниковый ГОСТ 12821-80 1-250-25 ст.3 (20) | 425 | 370 | 30 | 300 | 278 | 254 | 29 | 24,4 | ||
| Фланец воротниковый ГОСТ 12821-80 1-300-25 ст.3 (20) | 485 | 430 | 352 | 330 | 303 | 32 | 80 | 16 | 33,29 | |
| Фланец воротниковый ГОСТ 12821-80 1-350-25 ст.3 (20) | 550 | 490 | 33 | 406 | 382 | 351 | 36 | 85 | 46,57 | |
| Фланец воротниковый ГОСТ 12821-80 1-400-25 ст.3 (20) | 610 | 550 | 464 | 432 | 398 | 40 | 100 | 64,81 | ||
| Фланец воротниковый ГОСТ 12821-80 1-500-25 ст.3 (20) | 730 | 660 | 39 | 570 | 535 | 500 | 44 | 20 | 88,91 | |
| Фланец воротниковый ГОСТ 12821-80 1-600-25 ст.3 (20) | 840 | 770 | 670 | 636 | 600 | 49 | 115 | 123,7 | ||
| Фланец воротниковый ГОСТ 12821-80 1-800-25 ст.3 (20) | 1075 | 990 | 45 | 874 | 826 | 790 | 55 | 135 | 24 | 213,9 |
| Фланец воротниковый ГОСТ 12821-80 1-1000-25 ст.3 (20) | 1315 | 1210 | 56 | 1084 | 1028 | 992 | 59 | 150 | 28 | 312,12 |
| Фланец воротниковый ГОСТ 12821-80 1-1200-25 ст.3 (20) | 1525 | 1420 | 1288 | 1228 | 1192 | 62 | 160 | 32 | 387,5 | |
Давление PN = 4,0 МПа (40 кгс/с м²) |
||||||||||
| Наименование | D, мм | D1, мм | d, мм | Dm, мм | Dn, мм | d1, мм | b, мм | h4, мм | к-во отв. n, шт. | Масса, кг |
| Фланец воротниковый ГОСТ 12821-80 1-15-40 ст.3 (20) | 95 | 65 | 14 | 30 | 19 | 12 | 14 | 33 | 4 | 0,79 |
| Фланец воротниковый ГОСТ 12821-80 1-20-40 ст.3 (20) | 105 | 75 | 38 | 26 | 18 | 34 | 0,97 | |||
| Фланец воротниковый ГОСТ 12821-80 1-25-40 ст.3 (20) | 115 | 85 | 45 | 33 | 25 | 36 | 1,18 | |||
| Фланец воротниковый ГОСТ 12821-80 1-32-40 ст.3 (20) | 135 | 100 | 18 | 56 | 39 | 31 | 16 | 43 | 1,83 | |
| Фланец воротниковый ГОСТ 12821-80 1-40-40 ст.3 (20) | 145 | 110 | 64 | 46 | 38 | 45 | 2,19 | |||
| Фланец воротниковый ГОСТ 12821-80 1-50-40 ст.3 (20) | 160 | 125 | 76 | 58 | 48 | 17 | 2,81 | |||
| Фланец воротниковый ГОСТ 12821-80 1-65-40 ст.3 (20) | 180 | 145 | 96 | 77 | 66 | 19 | 50 | 8 | 3,71 | |
| Фланец воротниковый ГОСТ 12821-80 1-80-40 ст.3 (20) | 195 | 160 | 112 | 90 | 78 | 21 | 55 | 4,8 | ||
| Фланец воротниковый ГОСТ 12821-80 1-100-40 ст.3 (20) | 230 | 190 | 22 | 138 | 110 | 96 | 23 | 65 | 7,4 | |
| Фланец воротниковый ГОСТ 12821-80 1-125-40 ст.3 (20) | 270 | 220 | 26 | 160 | 135 | 120 | 25 | 10 | ||
| Фланец воротниковый ГОСТ 12821-80 1-150-40 ст.3 (20) | 300 | 250 | 186 | 161 | 145 | 27 | 68 | 13,03 | ||
| Фланец воротниковый ГОСТ 12821-80 1-200-40 ст.3 (20) | 375 | 320 | 30 | 250 | 222 | 200 | 35 | 85 | 12 | 24,44 |
| Фланец воротниковый ГОСТ 12821-80 1-250-40 ст.3 (20) | 445 | 385 | 33 | 310 | 278 | 252 | 39 | 98 | 37,59 | |
| Фланец воротниковый ГОСТ 12821-80 1-300-40 ст.3 (20) | 510 | 450 | 368 | 330 | 301 | 42 | 112 | 16 | 57,1 | |
| Фланец воротниковый ГОСТ 12821-80 1-350-40 ст.3 (20) | 570 | 510 | 481 | 382 | 351 | 48 | 116 | 70,34 | ||
| Фланец воротниковый ГОСТ 12821-80 1-400-40 ст.3 (20) | 655 | 585 | 39 | 480 | 432 | 398 | 54 | 135 | 106,76 | |
| Фланец воротниковый ГОСТ 12821-80 1-500-40 ст.3 (20) | 755 | 670 | 45 | 580 | 535 | 495 | 58 | 140 | 20 | 132,33 |
| Фланец воротниковый ГОСТ 12821-80 1-600-40 ст.3 (20) | 890 | 795 | 52 | 686 | 636 | 595 | 180,95 | |||
| Фланец воротниковый ГОСТ 12821-80 1-800-40 ст.3 (20) | 1135 | 1030 | 56 | 908 | 826 | 795 | 71 | 190 | 24 | 343,69 |
| Фланец воротниковый ГОСТ 12821-80 1-1000-40 ст.3 (20) | 1360 | 1250 | 1140 | 1028 | 995 | 77 | 235 | 28 | 540,75 | |
| Фланец воротниковый ГОСТ 12821-80 1-1200-40 ст.3 (20) | 1575 | 1460 | 62 | 1350 | 1228 | 1195 | 80 | 250 | 32 | 690,59 |
Давление PN = 6,3 МПа (63 кгс/с м²) |
||||||||||
| Наименование | D, мм | D1, мм | d, мм | Dm, мм | Dn, мм | d1, мм | b, мм | h4, мм | к-во отв. n, шт. | Масса, кг |
| Фланец воротниковый ГОСТ 12821-80 1-15-63 ст.3 (20) | 105 | 75 | 14 | 38 | 19 | 12 | 16 | 46 | 4 | 1,15 |
| Фланец воротниковый ГОСТ 12821-80 1-20-63 ст.3 (20) | 125 | 90 | 18 | 48 | 62 | 18 | 18 | 54 | 1,8 | |
| Фланец воротниковый ГОСТ 12821-80 1-25-63 ст.3 (20) | 135 | 100 | 52 | 33 | 25 | 20 | 56 | 2,3 | ||
| Фланец воротниковый ГОСТ 12821-80 1-32-63 ст.3 (20) | 150 | 110 | 22 | 64 | 39 | 31 | 21 | 60 | 2,94 | |
| Фланец воротниковый ГОСТ 12821-80 1-40-63 ст.3 (20) | 165 | 125 | 74 | 46 | 37 | 65 | 3,75 | |||
| Фланец воротниковый ГОСТ 12821-80 1-50-63 ст.3 (20) | 175 | 135 | 86 | 58 | 47 | 23 | 67 | 4,63 | ||
| Фланец воротниковый ГОСТ 12821-80 1-65-63 ст.3 (20) | 200 | 160 | 106 | 77 | 64 | 25 | 72 | 8 | 6,29 | |
| Фланец воротниковый ГОСТ 12821-80 1-80-63 ст.3 (20) | 210 | 170 | 120 | 90 | 77 | 27 | 7,22 | |||
| Фланец воротниковый ГОСТ 12821-80 1-100-63 ст.3 (20) | 250 | 200 | 26 | 140 | 110 | 94 | 29 | 77 | 10,71 | |
| Фланец воротниковый ГОСТ 12821-80 1-125-63 ст.3 (20) | 295 | 240 | 30 | 172 | 135 | 118 | 33 | 95 | 17,13 | |
| Фланец воротниковый ГОСТ 12821-80 1-150-63 ст.3 (20) | 340 | 280 | 33 | 206 | 161 | 142 | 35 | 105 | 24,6 | |
| Фланец воротниковый ГОСТ 12821-80 1-200-63 ст.3 (20) | 405 | 345 | 264 | 222 | 198 | 41 | 110 | 12 | 36,6 | |
| Фланец воротниковый ГОСТ 12821-80 1-250-63 ст.3 (20) | 470 | 400 | 39 | 316 | 278 | 246 | 45 | 115 | 50,89 | |
| Фланец воротниковый ГОСТ 12821-80 1-300-63 ст.3 (20) | 530 | 460 | 370 | 330 | 294 | 50 | 120 | 16 | 68,15 | |
| Фланец воротниковый ГОСТ 12821-80 1-350-63 ст.3 (20) | 595 | 525 | 39 | 430 | 382 | 342 | 56 | 140 | 98,68 | |
| Фланец воротниковый ГОСТ 12821-80 1-400-63 ст.3 (20) | 670 | 585 | 45 | 484 | 432 | 386 | 62 | 155 | 135,8 | |
| Фланец воротниковый ГОСТ 12821-80 1-500-63 ст.3 (20) | 800 | 705 | 52 | 594 | 535 | 485 | 66 | 165 | 20 | 192,74 |
| Фланец воротниковый ГОСТ 12821-80 1-600-63 ст.3 (20) | 925 | 820 | 56 | 704 | 636 | 585 | 71 | 180 | 269,27 | |
| Фланец воротниковый ГОСТ 12821-80 1-800-63 ст.3 (20) | 1165 | 1050 | 62 | 920 | 826 | 785 | 85 | 225 | 24 | 463,87 |
| Фланец воротниковый ГОСТ 12821-80 1-1000-63 ст.3 (20) | 1415 | 1290 | 70 | 1160 | 1028 | 985 | 92 | 280 | 28 | 980,6 |
| Фланец воротниковый ГОСТ 12821-80 1-1200-63 ст.3 (20) | 1665 | 1530 | 78 | 1386 | 1228 | 1185 | 95 | 315 | 32 | 1263,72 |
Давление PN = 10,0 МПа (100 кгс/с м²) |
||||||||||
| Наименование | D, мм | D1, мм | d, мм | Dm, мм | Dn, мм | d1, мм | b, мм | h4, мм | к-во отв. n, шт. | Масса, кг |
| Фланец воротниковый ГОСТ 12821-80 1-15-100 ст.3 (20) | 105 | 75 | 14 | 38 | 19 | 12 | 18 | 46 | 4 | 1,26 |
| Фланец воротниковый ГОСТ 12821-80 1-20-100 ст.3 (20) | 125 | 90 | 18 | 48 | 26 | 18 | 20 | 51 | 1,98 | |
| Фланец воротниковый ГОСТ 12821-80 1-25-100 ст.3 (20) | 135 | 100 | 52 | 33 | 25 | 22 | 56 | 2,48 | ||
| Фланец воротниковый ГОСТ 12821-80 1-32-100 ст.3 (20) | 150 | 110 | 22 | 64 | 39 | 31 | 60 | 3,05 | ||
| Фланец воротниковый ГОСТ 12821-80 1-40-100 ст.3 (20) | 165 | 125 | 76 | 46 | 37 | 23 | 67 | 4,06 | ||
| Фланец воротниковый ГОСТ 12821-80 1-50-100 ст.3 (20) | 195 | 145 | 26 | 86 | 58 | 45 | 25 | 68 | 6,03 | |
| Фланец воротниковый ГОСТ 12821-80 1-65-100 ст.3 (20) | 220 | 170 | 110 | 77 | 62 | 29 | 80 | 8 | 8,52 | |
| Фланец воротниковый ГОСТ 12821-80 1-80-100 ст.3 (20) | 230 | 180 | 124 | 90 | 75 | 31 | 87 | 9,91 | ||
| Фланец воротниковый ГОСТ 12821-80 1-100-100 ст.3 (20) | 265 | 210 | 30 | 146 | 110 | 92 | 35 | 97 | 14,65 | |
| Фланец воротниковый ГОСТ 12821-80 1-125-100 ст.3 (20) | 310 | 250 | 33 | 180 | 135 | 112 | 39 | 112 | 23,32 | |
| Фланец воротниковый ГОСТ 12821-80 1-150-100 ст.3 (20) | 350 | 290 | 214 | 161 | 136 | 43 | 125 | 12 | 32,87 | |
| Фланец воротниковый ГОСТ 12821-80 1-200-100 ст.3 (20) | 240 | 360 | 39 | 276 | 222 | 190 | 51 | 140 | 54,24 | |
| Фланец воротниковый ГОСТ 12821-80 1-250-100 ст.3 (20) | 500 | 430 | 340 | 278 | 236 | 57 | 160 | 85,24 | ||
| Фланец воротниковый ГОСТ 12821-80 1-300-100 ст.3 (20) | 585 | 500 | 45 | 400 | 330 | 248 | 66 | 180 | 16 | 127,78 |
| Фланец воротниковый ГОСТ 12821-80 1-350-100 ст.3 (20) | 655 | 560 | 52 | 460 | 382 | 332 | 72 | 195 | 170,94 | |
| Фланец воротниковый ГОСТ 12821-80 1-400-100 ст.3 (20) | 715 | 620 | 510 | 432 | 376 | 76 | 200 | 216,86 | ||
Цены на фланцы воротниковые
Завод металлоконструкций «Северозапад» предлагает предприятиям всех форм собственности приобрести по выгодным ценам фланцы воротниковые. Производство осуществляется с учетом требований и положений ГОСТ 12821. Продукция разрешена к применению на территории России без дополнительных ограничений и получения разрешений.
В ассортименте завода фланцы различных диаметров, типоразмеров. По заказу изготавливаются фланцы из морозоустойчивых видов стали. Стандартные варианты всегда есть в необходимом количестве на складе. Отгрузка осуществляется после согласования всех деталей заказа.
Завод «Северозапад» предлагает фланцевые изделия, необходимые при монтаже трубопроводов, водопроводных, отопительных систем, при подключении дополнительного оборудования или трубопроводной арматуры. Специальный воротник с отверстиями для болтов или гаек облегчает процесс сборки и монтажа. Соединение получается прочным, полностью исключаются протечки жидкости или иных перекачиваемых материалов.
Цена на фланцы воротниковые формируется с учетом множества факторов:
- диаметр изделия, наличие дополнительных прокладок;
- используемый материал, в том числе, морозостойкая сталь 09Г2С;
- прохождение дополнительной термической обработки;
- наличие особых условий или требований со стороны заказчика, изменение или изготовление изделий нестандартной формы, количества крепежных деталей;
- и т. д.
В каждом из случаев цена на фланцы остается оптимальной для клиента. Рассчитать полную стоимость заказа можно, заказав обратную связь на сайте завода. Вы получите полную и достоверную информацию о сроках поставки, ценах, возможных акциях и скидках.
Завод «Северозапад» предлагает фланцы воротниковые с доставкой во все регионы страны. Способ транспортировки согласовывается с заказчиком.
Фланцы стальные воротниковые по ГОСТ 12821-80 ( цены на май 2018г)
| Ду/Ру | Сталь 20Г2С | ||||||
|---|---|---|---|---|---|---|---|
| 16 | 25 | 40 | 63 | 100 | 160 | 200 | |
| 15 | 106 | 106 | 106 | 126 | 126 | 126 | * |
| 20 | 117 | 117 | 117 | 165 | 165 | 167 | * |
| 25 | 135 | 135 | 137 | 194 | 194 | 194 | * |
| 32 | 185 | 185 | 185 | 355 | * | * | * |
| 40 | 194 | 194 | 194 | к | * | * | * |
| 50 | 228 | 250 | 250 | 506 | 650 | 650 | * |
| 65 | 325 | 330 | 336 | 625 | * | * | * |
| 80 | 396 | 440 | 440 | 680 | 1 030 | 1 030 | * |
| 100 | 495 | 625 | 625 | 1 100 | 1 510 | 1 520 | к |
| 125 | 570 | 970 | 970 | 2 400 | 6 440 | 6 440 | * |
| 150 | 850 | 1 220 | 1 220 | 2 550 | 3 000 | 3 350 | * |
| 200 | 1 310 | 2 330 | 2 340 | 3 660 | 5 250 | 6 660 | |
| 250 | 1 830 | 3 770 | 3 770 | 5 030 | 14 450 | 16 200 | * |
| 300 | 2 750 | 3 680 | 5 900 | 7 300 | 14 000 | 15 500 | * |
| 350 | 3 650 | 7 300 | 7 320 | 16 900 | 28 600 | ||
| 400 | 5 300 | 7 950 | 16 100 | 16 200 | 23 400 | ||
| 500 | 8 800 | 12 300 | 17 300 | 33 000 | * | ||
| 600 | 14 200 | 16 100 | 29 400 | 43 500 | |||
| 700 | 19 600 | 29 300 | 39 400 | 62 000 | |||
| 800 | 25 300 | 38 500 | 62 000 | 72 500 | |||
| 1000 | 36 500 | 55 000 | * | ||||
| Ду/Ру | Сталь 09Г2С | ||||||
|---|---|---|---|---|---|---|---|
| 16 | 25 | 40 | 63 | 100 | 160 | 200 | |
| 15 | 121 | 121 | 121 | 151 | 151 | 151 | * |
| 20 | 140 | 140 | 140 | 198 | 198 | 201 | * |
| 25 | 158 | 158 | 160 | 229 | 230 | 230 | * |
| 32 | 206 | 206 | 206 | 376 | * | * | * |
| 40 | 215 | 215 | 215 | 458 | * | * | * |
| 50 | 264 | 272 | 272 | 540 | 680 | 680 | * |
| 65 | 335 | 362 | 370 | 660 | * | * | * |
| 80 | 480 | 528 | 528 | 720 | 1110 | 1110 | * |
| 100 | 620 | 750 | 760 | 1180 | 1580 | 1590 | * |
| 125 | 690 | 1020 | 1020 | 2700 | 6440 | 6440 | * |
| 150 | 915 | 1350 | 1350 | 2680 | 3500 | 3500 | * |
| 200 | 1380 | 2500 | 2520 | 3850 | 5800 | 7200 | * |
| 250 | 1920 | 3940 | 3940 | 5380 | 14450 | 16200 | * |
| 300 | 2860 | 6200 | 6200 | 8000 | 15900 | 17300 | * |
| 350 | 4400 | 8000 | 8050 | 16900 | 28600 | ||
| 400 | 5850 | 8750 | 17800 | 17800 | 25700 | ||
| 500 | 9620 | 13500 | 19100 | 33000 | |||
| 600 | 15600 | 17800 | 29400 | 43500 | |||
| 700 | 19 600 | 29 300 | 39 400 | 62 000 | |||
| 800 | 25 300 | 38 500 | 62 000 | 72 500 | |||
| 1000 | 36 500 | 55 000 | |||||
Фланцы нержавеющие AISI 304 воротниковые
| Наименование | Ед. | Стоимость, руб |
| Фланец Ду 15 , 21,3 мм Ру 16 | шт | 1045 |
| Фланец Ду 20 , 26,9 мм Ру 16 | шт | 1425 |
| Фланец Ду 25 , 33,7 мм Ру 16 | шт | 1520 |
| Фланец Ду 32 , 42,4 мм Ру 16 | шт | 1900 |
| Фланец Ду 40 , 48,3 мм Ру 16 | шт | 2660 |
| Фланец Ду 50 , 60,3 мм Ру 16 | шт | 3230 |
| Фланец Ду 65 , 76,1 мм Ру 16 | шт | 3800 |
| Фланец Ду 80 , 88,9 мм Ру 16 | шт | 4940 |
| Фланец Ду 100 , 114,3 мм Ру 16 | шт | 4860 |
| Фланец Ду 125 , 139,7 мм Ру 16 | шт | 6120 |
| Фланец Ду 150 , 168,3 мм Ру 16 | шт | 7200 |
| Фланец Ду 200 , 219,1 мм Ру 16 | шт | 9720 |
| Фланец Ду 250 , 273 мм Ру 16 | шт | 14220 |
| Фланец Ду 300 , 323,9 мм Ру 16 | шт | 22320 |
| Фланец Ду 350 , 323,9 мм Ру 16 | шт | 26820 |
| Фланец Ду 400 , 323,9 мм Ру 16 | шт | 28260 |
| Фланец Ду 450 , 323,9 мм Ру 16 | шт | 50220 |
Фланец воротниковый ГОСТ 12821-80 (прием. и отв.)
| Номенклатура.Группа | Прайс-лист | ||
| Артикул | Номенклатура, Упаковка | Номенклатура.Вес (нетто) | Включает НДС |
| Цена | |||
| 636317 | Фланцы Ду-15х63 (прием. и отв.), шт | 2,300 | 260,19 |
| 636318 | Фланцы Ду-15х63 (прием.), шт | 1,200 | 107,97 |
| 636319 | Фланцы Ду-20х63 (прием. и отв.), шт | 3,600 | 339,84 |
| 636320 | Фланцы Ду-20х63 (прием.), шт | 1,800 | 119,18 |
| 636322 | Фланцы Ду-25х63 (прием.), шт | 2,300 | 135,11 |
Фланец воротниковый ГОСТ 12821-80 Ру-10
| Номенклатура.Группа | Прайс-лист | ||
| Артикул | Номенклатура, Упаковка | Номенклатура.Вес (нетто) | Включает НДС |
| Цена | |||
| 56212310015 | Фланец 1-15-10, ГОСТ 12821-80, шт | 0,680 | 86,73 |
| 56212310020 | Фланец 1-20-10, ГОСТ 12821-80, шт | 0,870 | 109,60 |
| 56212310025 | Фланец 1-25-10, ГОСТ 12821-80, шт | 1,050 | 219,60 |
| 56212310032 | Фланец 1-32-10, ГОСТ 12821-80, шт | 1,540 | 228,90 |
| 56212310040 | Фланец 1-40-10, ГОСТ 12821-80, шт | 1,830 | 289,60 |
| 56212310050 | Фланец 1-50-10, ГОСТ 12821-80, шт | 2,260 | 298,80 |
| 56212310065 | Фланец 1-65-10, ГОСТ 12821-80, шт | 3,170 | 406,80 |
| 56212310080 | Фланец 1-80-10, ГОСТ 12821-80, шт | 3,670 | 523,20 |
| 56212310100 | Фланец 1-100-10, ГОСТ 12821-80, шт | 4,700 | 648,40 |
| 56212310125 | Фланец 1-125-10, ГОСТ 12821-80, шт | 6,710 | 881,10 |
| 56212310150 | Фланец 1-150-10, ГОСТ 12821-80, шт | 8,170 | 1 042,50 |
| 56212310200 | Фланец 1-200-10, ГОСТ 12821-80, шт | 11,350 | 1 952,30 |
| 56212310250 | Фланец 1-250-10, ГОСТ 12821-80, шт | 14,640 | 2 141,40 |
| 56212310300 | Фланец 1-300-10, ГОСТ 12821-80, шт | 18,660 | 3 250,60 |
| 56212310400 | Фланец 1-400-10, ГОСТ 12821-80, шт | 30,000 | 6 517,90 |
| 56212310500 | Фланец 1-500-10, ГОСТ 12821-80, шт | 39,200 | 11 593,70 |
| 56212310600 | Фланец 1-600-10, ГОСТ 12821-80, шт | 48,800 | 11 879,30 |
| 56212310800 | Фланец 1-800-10, ГОСТ 12821-80, шт | 87,240 | 16 132,80 |
Фланец воротниковый ГОСТ 12821-80 Ру-16
| Номенклатура.Группа | Прайс-лист | ||
| Артикул | Номенклатура, Упаковка | Номенклатура.Вес (нетто) | Включает НДС |
| Цена | |||
| 56212410015 | Фланец 1-15-16, ГОСТ 12821-80, шт | 0,680 | 131,20 |
| 56212410020 | Фланец 1-20-16, ГОСТ 12821-80, шт | 0,870 | 175,60 |
| 56212410025 | Фланец 1-25-16, ГОСТ 12821-80, шт | 1,050 | 219,60 |
| 56212410032 | Фланец 1-32-16, ГОСТ 12821-80, шт | 1,540 | 269,60 |
| 56212410040 | Фланец 1-40-16, ГОСТ 12821-80, шт | 1,850 | 295,60 |
| 56212410050 | Фланец 1-50-16, ГОСТ 12821-80, шт | 2,280 | 305,60 |
| 56212410065 | Фланец 1-65-16, ГОСТ 12821-80, шт | 3,190 | 499,80 |
| 56212410080 | Фланец 1-80-16, ГОСТ 12821-80, шт | 4,210 | 526,30 |
| 56212410100 | Фланец 1-100-16, ГОСТ 12821-80, шт | 4,900 | 648,80 |
| 56212410125 | Фланец 1-125-16, ГОСТ 12821-80, шт | 6,750 | 1 035,50 |
| 56212410150 | Фланец 1-150-16, ГОСТ 12821-80, шт | 8,300 | 1 270,30 |
| 56212410200 | Фланец 1-200-16, ГОСТ 12821-80, шт | 11,790 | 1 875,80 |
| 56212410250 | Фланец 1-250-16, ГОСТ 12821-80, шт | 17,360 | 2 785,50 |
| 56212410300 | Фланец 1-300-16, ГОСТ 12821-80, шт | 22,760 | 3 581,30 |
| 56212410350 | Фланец 1-350-16, ГОСТ 12821-80, шт | 32,040 | 5 498,60 |
| 56212410400 | Фланец 1-400-16, ГОСТ 12821-80, шт | 43,000 | 6 975,40 |
| 56212410500 | Фланец 1-500-16, ГОСТ 12821-80, шт | 70,970 | 11 593,70 |
| 56212410600 | Фланец 1-600-16, ГОСТ 12821-80, шт | 99,300 | 15 486,80 |
| 56212420020 | Фланец 2-20-16, ГОСТ 12821-80, шт | 0,870 | 175,60 |
| 56212420040 | Фланец 2-40-16, ГОСТ 12821-80, шт | 1,810 | 302,90 |
| 56212420050 | Фланец 2-50-16, ГОСТ 12821-80, шт | 2,240 | 354,40 |
| 56212420080 | Фланец 2-80-16, ГОСТ 12821-80, шт | 4,150 | 535,13 |
| 56212420100 | Фланец 2-100-16, ГОСТ 12821-80, шт | 4,500 | 777,60 |
| 56212420150 | Фланец 2-150-16, ГОСТ 12821-80, шт | 8,280 | 1 356,70 |
| 56212420200 | Фланец 2-200-16, ГОСТ 12821-80, шт | 11,720 | 1 795,60 |
| 56212420300 | Фланец 2-300-16, ГОСТ 12821-80, шт | 22,650 | 3 149,42 |
| 56212420500 | Фланец 2-500-16, ГОСТ 12821-80, шт | 70,790 | 13 911,60 |
Фланец воротниковый ГОСТ 12821-80 Ру-25
| Номенклатура.Группа | Прайс-лист | ||
| Артикул | Номенклатура, Упаковка | Номенклатура.Вес (нетто) | Включает НДС |
| Цена | |||
| 56212510015 | Фланец 1-15-25, ГОСТ 12821-80, шт | 0,790 | 132,10 |
| 56212510020 | Фланец 1-20-25, ГОСТ 12821-80, шт | 0,970 | 175,60 |
| 56212510025 | Фланец 1-25-25, ГОСТ 12821-80, шт | 1,180 | 218,80 |
| 56212510032 | Фланец 1-32-25, ГОСТ 12821-80, шт | 1,830 | 269,60 |
| 56212510040 | Фланец 1-40-25, ГОСТ 12821-80, шт | 1,430 | 295,60 |
| 56212510050 | Фланец 1-50-25, ГОСТ 12821-80, шт | 2,780 | 354,60 |
| 56212510065 | Фланец 1-65-25, ГОСТ 12821-80, шт | 3,710 | 546,80 |
| 56212510080 | Фланец 1-80-25, ГОСТ 12821-80, шт | 4,440 | 618,70 |
| 56212510100 | Фланец 1-100-25, ГОСТ 12821-80, шт | 6,510 | 870,30 |
| 56212510125 | Фланец 1-125-25, ГОСТ 12821-80, шт | 9,410 | 1 111,56 |
| 56212510150 | Фланец 1-150-25, ГОСТ 12821-80, шт | 12,520 | 1 698,70 |
| 56212510200 | Фланец 1-200-25, ГОСТ 12821-80, шт | 17,440 | 2 590,10 |
| 56212510250 | Фланец 1-250-25, ГОСТ 12821-80, шт | 24,400 | 3 789,80 |
| 56212510300 | Фланец 1-300-25, ГОСТ 12821-80, шт | 33,290 | 5 298,60 |
| 56212510400 | Фланец 1-400-25, ГОСТ 12821-80, шт | 64,810 | 9 475,30 |
| 56212510500 | Фланец 1-500-25, ГОСТ 12821-80, шт | 88,910 | 12 598,20 |
| 56212510800 | Фланец 1-800-25, ГОСТ 12821-80, шт | 213,900 | 24 720,80 |
| 56212520015 | Фланец 2-15-25, ГОСТ 12821-80, шт | 0,780 | 159,89 |
| 56212520020 | Фланец 2-20-25, ГОСТ 12821-80, шт | 0,990 | 178,18 |
| 56212520065 | Фланец 2-65-25, ГОСТ 12821-80, шт | 3,620 | 601,40 |
| 56212520080 | Фланец 2-80-25, ГОСТ 12821-80, шт | 4,320 | 681,40 |
| 56212520250 | Фланец 2-250-25, ГОСТ 12821-80, шт | 17,400 | 3 844,44 |
| 56212520400 | Фланец 2-400-25, ГОСТ 12821-80, шт | 63,580 | 9 520,24 |
| 56212520500 | Фланец 2-500-25, ГОСТ 12821-80, шт | 88,200 | 11 250,12 |
| 56212520600 | Фланец 2-600-25, ГОСТ 12821-80, шт | 123,700 | 17 000,26 |
Фланец воротниковый ГОСТ 12821-80 Ру-40
| Номенклатура.Группа | Прайс-лист | ||
| Артикул | Номенклатура, Упаковка | Номенклатура.Вес (нетто) | Включает НДС |
| Цена | |||
| 56212610015 | Фланец 1-15-40, ГОСТ 12821-80, шт | 0,790 | 158,16 |
| 56212610020 | Фланец 1-20-40, ГОСТ 12821-80, шт | 0,970 | 189,80 |
| 56212610025 | Фланец 1-25-40, ГОСТ 12821-80, шт | 1,180 | 224,70 |
Завод «Северозапад» осуществляет доставку продукции по всей России. Мы предоставляем:
- Широкий ассортимент продукции;
- Производство только из сырья высокого качества;
- Доставка в заранее установленные сроки;
- Сохранность целостности изделий при перевозке;
- Профессионально налаженная логистика;
- Доставка как на склад, так и на объект покупателя;
- Доставляем изделия любых габаритов и формы.
Для постоянных клиентов у нас разработана система скидок, которая позволяет вам еще более выгодно сотрудничать с нами. Воспользуйтесь онлайн калькулятором в разделе меню “Доставка”, чтобы узнать стоимость доставки до места назначения.