Заказать
Наши менеджеры обязательно свяжутся с вами и уточнят условия заказа
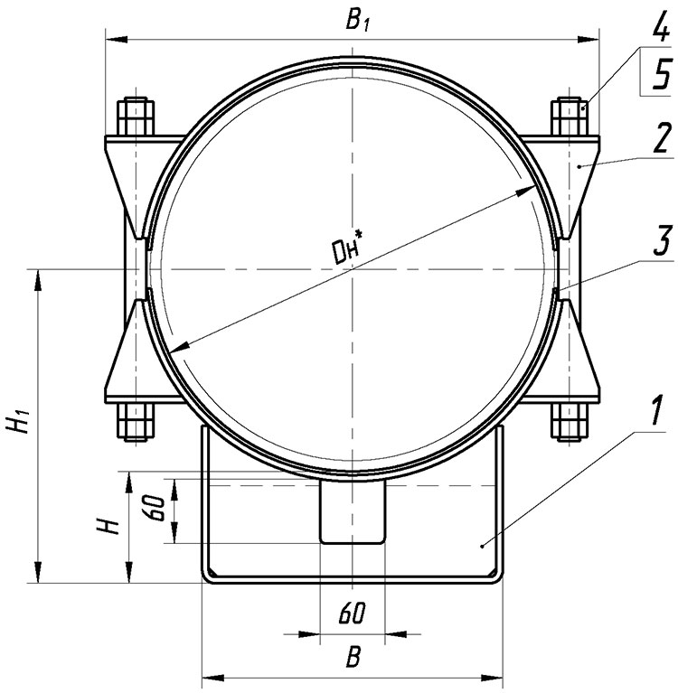
Опора хомутовая неподвижная ТПР.04.01(2).00.000
Конструкция и размеры
Таблица №1
| Обозначение | Dн, мм | Размеры, мм | Допускаемые нагрузки кН | Масса, кг, не более | |||||
|---|---|---|---|---|---|---|---|---|---|
| H | H1 | B | B1 | Вертикальная Qy | Осевая Pz при | ||||
| Px=Pz | Px=0,5Pz | ||||||||
| ТПР.04.01(2).00.000-00 | 57 | 100 | 128 | 50 | 142 | 2,5 | 15 | 15 | 4,79 |
| ТПР.04.01(2).00.000-01 | 57 | 150 | 178 | 50 | 142 | 2,5 | 15 | 15 | 6,10 |
| ТПР.04.01(2).00.000-02 | 76 | 100 | 138 | 50 | 160 | 3,0 | 15 | 15 | 4,94 |
| ТПР.04.01(2).00.000-03 | 76 | 150 | 188 | 50 | 160 | 3,0 | 15 | 15 | 6,26 |
| ТПР.04.01(2).00.000-04 | 89 | 100 | 145 | 50 | 179 | 5,0 | 15 | 15 | 5,07 |
| ТПР.04.01(2).00.000-05 | 89 | 150 | 195 | 50 | 179 | 5,0 | 15 | 15 | 6,41 |
| ТПР.04.01(2).00.000-06 | 108 | 100 | 154 | 90 | 200 | 6,0 | 30 | 45 | 7,93 |
| ТПР.04.01(2).00.000-07 | 108 | 150 | 204 | 90 | 200 | 6,0 | 25 | 38 | 9,24 |
| ТПР.04.01(2).00.000-08 | 133 | 100 | 167 | 90 | 250 | 8,0 | 30 | 45 | 8,98 |
| ТПР.04.01(2).00.000-09 | 133 | 150 | 217 | 90 | 250 | 8,0 | 25 | 38 | 10,48 |
| ТПР.04.01(2).00.000-10 | 159 | 100 | 180 | 90 | 275 | 10,0 | 30 | 45 | 9,49 |
| ТПР.04.01(2).00.000-11 | 159 | 150 | 230 | 90 | 275 | 10,0 | 25 | 38 | 11,01 |
| ТПР.04.01(2).00.000-12 | 219 | 100 | 210 | 200 | 365 | 25,0 | 60 | 85 | 18,47 |
| ТПР.04.01(2).00.000-13 | 219 | 150 | 260 | 200 | 365 | 25,0 | 50 | 70 | 20,54 |
| ТПР.04.01(2).00.000-14 | 273 | 100 | 237 | 200 | 420 | 40,0 | 60 | 85 | 22,72 |
| ТПР.04.01(2).00.000-15 | 273 | 150 | 287 | 200 | 420 | 40,0 | 50 | 70 | 25,78 |
| ТПР.04.01(2).00.000-16 | 325 | 100 | 263 | 200 | 470 | 70,0 | 60 | 85 | 23,34 |
| ТПР.04.01(2).00.000-17 | 325 | 150 | 313 | 200 | 470 | 70,0 | 50 | 70 | 26,85 |
| ТПР.04.01(2).00.000-18 | 377 | 100 | 289 | 200 | 525 | 70,0 | 60 | 85 | 25,69 |
| ТПР.04.01(2).00.000-19 | 377 | 150 | 339 | 200 | 525 | 70,0 | 50 | 70 | 28,73 |
| ТПР.04.01(2).00.000-20 | 426 | 100 | 313 | 200 | 575 | 80,0 | 90 | 125 | 32,68 |
| ТПР.04.01(2).00.000-21 | 426 | 150 | 363 | 200 | 575 | 80,0 | 80 | 110 | 36,70 |
| ТПР.04.01(2).00.000-22 | 530 | 100 | 365 | 300 | 706 | 120,0 | 110 | 145 | 49,25 |
| ТПР.04.01(2).00.000-23 | 530 | 150 | 415 | 300 | 706 | 120,0 | 100 | 130 | 54,23 |
| ТПР.04.01(2).00.000-24 | 630 | 100 | 415 | 300 | 805 | 120,0 | 110 | 145 | 53,09 |
| ТПР.04.01(2).00.000-25 | 630 | 150 | 465 | 300 | 805 | 120,0 | 100 | 130 | 58,09 |
| ТПР.04.01(2).00.000-26 | 720 | 100 | 460 | 400 | 895 | 160,0 | 110 | 146 | 62,06 |
| ТПР.04.01(2).00.000-27 | 720 | 150 | 510 | 400 | 895 | 160,0 | 100 | 130 | 78,44 |
| ТПР.04.01(2).00.000-28 | 114 | 100 | 157 | 90 | 210 | 6,0 | 30 | 45 | 8,09 |
| ТПР.04.01(2).00.000-29 | 114 | 150 | 207 | 90 | 210 | 6,0 | 25 | 38 | 9,40 |
| ТПР.04.01(2).00.000-30 | 168 | 100 | 184 | 90 | 285 | 6,0 | 30 | 45 | 9,65 |
| ТПР.04.01(2).00.000-31 | 168 | 150 | 234 | 90 | 285 | 6,0 | 25 | 38 | 11,17 |
Опора подвижная ТПР.05.06(3).00.000
Конструкция и размеры

Таблица №2
| Обозначение | Dн, мм | Размеры, мм | Масса, кг, не более | |||
|---|---|---|---|---|---|---|
| h | h1 | H | B | |||
| ТПР.05.06(3).00.000 | 12-16 | 70 | 78 | 123 | 50 | 0,91 |
| ТПР.05.06(3).00.000-01 | 12-16 | 100 | 108 | 153 | 50 | 1,05 |
| ТПР.05.06(3).00.000-02 | 17-21 | 70 | 80 | 127 | 50 | 0,92 |
| ТПР.05.06(3).00.000-03 | 17-21 | 100 | 110 | 157 | 50 | 1,06 |
| ТПР.05.06(3).00.000-04 | 22-27 | 70 | 83 | 133 | 50 | 0,94 |
| ТПР.05.06(3).00.000-05 | 22-27 | 100 | 113 | 163 | 50 | 1,08 |
| ТПР.05.06(3).00.000-06 | 28-34 | 70 | 87 | 141 | 50 | 0,98 |
| ТПР.05.06(3).00.000-07 | 28-34 | 100 | 117 | 171 | 50 | 1,12 |
| ТПР.05.06(3).00.000-08 | 35-42 | 70 | 91 | 149 | 100 | 1,36 |
| ТПР.05.06(3).00.000-09 | 35-42 | 100 | 121 | 179 | 100 | 1,50 |
| ТПР.05.06(3).00.000-10 | 45-50 | 70 | 95 | 157 | 100 | 1,39 |
| ТПР.05.06(3).00.000-11 | 45-50 | 100 | 125 | 187 | 100 | 1,53 |
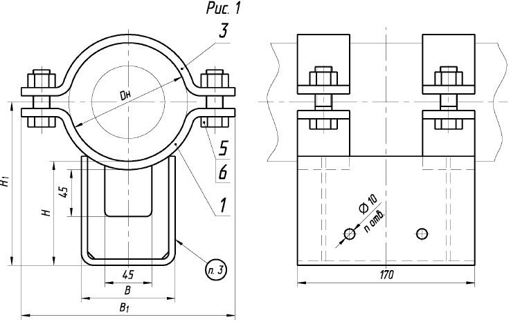
Опора подвижная ТПР.05.11(1).00.000
Конструкция и размеры
Таблица №3
| Обозначение | Рис. | Dн, мм | Размеры | Осевое перемещение трубопровода, мм, не более | Допускаемая вертикальная нагрузка Qy, кН | Масса, кг, не более | |||||
|---|---|---|---|---|---|---|---|---|---|---|---|
| H | H1 | B | B1 | L | n | ||||||
| ТПР.05.11(4).00.000-00 | 1 | 57 | 100 | 129 | 50 | 142 | 340 | 8 | 250 | 2,5 | 4,39 |
| ТПР.05.11(4).00.000-01 | 1 | 57 | 150 | 179 | 50 | 142 | 340 | 8 | 250 | 2,5 | 5,70 |
| ТПР.05.11(4).00.000-02 | 1 | 76 | 100 | 138 | 50 | 160 | 340 | 8 | 250 | 3,0 | 4,54 |
| ТПР.05.11(4).00.000-03 | 1 | 76 | 150 | 188 | 50 | 160 | 340 | 8 | 250 | 3,0 | 5,86 |
| ТПР.05.11(4).00.000-04 | 1 | 89 | 100 | 145 | 50 | 179 | 340 | 8 | 250 | 5,0 | 4,67 |
| ТПР.05.11(4).00.000-05 | 1 | 89 | 150 | 195 | 50 | 179 | 340 | 8 | 250 | 5,0 | 6,01 |
| ТПР.05.11(4).00.000-06 | 1 | 108 | 100 | 154 | 90 | 200 | 340 | 8 | 250 | 6,0 | 7,41 |
| ТПР.05.11(4).00.000-07 | 1 | 108 | 150 | 204 | 90 | 200 | 340 | 8 | 250 | 6,0 | 8,72 |
| ТПР.05.11(4).00.000-08 | 1 | 133 | 100 | 167 | 90 | 250 | 340 | 8 | 250 | 8,0 | 8,02 |
| ТПР.05.11(4).00.000-09 | 1 | 133 | 150 | 217 | 90 | 250 | 340 | 8 | 250 | 8,0 | 9,52 |
| ТПР.05.11(4).00.000-10 | 1 | 159 | 100 | 180 | 90 | 275 | 340 | 8 | 250 | 10,0 | 8,53 |
| ТПР.05.11(4).00.000-11 | 1 | 159 | 150 | 230 | 90 | 275 | 340 | 8 | 250 | 10,0 | 10,05 |
| ТПР.05.11(4).00.000-12 | 1 | 219 | 100 | 210 | 200 | 365 | 340 | 8 | 250 | 25,0 | 16,59 |
| ТПР.05.11(4).00.000-13 | 1 | 219 | 150 | 260 | 200 | 365 | 340 | 8 | 250 | 25,0 | 18,66 |
| ТПР.05.11(4).00.000-14 | 1 | 273 | 100 | 237 | 200 | 420 | 340 | 8 | 250 | 40,0 | 20,84 |
| ТПР.05.11(4).00.000-15 | 1 | 273 | 150 | 287 | 200 | 420 | 340 | 8 | 250 | 40,0 | 23,90 |
| ТПР.05.11(4).00.000-16 | 1 | 325 | 100 | 263 | 200 | 470 | 340 | 8 | 250 | 70,0 | 21,46 |
| ТПР.05.11(4).00.000-17 | 1 | 325 | 150 | 313 | 200 | 470 | 340 | 8 | 250 | 70,0 | 24,97 |
| ТПР.05.11(4).00.000-18 | 2 | 377 | 100 | 289 | 200 | 525 | 340 | 8 | 250 | 70,0 | 25,69 |
| ТПР.05.11(4).00.000-19 | 2 | 377 | 150 | 339 | 200 | 525 | 340 | 8 | 250 | 70,0 | 28,73 |
| ТПР.05.11(4).00.000-20 | 2 | 426 | 100 | 313 | 200 | 575 | 340 | 8 | 250 | 80,0 | 32,68 |
| ТПР.05.11(4).00.000-21 | 2 | 426 | 150 | 363 | 200 | 575 | 340 | 8 | 250 | 80,0 | 36,70 |
| ТПР.05.11(4).00.000-22 | 2 | 530 | 100 | 365 | 300 | 705 | 340 | 8 | 250 | 120,0 | 49,25 |
| ТПР.05.11(4).00.000-23 | 2 | 530 | 150 | 415 | 300 | 705 | 340 | 8 | 250 | 120,0 | 54,23 |
| ТПР.05.11(4).00.000-24 | 2 | 630 | 100 | 415 | 300 | 805 | 340 | 8 | 250 | 120,0 | 53,09 |
| ТПР.05.11(4).00.000-25 | 2 | 630 | 150 | 465 | 300 | 805 | 340 | 8 | 250 | 120,0 | 58,09 |
| ТПР.05.11(4).00.000-26 | 2 | 720 | 100 | 460 | 400 | 895 | 340 | 8 | 250 | 160,0 | 62,06 |
| ТПР.05.11(4).00.000-27 | 2 | 720 | 150 | 510 | 400 | 895 | 340 | 8 | 250 | 160,0 | 78,44 |
| ТПР.05.11(4).00.000-28 | 1 | 57 | 100 | 129 | 50 | 142 | 170 | 6 | 90 | 2,5 | 2,98 |
| ТПР.05.11(4).00.000-29 | 1 | 57 | 150 | 179 | 50 | 142 | 170 | 6 | 90 | 2,5 | 3,66 |
| ТПР.05.11(4).00.000-30 | 1 | 76 | 100 | 138 | 50 | 160 | 170 | 6 | 90 | 3,0 | 3,14 |
| ТПР.05.11(4).00.000-31 | 1 | 76 | 150 | 188 | 50 | 160 | 170 | 6 | 90 | 3,0 | 3,85 |
| ТПР.05.11(4).00.000-32 | 1 | 89 | 100 | 145 | 50 | 179 | 170 | 6 | 90 | 5,0 | 3,30 |
| ТПР.05.11(4).00.000-33 | 1 | 89 | 150 | 195 | 50 | 179 | 170 | 6 | 90 | 5,0 | 4,00 |
| ТПР.05.11(4).00.000-34 | 1 | 108 | 100 | 154 | 90 | 200 | 170 | 6 | 90 | 6,0 | 5,52 |
| ТПР.05.11(4).00.000-35 | 1 | 108 | 150 | 204 | 90 | 200 | 170 | 6 | 90 | 6,0 | 6,34 |
| ТПР.05.11(4).00.000-36 | 1 | 133 | 100 | 167 | 90 | 250 | 170 | 6 | 90 | 8,0 | 6,26 |
| ТПР.05.11(4).00.000-37 | 1 | 133 | 150 | 217 | 90 | 250 | 170 | 6 | 90 | 8,0 | 7,06 |
| ТПР.05.11(4).00.000-38 | 1 | 159 | 100 | 180 | 90 | 275 | 170 | 6 | 90 | 10,0 | 6,79 |
| ТПР.05.11(4).00.000-39 | 1 | 159 | 150 | 230 | 90 | 275 | 170 | 6 | 90 | 10,0 | 7,61 |
| ТПР.05.11(4).00.000-40 | 1 | 219 | 100 | 210 | 200 | 365 | 170 | 6 | 90 | 25,0 | 13,48 |
| ТПР.05.11(4).00.000-41 | 1 | 219 | 150 | 260 | 200 | 365 | 170 | 6 | 90 | 25,0 | 14,68 |
| ТПР.05.11(4).00.000-42 | 1 | 273 | 100 | 237 | 200 | 420 | 170 | 6 | 90 | 25,0 | 16,53 |
| ТПР.05.11(4).00.000-43 | 1 | 273 | 150 | 287 | 200 | 420 | 170 | 6 | 90 | 25,0 | 18,30 |
| ТПР.05.11(4).00.000-44 | 1 | 325 | 100 | 263 | 200 | 470 | 170 | 6 | 90 | 50,0 | 17,78 |
| ТПР.05.11(4).00.000-45 | 1 | 325 | 150 | 313 | 200 | 470 | 170 | 6 | 90 | 50,0 | 19,53 |
| ТПР.05.11(4).00.000-46 | 2 | 377 | 100 | 289 | 200 | 525 | 170 | 6 | 90 | 50,0 | 21,64 |
| ТПР.05.11(4).00.000-47 | 2 | 377 | 150 | 339 | 200 | 525 | 170 | 6 | 90 | 59,0 | 26,45 |
| ТПР.05.11(4).00.000-48 | 2 | 426 | 100 | 313 | 200 | 575 | 170 | 6 | 90 | 60,0 | 27,50 |
| ТПР.05.11(4).00.000-49 | 2 | 426 | 150 | 363 | 200 | 575 | 170 | 6 | 90 | 60,0 | 29,81 |
| ТПР.05.11(4).00.000-50 | 2 | 530 | 100 | 365 | 300 | 706 | 170 | 6 | 90 | 80,0 | 42,01 |
| ТПР.05.11(4).00.000-51 | 2 | 530 | 150 | 415 | 300 | 706 | 170 | 6 | 90 | 80,0 | 44,98 |
| ТПР.05.11(4).00.000-52 | 2 | 630 | 100 | 415 | 300 | 805 | 170 | 6 | 90 | 80,0 | 45,74 |
| ТПР.05.11(4).00.000-53 | 2 | 630 | 150 | 465 | 300 | 805 | 170 | 6 | 90 | 80,0 | 48,71 |
| ТПР.05.11(4).00.000-54 | 2 | 720 | 100 | 460 | 400 | 895 | 170 | 6 | 90 | 80,0 | 52,82 |
| ТПР.05.11(4).00.000-55 | 2 | 720 | 150 | 510 | 400 | 895 | 170 | 6 | 90 | 80,0 | 56,13 |
| ТПР.05.11(4).00.000-56 | 1 | 114 | 100 | 157 | 90 | 210 | 170 | 6 | 90 | 6,0 | 5,98 |
| ТПР.05.11(4).00.000-57 | 1 | 114 | 150 | 207 | 90 | 210 | 170 | 6 | 90 | 6,0 | 6,81 |
| ТПР.05.11(4).00.000-58 | 1 | 168 | 100 | 184 | 90 | 285 | 170 | 6 | 90 | 10,0 | 7,84 |
| ТПР.05.11(4).00.000-59 | 1 | 168 | 150 | 234 | 90 | 285 | 170 | 6 | 90 | 10,0 | 8,81 |
Опора подвижная ТПР.05.15(1).00.000
Конструкция и размеры



Таблица №4
| Обозначение | Dн, мм | Размеры | Допускаемые нагрузка, кН | Масса, кг, не более | |||||||||
|---|---|---|---|---|---|---|---|---|---|---|---|---|---|
| H | H1 | B | B1 | b | L | a | e | Вертикальная, Qy | Осевая, Q | Боковая, Т | |||
| ТПР.05.15(1).00.000-00 | 377 | 100 | 290 | 280 | 450 | 60 | 340 | 8 | 5 | 70 | 380 | 200 | 42,5 |
| ТПР.05.15(1).00.000-01 | 377 | 150 | 340 | 280 | 450 | 60 | 340 | 8 | 5 | 70 | 380 | 200 | 45,8 |
| ТПР.05.15(1).00.000-02 | 377 | 200 | 390 | 280 | 450 | 60 | 340 | 8 | 5 | 70 | 380 | 200 | 54,1 |
| ТПР.05.15(1).00.000-03 | 426 | 100 | 315 | 280 | 515 | 60 | 340 | 8 | 5 | 70 | 350 | 200 | 49,5 |
| ТПР.05.15(1).00.000-04 | 426 | 150 | 365 | 280 | 515 | 60 | 340 | 8 | 5 | 70 | 350 | 200 | 53,2 |
| ТПР.05.15(1).00.000-05 | 426 | 200 | 415 | 280 | 515 | 60 | 340 | 8 | 5 | 70 | 350 | 200 | 56,3 |
| ТПР.05.15(1).00.000-06 | 480 | 100 | 340 | 380 | 580 | 60 | 340 | 10 | 4 | 125 | 400 | 250 | 73,8 |
| ТПР.05.15(1).00.000-07 | 480 | 150 | 390 | 380 | 580 | 60 | 340 | 10 | 4 | 125 | 400 | 250 | 79,5 |
| ТПР.05.15(1).00.000-08 | 480 | 200 | 440 | 380 | 580 | 60 | 340 | 10 | 4 | 125 | 400 | 250 | 85,1 |
| ТПР.05.15(1).00.000-09 | 530 | 100 | 365 | 380 | 630 | 60 | 340 | 10 | 4 | 125 | 450 | 250 | 79,6 |
| ТПР.05.15(1).00.000-10 | 530 | 150 | 415 | 380 | 630 | 60 | 340 | 10 | 4 | 125 | 450 | 250 | 85,1 |
| ТПР.05.15(1).00.000-11 | 530 | 200 | 465 | 380 | 630 | 60 | 340 | 10 | 4 | 125 | 450 | 250 | 90,8 |
| ТПР.05.15(1).00.000-12 | 630 | 100 | 415 | 380 | 750 | 60 | 340 | 10 | 4 | 125 | 500 | 250 | 97,8 |
| ТПР.05.15(1).00.000-13 | 630 | 150 | 465 | 380 | 750 | 60 | 340 | 10 | 4 | 125 | 500 | 250 | 103,5 |
| ТПР.05.15(1).00.000-14 | 630 | 200 | 515 | 380 | 750 | 60 | 340 | 10 | 4 | 125 | 500 | 250 | 109,2 |
| ТПР.05.15(1).00.000-15 | 720 | 100 | 460 | 500 | 860 | 70 | 680 | 10 | 4 | 220 | 650 | 350 | 189,5 |
| ТПР.05.15(1).00.000-16 | 720 | 150 | 510 | 500 | 860 | 70 | 680 | 10 | 4 | 220 | 650 | 350 | 201,3 |
| ТПР.05.15(1).00.000-17 | 720 | 200 | 560 | 500 | 860 | 70 | 680 | 10 | 4 | 220 | 650 | 350 | 213,3 |
| ТПР.05.15(1).00.000-18 | 820 | 100 | 510 | 500 | 975 | 70 | 680 | 10 | 4 | 220 | 750 | 350 | 206,4 |
| ТПР.05.15(1).00.000-19 | 820 | 150 | 560 | 500 | 975 | 70 | 680 | 10 | 4 | 220 | 750 | 350 | 215,4 |
| ТПР.05.15(1).00.000-20 | 820 | 200 | 610 | 500 | 975 | 70 | 680 | 10 | 4 | 220 | 750 | 350 | 227,3 |
| ТПР.05.15(1).00.000-21 | 920 | 100 | 560 | 500 | 1085 | 70 | 680 | 10 | 4 | 360 | 850 | 350 | 258,6 |
| ТПР.05.15(1).00.000-22 | 920 | 150 | 610 | 500 | 1085 | 70 | 680 | 10 | 4 | 360 | 850 | 350 | 270,9 |
| ТПР.05.15(1).00.000-23 | 920 | 200 | 660 | 500 | 1085 | 70 | 680 | 10 | 4 | 360 | 850 | 350 | 282,7 |
| ТПР.05.15(1).00.000-24 | 1020 | 100 | 610 | 700 | 1185 | 70 | 680 | 10 | 4 | 360 | 1000 | 600 | 333,3 |
| ТПР.05.15(1).00.000-25 | 1020 | 150 | 660 | 700 | 1185 | 70 | 680 | 10 | 4 | 360 | 1000 | 600 | 352,1 |
| ТПР.05.15(1).00.000-26 | 1020 | 200 | 710 | 700 | 1185 | 70 | 680 | 10 | 4 | 360 | 1000 | 600 | 378,9 |
| ТПР.05.15(1).00.000-27 | 1220 | 100 | 710 | 700 | 1400 | 70 | 680 | 10 | 4 | 480 | 1300 | 600 | 358,3 |
| ТПР.05.15(1).00.000-28 | 1220 | 150 | 760 | 700 | 1400 | 70 | 680 | 10 | 4 | 480 | 1300 | 600 | 377,0 |
| ТПР.05.15(1).00.000-29 | 1220 | 200 | 810 | 700 | 1400 | 70 | 680 | 10 | 4 | 480 | 1300 | 600 | 395,9 |
| ТПР.05.15(1).00.000-30 | 1420 | 100 | 810 | 700 | 1600 | 70 | 680 | 10 | 4 | 600 | 1800 | 600 | 401,8 |
| ТПР.05.15(1).00.000-31 | 1420 | 150 | 860 | 700 | 1600 | 70 | 680 | 10 | 4 | 600 | 1800 | 600 | 420,7 |
| ТПР.05.15(1).00.000-32 | 1420 | 200 | 910 | 700 | 1600 | 70 | 680 | 10 | 4 | 600 | 1800 | 600 | 439,4 |
Опора подвижная ТПР.05.18(1).00.000
Конструкция и размеры

Таблица №4
| Обозначение | Dн, мм | Размеры, мм | Масса, кг, не более | |||||
|---|---|---|---|---|---|---|---|---|
| H* | H1* | B* | L* | b* | S*=K1 | |||
| ТПР.05.18(1).00.000 | 133 | 100 | 119 | 110 | 50 | 45 | 3 | 3,6 |
| ТПР.05.18(1).00.000-01 | 133 | 150 | 169 | 110 | 50 | 45 | 3 | 5,0 |
| ТПР.05.18(1).00.000-02 | 159 | 100 | 114 | 110 | 50 | 45 | 3 | 3,7 |
| ТПР.05.18(1).00.000-03 | 159 | 150 | 164 | 110 | 50 | 45 | 3 | 4,9 |
| ТПР.05.18(1).00.000-04 | 168 | 100 | 113 | 110 | 50 | 45 | 3 | 3,6 |
| ТПР.05.18(1).00.000-05 | 168 | 150 | 163 | 110 | 50 | 45 | 3 | 4,8 |
| ТПР.05.18(1).00.000-06 | 194 | 100 | 148 | 180 | 50 | 45 | 3 | 5,6 |
| ТПР.05.18(1).00.000-07 | 194 | 150 | 198 | 180 | 50 | 45 | 3 | 7,0 |
| ТПР.05.18(1).00.000-08 | 219 | 100 | 136 | 180 | 50 | 45 | 3 | 5,3 |
| ТПР.05.18(1).00.000-09 | 219 | 150 | 186 | 180 | 50 | 45 | 3 | 6,8 |
| ТПР.05.18(1).00.000-10 | 273 | 100 | 125 | 180 | 50 | 45 | 3 | 5,1 |
| ТПР.05.18(1).00.000-11 | 273 | 150 | 175 | 180 | 50 | 45 | 3 | 6,6 |
| ТПР.05.18(1).00.000-12 | 325 | 100 | 165 | 280 | 50 | 60 | 4 | 10,1 |
| ТПР.05.18(1).00.000-13 | 325 | 150 | 215 | 280 | 50 | 60 | 4 | 12,5 |
| ТПР.05.18(1).00.000-14 | 377 | 100 | 152 | 280 | 50 | 60 | 4 | 9,7 |
| ТПР.05.18(1).00.000-15 | 377 | 150 | 202 | 280 | 50 | 60 | 4 | 12,1 |
| ТПР.05.18(1).00.000-16 | 426 | 100 | 142 | 280 | 50 | 60 | 4 | 9,6 |
| ТПР.05.18(1).00.000-17 | 426 | 150 | 192 | 280 | 50 | 60 | 4 | 11,8 |
| ТПР.05.18(1).00.000-18 | 480 | 100 | 174 | 380 | 50 | 60 | 6 | 19,0 |
| ТПР.05.18(1).00.000-19 | 480 | 150 | 224 | 380 | 50 | 60 | 6 | 23,3 |
| ТПР.05.18(1).00.000-20 | 530 | 100 | 164 | 380 | 50 | 60 | 6 | 18,5 |
| ТПР.05.18(1).00.000-21 | 530 | 150 | 214 | 380 | 50 | 60 | 6 | 22,3 |
| ТПР.05.18(1).00.000-22 | 630 | 100 | 150 | 380 | 50 | 80 | 6 | 17,8 |
| ТПР.05.18(1).00.000-23 | 630 | 150 | 200 | 380 | 50 | 80 | 6 | 22,1 |
| ТПР.05.18(1).00.000-24 | 720 | 100 | 185 | 500 | 80 | 80 | 6 | 25,7 |
| ТПР.05.18(1).00.000-25 | 720 | 150 | 235 | 500 | 80 | 80 | 6 | 30,8 |
| ТПР.05.18(1).00.000-26 | 820 | 100 | 172 | 500 | 80 | 80 | 6 | 24,9 |
| ТПР.05.18(1).00.000-27 | 820 | 150 | 222 | 500 | 80 | 80 | 6 | 30,0 |
| ТПР.05.18(1).00.000-28 | 920 | 100 | 158 | 500 | 80 | 80 | 8 | 31,9 |
| ТПР.05.18(1).00.000-29 | 920 | 150 | 208 | 500 | 80 | 80 | 8 | 38,7 |
| ТПР.05.18(1).00.000-30 | 1020 | 100 | 218 | 700 | 80 | 80 | 8 | 46,9 |
| ТПР.05.18(1).00.000-31 | 1020 | 150 | 268 | 700 | 80 | 80 | 8 | 55,2 |
| ТПР.05.18(1).00.000-32 | 1220 | 100 | 195 | 700 | 120 | 80 | 8 | 48,7 |
| ТПР.05.18(1).00.000-33 | 1220 | 150 | 245 | 700 | 120 | 80 | 8 | 57,5 |
| ТПР.05.18(1).00.000-34 | 1420 | 100 | 172 | 700 | 120 | 80 | 10 | 58,1 |
| ТПР.05.18(1).00.000-35 | 1420 | 150 | 222 | 700 | 120 | 80 | 10 | 69,0 |
Опора подвижная ТПР.05.19(2).00.000
Конструкция и размеры

Таблица №5
| Обозначение | Dн, мм | Размеры | Наибольшая вертикальная нагрузка, кН | Масса, кг, не более | |||
|---|---|---|---|---|---|---|---|
| H | H1 | B | B1 | ||||
| ТПР.05.19(2).00.000-00 | 377 | 104 | 292 | 280 | 460 | 70 | 28,35 |
| ТПР.05.19(2).00.000-01 | 377 | 154 | 342 | 280 | 460 | 70 | 31,91 |
| ТПР.05.19(2).00.000-02 | 377 | 204 | 392 | 280 | 460 | 70 | 35,47 |
| ТПР.05.19(2).00.000-03 | 426 | 104 | 318 | 280 | 505 | 70 | 30,19 |
| ТПР.05.19(2).00.000-04 | 426 | 154 | 368 | 280 | 505 | 70 | 33,75 |
| ТПР.05.19(2).00.000-05 | 426 | 204 | 418 | 280 | 505 | 70 | 37,31 |
| ТПР.05.19(2).00.000-06 | 480 | 104 | 345 | 380 | 570 | 125 | 50,88 |
| ТПР.05.19(2).00.000-07 | 480 | 154 | 395 | 380 | 570 | 125 | 56,54 |
| ТПР.05.19(2).00.000-08 | 480 | 204 | 445 | 380 | 570 | 125 | 62,22 |
| ТПР.05.19(2).00.000-09 | 530 | 104 | 370 | 380 | 615 | 125 | 52,56 |
| ТПР.05.19(2).00.000-10 | 530 | 154 | 420 | 380 | 615 | 125 | 58,22 |
| ТПР.05.19(2).00.000-11 | 530 | 204 | 470 | 380 | 615 | 125 | 63,91 |
| ТПР.05.19(2).00.000-12 | 630 | 104 | 420 | 380 | 715 | 125 | 55,67 |
| ТПР.05.19(2).00.000-13 | 630 | 154 | 470 | 380 | 715 | 125 | 61,33 |
| ТПР.05.19(2).00.000-14 | 630 | 204 | 520 | 380 | 715 | 125 | 67,02 |
| ТПР.05.19(2).00.000-15 | 720 | 104 | 465 | 500 | 815 | 220 | 69,78 |
| ТПР.05.19(2).00.000-16 | 720 | 154 | 515 | 500 | 815 | 220 | 76,61 |
| ТПР.05.19(2).00.000-17 | 720 | 204 | 565 | 500 | 815 | 220 | 83,44 |
| ТПР.05.19(2).00.000-18 | 820 | 104 | 515 | 500 | 920 | 220 | 73,40 |
| ТПР.05.19(2).00.000-19 | 820 | 154 | 565 | 500 | 920 | 220 | 80,22 |
| ТПР.05.19(2).00.000-20 | 820 | 204 | 615 | 500 | 920 | 220 | 87,05 |
| ТПР.05.19(2).00.000-21 | 920 | 104 | 665 | 500 | 1030 | 360 | 103,59 |
| ТПР.05.19(2).00.000-22 | 920 | 154 | 615 | 500 | 1030 | 360 | 110,41 |
| ТПР.05.19(2).00.000-23 | 920 | 204 | 665 | 500 | 1030 | 360 | 117,25 |
| ТПР.05.19(2).00.000-24 | 1020 | 104 | 615 | 700 | 1140 | 360 | 130,76 |
| ТПР.05.19(2).00.000-25 | 1020 | 154 | 665 | 700 | 1140 | 360 | 141,65 |
| ТПР.05.19(2).00.000-26 | 1020 | 204 | 715 | 700 | 1140 | 360 | 152,56 |
| ТПР.05.19(2).00.000-27 | 1220 | 104 | 715 | 700 | 1360 | 480 | 149,60 |
| ТПР.05.19(2).00.000-28 | 1220 | 154 | 765 | 700 | 1360 | 480 | 160,49 |
| ТПР.05.19(2).00.000-29 | 1220 | 204 | 815 | 700 | 1360 | 480 | 171,39 |
| ТПР.05.19(2).00.000-30 | 1420 | 104 | 815 | 700 | 1575 | 600 | 161,66 |
| ТПР.05.19(2).00.000-31 | 1420 | 154 | 865 | 700 | 1575 | 600 | 172,56 |
| ТПР.05.19(2).00.000-32 | 1420 | 204 | 915 | 700 | 1575 | 600 | 183,46 |
Опора подвижная ТПР.05.21(1).00.000
Конструкция и размеры

Таблица №6
| Обозначение | Dн, мм | Размеры, мм | Масса, кг, не более | ||||
|---|---|---|---|---|---|---|---|
| H* | H1* | B* | L* | L1 | |||
| ТПР.05.21(1).00.000 | 32; 38; 45 | 100 | 104 | 50 | 170 | 90 | 0,7 |
| ТПР.05.21(1).00.000-01 | 32; 38; 45 | 150 | 154 | 50 | 170 | 90 | 0,92 |
| ТПР.05.21(1).00.000-02 | 32; 38; 45 | 100 | 204 | 50 | 170 | 90 | 1,23 |
| ТПР.05.21(1).00.000-03 | 57; 76 | 150 | 108 | 70 | 170 | 90 | 0,89 |
| ТПР.05.21(1).00.000-04 | 57; 76 | 100 | 158 | 70 | 170 | 90 | 1,19 |
| ТПР.05.21(1).00.000-05 | 57; 76 | 150 | 208 | 70 | 170 | 90 | 1,5 |
| ТПР.05.21(1).00.000-06 | 89; 108 | 100 | 113 | 90 | 170 | 90 | 1,1 |
| ТПР.05.21(1).00.000-07 | 89; 108 | 150 | 163 | 90 | 170 | 90 | 1,46 |
| ТПР.05.21(1).00.000-08 | 89; 108 | 100 | 213 | 90 | 170 | 90 | 1,86 |
| ТПР.05.21(1).00.000-09 | 133; 159 | 150 | 118 | 120 | 170 | 90 | 1,34 |
| ТПР.05.21(1).00.000-10 | 133; 159 | 100 | 168 | 120 | 170 | 90 | 1,83 |
| ТПР.05.21(1).00.000-11 | 133; 159 | 150 | 218 | 120 | 170 | 90 | 2,26 |
| ТПР.05.21(1).00.000-12 | 32; 38; 45 | 100 | 104 | 50 | 340 | 260 | 1,28 |
| ТПР.05.21(1).00.000-13 | 32; 38; 45 | 150 | 154 | 50 | 340 | 260 | 1,74 |
| ТПР.05.21(1).00.000-14 | 32; 38; 45 | 100 | 204 | 50 | 340 | 260 | 2,2 |
| ТПР.05.21(1).00.000-15 | 57; 76 | 150 | 108 | 70 | 340 | 260 | 1,55 |
| ТПР.05.21(1).00.000-16 | 57; 76 | 100 | 158 | 70 | 340 | 260 | 2,06 |
| ТПР.05.21(1).00.000-17 | 57; 76 | 150 | 208 | 70 | 340 | 260 | 2,54 |
| ТПР.05.21(1).00.000-18 | 89; 108 | 100 | 113 | 90 | 340 | 260 | 1,84 |
| ТПР.05.21(1).00.000-19 | 89; 108 | 150 | 163 | 90 | 340 | 260 | 2,39 |
| ТПР.05.21(1).00.000-20 | 89; 108 | 100 | 213 | 90 | 340 | 260 | 2,98 |
| ТПР.05.21(1).00.000-21 | 133; 159 | 150 | 118 | 120 | 340 | 260 | 2,25 |
| ТПР.05.21(1).00.000-22 | 133; 159 | 100 | 168 | 120 | 340 | 260 | 2,89 |
| ТПР.05.21(1).00.000-23 | 133; 159 | 150 | 218 | 120 | 340 | 260 | 3,54 |
| ТПР.05.21(1).00.000-24 | 114 | 100 | 116 | 100 | 170 | 90 | 1,22 |
| ТПР.05.21(1).00.000-25 | 114 | 150 | 166 | 100 | 170 | 90 | 1,53 |
| ТПР.05.21(1).00.000-26 | 114 | 100 | 216 | 100 | 170 | 90 | 1,84 |
| ТПР.05.21(1).00.000-27 | 168 | 150 | 120 | 130 | 170 | 90 | 1,97 |
| ТПР.05.21(1).00.000-28 | 168 | 100 | 170 | 130 | 170 | 90 | 2,87 |
| ТПР.05.21(1).00.000-29 | 168 | 150 | 220 | 130 | 170 | 90 | 3,77 |
Опора подвижная ТПР.05.24(3).00.000
Конструкция и размеры

Таблица №7
| Обозначение | Dн, мм | Размеры, мм | Масса, кг, не более | |||||
|---|---|---|---|---|---|---|---|---|
| H* | H1* | B* | L* | b* | S*=K1 | |||
| ТПР.05.24(3).00.000 | 133 | 100 | 119 | 110 | 50 | 45 | 3 | 3,6 |
| ТПР.05.24(3).00.000-01 | 133 | 150 | 169 | 110 | 50 | 45 | 3 | 5,0 |
| ТПР.05.24(3).00.000-02 | 159 | 100 | 114 | 110 | 50 | 45 | 3 | 3,7 |
| ТПР.05.24(3).00.000-03 | 159 | 150 | 164 | 110 | 50 | 45 | 3 | 4,9 |
| ТПР.05.24(3).00.000-04 | 168 | 100 | 113 | 110 | 50 | 45 | 3 | 3,6 |
| ТПР.05.24(3).00.000-05 | 168 | 150 | 163 | 110 | 50 | 45 | 3 | 4,8 |
| ТПР.05.24(3).00.000-06 | 194 | 100 | 148 | 180 | 50 | 45 | 3 | 5,6 |
| ТПР.05.24(3).00.000-07 | 194 | 150 | 198 | 180 | 50 | 45 | 3 | 7,0 |
| ТПР.05.24(3).00.000-08 | 219 | 100 | 136 | 180 | 50 | 45 | 3 | 5,3 |
| ТПР.05.24(3).00.000-09 | 219 | 150 | 186 | 180 | 50 | 45 | 3 | 6,8 |
| ТПР.05.24(3).00.000-10 | 273 | 100 | 125 | 180 | 50 | 45 | 3 | 5,1 |
| ТПР.05.24(3).00.000-11 | 273 | 150 | 175 | 180 | 50 | 45 | 3 | 6,6 |
| ТПР.05.24(3).00.000-12 | 325 | 100 | 165 | 280 | 50 | 60 | 4 | 10,1 |
| ТПР.05.24(3).00.000-13 | 325 | 150 | 215 | 280 | 50 | 60 | 4 | 12,5 |
| ТПР.05.24(3).00.000-14 | 377 | 100 | 152 | 280 | 50 | 60 | 4 | 9,7 |
| ТПР.05.24(3).00.000-15 | 377 | 150 | 202 | 280 | 50 | 60 | 4 | 12,1 |
| ТПР.05.24(3).00.000-16 | 426 | 100 | 142 | 280 | 50 | 60 | 4 | 9,6 |
| ТПР.05.24(3).00.000-17 | 426 | 150 | 192 | 280 | 50 | 60 | 4 | 11,8 |
| ТПР.05.24(3).00.000-18 | 480 | 100 | 174 | 380 | 50 | 60 | 6 | 19,0 |
| ТПР.05.24(3).00.000-19 | 480 | 150 | 224 | 380 | 50 | 60 | 6 | 23,3 |
| ТПР.05.24(3).00.000-20 | 530 | 100 | 164 | 380 | 50 | 60 | 6 | 18,5 |
| ТПР.05.24(3).00.000-21 | 530 | 150 | 214 | 380 | 50 | 60 | 6 | 22,3 |
| ТПР.05.24(3).00.000-22 | 630 | 100 | 150 | 380 | 50 | 80 | 6 | 17,8 |
| ТПР.05.24(3).00.000-23 | 630 | 150 | 200 | 380 | 50 | 80 | 6 | 22,1 |
| ТПР.05.24(3).00.000-24 | 720 | 100 | 185 | 500 | 80 | 80 | 6 | 25,7 |
| ТПР.05.24(3).00.000-25 | 720 | 150 | 235 | 500 | 80 | 80 | 6 | 30,8 |
| ТПР.05.24(3).00.000-26 | 820 | 100 | 172 | 500 | 80 | 80 | 6 | 24,9 |
| ТПР.05.24(3).00.000-27 | 820 | 150 | 222 | 500 | 80 | 80 | 6 | 30,0 |
| ТПР.05.24(3).00.000-28 | 920 | 100 | 158 | 500 | 80 | 80 | 8 | 31,9 |
| ТПР.05.24(3).00.000-29 | 920 | 150 | 208 | 500 | 80 | 80 | 8 | 38,7 |
| ТПР.05.24(3).00.000-30 | 1020 | 100 | 218 | 700 | 80 | 80 | 8 | 46,9 |
| ТПР.05.24(3).00.000-31 | 1020 | 150 | 268 | 700 | 80 | 80 | 8 | 55,2 |
| ТПР.05.24(3).00.000-32 | 1220 | 100 | 195 | 700 | 120 | 80 | 8 | 48,7 |
| ТПР.05.24(3).00.000-33 | 1220 | 150 | 245 | 700 | 120 | 80 | 8 | 57,5 |
| ТПР.05.24(3).00.000-34 | 1420 | 100 | 172 | 700 | 120 | 80 | 10 | 58,1 |
| ТПР.05.24(3).00.000-35 | 1420 | 150 | 222 | 700 | 120 | 80 | 10 | 69,0 |
Опора подвижная ТПР.05.29.00.000
Конструкция и размеры

Таблица №8
| Обозначение | Dн, мм | Размеры, мм | Масса, кг, не более | ||||
|---|---|---|---|---|---|---|---|
| H | H1 | B | B1 | b | |||
| ТПР.05.29.00.000 | 57 | 100 | 130 | 50 | 90 | 30 | 4,46 |
| ТПР.05.29.00.000-01 | 57 | 150 | 180 | 50 | 90 | 30 | 5,78 |
| ТПР.05.29.00.000-02 | 57 | 200 | 230 | 50 | 90 | 30 | 7,24 |
| ТПР.05.29.00.000-03 | 76 | 100 | 138 | 50 | 108 | 30 | 4,76 |
| ТПР.05.29.00.000-04 | 76 | 150 | 188 | 50 | 108 | 30 | 6,18 |
| ТПР.05.29.00.000-05 | 76 | 200 | 238 | 50 | 108 | 30 | 7,54 |
| ТПР.05.29.00.000-06 | 89 | 100 | 145 | 50 | 128 | 30 | 4,99 |
| ТПР.05.29.00.000-07 | 89 | 150 | 195 | 50 | 128 | 30 | 6,38 |
| ТПР.05.29.00.000-08 | 89 | 200 | 245 | 50 | 128 | 30 | 7,78 |
| ТПР.05.29.00.000-09 | 108 | 100 | 154 | 90 | 150 | 45 | 8,78 |
| ТПР.05.29.00.000-10 | 108 | 150 | 204 | 90 | 150 | 45 | 10,65 |
| ТПР.05.29.00.000-11 | 108 | 200 | 254 | 90 | 150 | 45 | 12,71 |
| ТПР.05.29.00.000-12 | 133 | 100 | 165 | 90 | 170 | 45 | 9,47 |
| ТПР.05.29.00.000-13 | 133 | 150 | 215 | 90 | 170 | 45 | 11,13 |
| ТПР.05.29.00.000-14 | 133 | 200 | 265 | 90 | 170 | 45 | 13,10 |
| ТПР.05.29.00.000-15 | 159 | 100 | 180 | 90 | 200 | 45 | 10,29 |
| ТПР.05.29.00.000-16 | 159 | 150 | 230 | 90 | 200 | 45 | 11,95 |
| ТПР.05.29.00.000-17 | 159 | 200 | 280 | 90 | 200 | 45 | 12,75 |
| ТПР.05.29.00.000-18 | 194 | 100 | 197 | 180 | 250 | 45 | 22,49 |
| ТПР.05.29.00.000-19 | 194 | 150 | 247 | 180 | 250 | 45 | 29,11 |
| ТПР.05.29.00.000-20 | 194 | 200 | 297 | 180 | 250 | 45 | 33,84 |
| ТПР.05.29.00.000-21 | 219 | 100 | 210 | 180 | 275 | 45 | 24,30 |
| ТПР.05.29.00.000-22 | 219 | 150 | 260 | 180 | 275 | 45 | 29,11 |
| ТПР.05.29.00.000-23 | 219 | 200 | 310 | 180 | 275 | 45 | 33,87 |
| ТПР.05.29.00.000-24 | 273 | 100 | 237 | 180 | 340 | 45 | 26,07 |
| ТПР.05.29.00.000-25 | 273 | 150 | 287 | 180 | 340 | 45 | 33,20 |
| ТПР.05.29.00.000-26 | 273 | 200 | 337 | 180 | 340 | 45 | 37,99 |
| ТПР.05.29.00.000-27 | 325 | 100 | 263 | 280 | 395 | 60 | 31,03 |
| ТПР.05.29.00.000-28 | 325 | 150 | 313 | 280 | 395 | 60 | 34,36 |
| ТПР.05.29.00.000-29 | 325 | 200 | 363 | 280 | 395 | 60 | 38,85 |
| ТПР.05.29.00.000-30 | 377 | 100 | 289 | 280 | 450 | 60 | 34,67 |
| ТПР.05.29.00.000-31 | 377 | 150 | 339 | 280 | 450 | 60 | 38,40 |
| ТПР.05.29.00.000-32 | 377 | 200 | 389 | 280 | 450 | 60 | 42,55 |
Опора подвижная ТПР.06.34(4).00.000
Конструкция и размеры

Таблица №9
| Обозначение | Dн, мм | Размеры, мм | Масса, кг, не более | |||
|---|---|---|---|---|---|---|
| H | H1 | B | B1 | |||
| ТПР.06.34(4).00.000 | 377 | 100 | 289 | 280 | 460 | 33,30 |
| ТПР.06.34(4).00.000-01 | 377 | 150 | 339 | 280 | 460 | 36,80 |
| ТПР.06.34(4).00.000-02 | 377 | 200 | 389 | 280 | 460 | 40,40 |
| ТПР.06.34(4).00.000-03 | 426 | 100 | 313 | 280 | 505 | 35,40 |
| ТПР.06.34(4).00.000-04 | 426 | 150 | 363 | 280 | 505 | 39,00 |
| ТПР.06.34(4).00.000-05 | 426 | 200 | 413 | 280 | 505 | 42,50 |
| ТПР.06.34(4).00.000-06 | 480 | 100 | 340 | 380 | 570 | 55,40 |
| ТПР.06.34(4).00.000-07 | 480 | 150 | 390 | 380 | 570 | 60,90 |
| ТПР.06.34(4).00.000-08 | 480 | 200 | 440 | 380 | 570 | 66,70 |
| ТПР.06.34(4).00.000-09 | 530 | 100 | 365 | 380 | 615 | 58,20 |
| ТПР.06.34(4).00.000-10 | 530 | 150 | 415 | 380 | 615 | 63,90 |
| ТПР.06.34(4).00.000-11 | 530 | 200 | 465 | 380 | 615 | 69,60 |
| ТПР.06.34(4).00.000-12 | 630 | 100 | 415 | 380 | 715 | 62,40 |
| ТПР.06.34(4).00.000-13 | 630 | 150 | 465 | 380 | 715 | 68,10 |
| ТПР.06.34(4).00.000-14 | 630 | 200 | 515 | 380 | 715 | 73,80 |
| ТПР.06.34(4).00.000-15 | 720 | 100 | 460 | 500 | 815 | 78,40 |
| ТПР.06.34(4).00.000-16 | 720 | 150 | 510 | 500 | 815 | 85,20 |
| ТПР.06.34(4).00.000-17 | 720 | 200 | 560 | 500 | 815 | 92,20 |
| ТПР.06.34(4).00.000-18 | 820 | 100 | 510 | 500 | 920 | 80,50 |
| ТПР.06.34(4).00.000-19 | 820 | 150 | 560 | 500 | 920 | 87,40 |
| ТПР.06.34(4).00.000-20 | 820 | 200 | 610 | 500 | 920 | 94,20 |
| ТПР.06.34(4).00.000-21 | 920 | 100 | 560 | 500 | 1030 | 112,20 |
| ТПР.06.34(4).00.000-22 | 920 | 150 | 610 | 500 | 1030 | 119,20 |
| ТПР.06.34(4).00.000-23 | 920 | 200 | 660 | 500 | 1030 | 125,40 |
| ТПР.06.34(4).00.000-24 | 1020 | 100 | 610 | 500 | 1140 | 142,60 |
| ТПР.06.34(4).00.000-25 | 1020 | 150 | 660 | 500 | 1140 | 153,50 |
| ТПР.06.34(4).00.000-26 | 1020 | 200 | 710 | 700 | 1140 | 164,30 |
| ТПР.06.34(4).00.000-27 | 1220 | 100 | 668 | 700 | 1360 | 162,60 |
| ТПР.06.34(4).00.000-28 | 1220 | 150 | 718 | 700 | 1360 | 173,50 |
| ТПР.06.34(4).00.000-29 | 1220 | 200 | 768 | 700 | 1360 | 184,40 |
| ТПР.06.34(4).00.000-30 | 1420 | 100 | 810 | 700 | 1575 | 177,00 |
| ТПР.06.34(4).00.000-31 | 1420 | 150 | 860 | 700 | 1575 | 187,90 |
| ТПР.06.34(4).00.000-32 | 1420 | 200 | 910 | 700 | 1575 | 198,80 |
Опора подвижная ТПР.07.35.00.000
Конструкция и размеры


Таблица №10
| Обозначение | Рис. | Н*, мм | Н1*, мм | Угол наклона град. | Допускаемые наргузки, кН | Масса, кг, не более | ||
|---|---|---|---|---|---|---|---|---|
| Qy | Q | T | ||||||
| ТПР.07.35.00.000-00 | 1 | 82 | 193 | 0-10 | 25 | 53 | 6 | 24,30 |
| ТПР.07.35.00.000-01 | 1 | 132 | 243 | 0-10 | 25 | 53 | 6 | 27,20 |
| ТПР.07.35.00.000-02 | 2 | 82 | 193 | 10-18 | 25 | 53 | 5 | 25,50 |
| ТПР.07.35.00.000-03 | 2 | 132 | 243 | 10-18 | 25 | 53 | 5 | 28,20 |
Опора подвижная ТПР.08.13.00.000
Конструкция и размеры

Таблица №10
| Обозначение | Dн, мм | Размеры, мм | |||
|---|---|---|---|---|---|
| H* | H1* | B* | B1* | ||
| ТПР.08.13.00.000 | 720 | 420 | 792 | 776 | 815 |
Опора подвижная ТПР.08.17(2).00.000
Конструкция и размеры

Таблица №11
| Обозначение | Dн, мм | Размеры, мм | Масса, кг, не более | ||||
|---|---|---|---|---|---|---|---|
| h* | h1* | H* | B* | B1* | |||
| ТПР.08.17(2).00.000 | 57 | 100 | 128,5 | 163 | 214 | 142 | 5,60 |
| ТПР.08.17(2).00.000-01 | 57 | 150 | 178,5 | 213 | 274 | 142 | 8,46 |
| ТПР.08.17(2).00.000-02 | 76 | 100 | 138 | 182 | 214 | 160 | 5,72 |
| ТПР.08.17(2).00.000-03 | 76 | 150 | 188 | 232 | 274 | 160 | 8,58 |
| ТПР.08.17(2).00.000-04 | 89 | 100 | 144,5 | 195 | 214 | 179 | 5,83 |
| ТПР.08.17(2).00.000-05 | 89 | 150 | 194,5 | 245 | 274 | 179 | 8,69 |
Опора подвижная ТПР.08.38.00.000
Конструкция и размеры


Таблица №12
| Обозначение | Dн, мм | Размеры, мм | Масса, кг, не более | ||||||
|---|---|---|---|---|---|---|---|---|---|
| Рис. | h* | H* | H1* | B* | B1* | L* | |||
| ТПР.08.38.00.000 | 114 | 1 | 100 | 157 | 222 | 214 | 210 | 200 | 11,40 |
| ТПР.08.38.00.000-01 | 114 | 2 | 150 | 207 | 272 | 214 | 210 | 200 | 12,28 |
| ТПР.08.38.00.000-02 | 114 | 2 | 200 | 257 | 322 | 214 | 210 | 200 | 13,17 |
| ТПР.08.38.00.000-03 | 168 | 1 | 100 | 184 | 276 | 264 | 280 | 200 | 17,58 |
| ТПР.08.38.00.000-04 | 168 | 2 | 150 | 234 | 326 | 246 | 280 | 200 | 18,71 |
| ТПР.08.38.00.000-05 | 168 | 2 | 200 | 284 | 376 | 246 | 280 | 200 | 19,84 |
| ТПР.08.38.00.000-06 | 219 | 1 | 100 | 210 | 329 | 314 | 365 | 270 | 24,71 |
| ТПР.08.38.00.000-07 | 219 | 2 | 150 | 260 | 379 | 314 | 365 | 270 | 26,34 |
| ТПР.08.38.00.000-08 | 219 | 2 | 200 | 310 | 429 | 314 | 365 | 270 | 27,93 |
| ТПР.08.38.00.000-09 | 273 | 1 | 100 | 237 | 383 | 318 | 420 | 270 | 30,35 |
| ТПР.08.38.00.000-10 | 273 | 2 | 150 | 287 | 433 | 318 | 420 | 270 | 32,70 |
| ТПР.08.38.00.000-11 | 273 | 2 | 200 | 337 | 483 | 318 | 420 | 270 | 34,09 |
| ТПР.08.38.00.000-12 | 325 | 1 | 100 | 263 | 435 | 318 | 470 | 270 | 31,04 |
| ТПР.08.38.00.000-13 | 325 | 2 | 150 | 313 | 485 | 318 | 470 | 270 | 33,42 |
| ТПР.08.38.00.000-14 | 325 | 2 | 200 | 363 | 535 | 318 | 470 | 270 | 35,78 |
Опора подвижная ТПР.08.71(1).00.000
Конструкция и размеры


Таблица №13
| Обозначение | Dн, мм | Рис. | Размеры, мм | Масса, кг, не более | |||
|---|---|---|---|---|---|---|---|
| H | H1 | B | B1 | ||||
| ТПР.08.71(1).00.000-00 | 114 | 1 | 100 | 157,0 | 90 | 205 | 6,32 |
| ТПР.08.71(1).00.000-01 | 114 | 1 | 150 | 207,0 | 90 | 205 | 7,53 |
| ТПР.08.71(1).00.000-02 | 127 | 1 | 100 | 163,5 | 100 | 220 | 7,67 |
| ТПР.08.71(1).00.000-03 | 127 | 1 | 150 | 213,5 | 100 | 220 | 8,21 |
| ТПР.08.71(1).00.000-04 | 114 | 2 | 100 | 157,0 | 90 | 205 | 8,82 |
| ТПР.08.71(1).00.000-05 | 114 | 2 | 150 | 207,0 | 90 | 205 | 11,05 |
| ТПР.08.71(1).00.000-06 | 127 | 2 | 100 | 163,5 | 100 | 220 | 11,40 |
| ТПР.08.71(1).00.000-07 | 127 | 2 | 150 | 213,5 | 100 | 220 | 11,89 |
Опора подвижная ТПР.08.73(1).00.000
Конструкция и размеры


Таблица №14
| Обозначение | Dн, мм | Рис. | Размеры, мм | Масса, кг, не более | |||
|---|---|---|---|---|---|---|---|
| H* | H1* | B* | B1* | ||||
| ТПР.08.73(1).00.000 | 114 | 1 | 100 | 157,0 | 90 | 205 | 7,51 |
| ТПР.08.73(1).00.000-01 | 114 | 1 | 150 | 207,0 | 90 | 205 | 8,72 |
| ТПР.08.73(1).00.000-02 | 127 | 1 | 100 | 163,5 | 100 | 220 | 8,92 |
| ТПР.08.73(1).00.000-03 | 127 | 1 | 150 | 213,5 | 100 | 220 | 9,47 |
| ТПР.08.73(1).00.000-04 | 114 | 2 | 100 | 157,0 | 90 | 205 | 10,11 |
| ТПР.08.73(1).00.000-05 | 114 | 2 | 150 | 207,0 | 90 | 205 | 12,36 |
| ТПР.08.73(1).00.000-06 | 127 | 2 | 100 | 163,5 | 100 | 220 | 12,75 |
| ТПР.08.73(1).00.000-07 | 127 | 2 | 150 | 213,5 | 100 | 220 | 13,26 |
Опора подвижная ТПР.10.14(1).00.000
Конструкция и размеры

Таблица №15
| Обозначение | Наружный диаметр трубопровода Дн | A | d | L | H* | Smax | Масса, кг |
|---|---|---|---|---|---|---|---|
| ТПР.10.14(1).00.000 | 25 | 38 | М10 | 30 | 60 | 10 | 0,13 |
| ТПР.10.14(1).00.000-01 | 32 | 44 | М10 | 30 | 64 | 10 | 0,15 |
| ТПР.10.14(1).00.000-02 | 38 | 50 | М10 | 40 | 74 | 12 | 0,17 |
| ТПР.10.14(1).00.000-03 | 45 | 60 | М10 | 40 | 83 | 12 | 0,19 |
| ТПР.10.14(1).00.000-04 | 57 | 74 | М12 | 50 | 101 | 14 | 0,33 |
| ТПР.10.14(1).00.000-05 | 76 | 94 | М12 | 50 | 120 | 14 | 0,39 |
| ТПР.10.14(1).00.000-06 | 89 | 106 | М12 | 50 | 137 | 14 | 0,44 |
| ТПР.10.14(1).00.000-07 | 108 | 130 | М16 | 80 | 165 | 16 | 0,92 |
| ТПР.10.14(1).00.000-08 | 114 | 136 | М16 | 80 | 173 | 16 | 0,97 |
| ТПР.10.14(1).00.000-09 | 133 | 154 | М16 | 80 | 193 | 16 | 1,08 |
| ТПР.10.14(1).00.000-10 | 159 | 190 | М20 | 100 | 230 | 20 | 1,94 |
| ТПР.10.14(1).00.000-11 | 168 | 198 | М20 | 100 | 239 | 20 | 2,03 |
| ТПР.10.14(1).00.000-12 | 219 | 244 | М20 | 100 | 290 | 20 | 2,44 |
| ТПР.10.14(1).00.000-13 | 273 | 300 | М20 | 100 | 347 | 20 | 3,22 |
| ТПР.10.14(1).00.000-14 | 325 | 352 | М24 | 150 | 398 | 30 | 4,45 |
| ТПР.10.14(1).00.000-15 | 377 | 410 | М24 | 150 | 468 | 30 | 6,33 |
| ТПР.10.14(1).00.000-16 | 426 | 460 | М24 | 150 | 517 | 30 | 7,06 |
| ТПР.10.14(1).00.000-17 | 530 | 570 | М24 | 150 | 624 | 30 | 9,42 |
| ТПР.10.14(1).00.000-18 | 630 | 670 | М30 | 200 | 735 | 40 | 16,28 |
| ТПР.10.14(1).00.000-19 | 720 | 760 | М30 | 300 | 835 | 40 | 23,23 |
Опора подвижная ТПР.13.53(1).00.000
Конструкция и размеры


Таблица №16
| Обозначение | Наружный диаметр трубопровода Дн |
|---|---|
| ТПР.13.53(1).00.000 | 426 |
Опора подвижная ТПР.14.05.00.000
Конструкция и размеры

Таблица №17
| Обозначение | Наружный диаметр трубопровода Дн |
|---|---|
| ТПР.14.05.00.000 | 1020 |
Опора подвижная ТПР.14.45.00.000
Конструкция и размеры

Таблица №17
| Обозначение | Dн, мм | Размеры, мм | Масса, кг, не более | |||
|---|---|---|---|---|---|---|
| h | H | b | B | |||
| ТПР.14.45.00.000 | 377 | 100 | 288,5 | 280 | 460 | 28,36 |
| ТПР.14.45.00.000-01 | 377 | 150 | 338,5 | 280 | 460 | 31,92 |
| ТПР.14.45.00.000-02 | 377 | 200 | 388,5 | 280 | 460 | 35,48 |
| ТПР.14.45.00.000-03 | 426 | 100 | 313 | 280 | 505 | 30,20 |
| ТПР.14.45.00.000-04 | 426 | 150 | 363 | 280 | 505 | 33,76 |
| ТПР.14.45.00.000-05 | 426 | 200 | 413 | 280 | 505 | 37,32 |
| ТПР.14.45.00.000-06 | 480 | 100 | 340 | 380 | 570 | 50,89 |
| ТПР.14.45.00.000-07 | 480 | 150 | 390 | 380 | 570 | 56,55 |
| ТПР.14.45.00.000-08 | 480 | 200 | 440 | 380 | 570 | 62,23 |
| ТПР.14.45.00.000-09 | 530 | 100 | 365 | 380 | 615 | 52,56 |
| ТПР.14.45.00.000-10 | 530 | 150 | 415 | 380 | 615 | 58,22 |
| ТПР.14.45.00.000-11 | 530 | 200 | 465 | 380 | 615 | 63,91 |
| ТПР.14.45.00.000-12 | 630 | 100 | 415 | 380 | 715 | 55,68 |
| ТПР.14.45.00.000-13 | 630 | 150 | 465 | 380 | 715 | 61,34 |
| ТПР.14.45.00.000-14 | 630 | 200 | 515 | 380 | 715 | 67,03 |
| ТПР.14.45.00.000-15 | 720 | 100 | 460 | 500 | 815 | 69,79 |
| ТПР.14.45.00.000-16 | 720 | 150 | 510 | 500 | 815 | 76,62 |
| ТПР.14.45.00.000-17 | 720 | 200 | 560 | 500 | 815 | 83,45 |
| ТПР.14.45.00.000-18 | 820 | 100 | 510 | 500 | 920 | 73,42 |
| ТПР.14.45.00.000-19 | 820 | 150 | 560 | 500 | 920 | 80,24 |
| ТПР.14.45.00.000-20 | 820 | 200 | 610 | 500 | 920 | 87,07 |
| ТПР.14.45.00.000-21 | 920 | 100 | 560 | 500 | 1030 | 103,60 |
| ТПР.14.45.00.000-22 | 920 | 150 | 610 | 500 | 1030 | 110,42 |
| ТПР.14.45.00.000-23 | 920 | 200 | 560 | 500 | 1030 | 117,26 |
| ТПР.14.45.00.000-24 | 1020 | 100 | 610 | 700 | 1140 | 130,79 |
| ТПР.14.45.00.000-25 | 1020 | 150 | 660 | 700 | 1140 | 141,68 |
| ТПР.14.45.00.000-26 | 1020 | 200 | 710 | 700 | 1140 | 152,59 |
| ТПР.14.45.00.000-27 | 1220 | 100 | 710 | 700 | 1360 | 149,64 |
| ТПР.14.45.00.000-28 | 1220 | 150 | 760 | 700 | 1360 | 160,53 |
| ТПР.14.45.00.000-29 | 1220 | 200 | 810 | 700 | 1360 | 171,43 |
| ТПР.14.45.00.000-30 | 1420 | 100 | 810 | 700 | 1575 | 161,69 |
| ТПР.14.45.00.000-31 | 1420 | 150 | 860 | 700 | 1575 | 172,59 |
| ТПР.14.45.00.000-32 | 1420 | 200 | 910 | 700 | 1575 | 183,49 |
Цены на опоры ТПР
Опора хомутовая неподвижная ТПР.04.01(2).00.000
| Обозначение | Dн, мм | Размеры, мм | Допускаемые нагрузки кН | Масса, кг, не более | Стоимость за ед., руб.* | |||||
| H | H1 | B | B1 | Вертикальная Qy | Осевая Pz при | |||||
| Px=Pz | Px=0,5Pz | |||||||||
| ТПР.04.01(2).00.000-00 | 57 | 100 | 128 | 50 | 142 | 2,5 | 15 | 15 | 4,79 | договорная |
| ТПР.04.01(2).00.000-01 | 57 | 150 | 178 | 50 | 142 | 2,5 | 15 | 15 | 6,1 | договорная |
| ТПР.04.01(2).00.000-02 | 76 | 100 | 138 | 50 | 160 | 3 | 15 | 15 | 4,94 | договорная |
| ТПР.04.01(2).00.000-03 | 76 | 150 | 188 | 50 | 160 | 3 | 15 | 15 | 6,26 | договорная |
| ТПР.04.01(2).00.000-04 | 89 | 100 | 145 | 50 | 179 | 5 | 15 | 15 | 5,07 | договорная |
| ТПР.04.01(2).00.000-05 | 89 | 150 | 195 | 50 | 179 | 5 | 15 | 15 | 6,41 | договорная |
| ТПР.04.01(2).00.000-06 | 108 | 100 | 154 | 90 | 200 | 6 | 30 | 45 | 7,93 | договорная |
| ТПР.04.01(2).00.000-07 | 108 | 150 | 204 | 90 | 200 | 6 | 25 | 38 | 9,24 | договорная |
| ТПР.04.01(2).00.000-08 | 133 | 100 | 167 | 90 | 250 | 8 | 30 | 45 | 8,98 | договорная |
| ТПР.04.01(2).00.000-09 | 133 | 150 | 217 | 90 | 250 | 8 | 25 | 38 | 10,48 | договорная |
| ТПР.04.01(2).00.000-10 | 159 | 100 | 180 | 90 | 275 | 10 | 30 | 45 | 9,49 | договорная |
| ТПР.04.01(2).00.000-11 | 159 | 150 | 230 | 90 | 275 | 10 | 25 | 38 | 11,01 | договорная |
| ТПР.04.01(2).00.000-12 | 219 | 100 | 210 | 200 | 365 | 25 | 60 | 85 | 18,47 | договорная |
| ТПР.04.01(2).00.000-13 | 219 | 150 | 260 | 200 | 365 | 25 | 50 | 70 | 20,54 | договорная |
| ТПР.04.01(2).00.000-14 | 273 | 100 | 237 | 200 | 420 | 40 | 60 | 85 | 22,72 | договорная |
| ТПР.04.01(2).00.000-15 | 273 | 150 | 287 | 200 | 420 | 40 | 50 | 70 | 25,78 | договорная |
| ТПР.04.01(2).00.000-16 | 325 | 100 | 263 | 200 | 470 | 70 | 60 | 85 | 23,34 | договорная |
| ТПР.04.01(2).00.000-17 | 325 | 150 | 313 | 200 | 470 | 70 | 50 | 70 | 26,85 | договорная |
| ТПР.04.01(2).00.000-18 | 377 | 100 | 289 | 200 | 525 | 70 | 60 | 85 | 25,69 | договорная |
| ТПР.04.01(2).00.000-19 | 377 | 150 | 339 | 200 | 525 | 70 | 50 | 70 | 28,73 | договорная |
| ТПР.04.01(2).00.000-20 | 426 | 100 | 313 | 200 | 575 | 80 | 90 | 125 | 32,68 | договорная |
| ТПР.04.01(2).00.000-21 | 426 | 150 | 363 | 200 | 575 | 80 | 80 | 110 | 36,7 | договорная |
| ТПР.04.01(2).00.000-22 | 530 | 100 | 365 | 300 | 706 | 120 | 110 | 145 | 49,25 | договорная |
| ТПР.04.01(2).00.000-23 | 530 | 150 | 415 | 300 | 706 | 120 | 100 | 130 | 54,23 | договорная |
| ТПР.04.01(2).00.000-24 | 630 | 100 | 415 | 300 | 805 | 120 | 110 | 145 | 53,09 | договорная |
| ТПР.04.01(2).00.000-25 | 630 | 150 | 465 | 300 | 805 | 120 | 100 | 130 | 58,09 | договорная |
| ТПР.04.01(2).00.000-26 | 720 | 100 | 460 | 400 | 895 | 160 | 110 | 146 | 62,06 | договорная |
| ТПР.04.01(2).00.000-27 | 720 | 150 | 510 | 400 | 895 | 160 | 100 | 130 | 78,44 | договорная |
| ТПР.04.01(2).00.000-28 | 114 | 100 | 157 | 90 | 210 | 6 | 30 | 45 | 8,09 | договорная |
| ТПР.04.01(2).00.000-29 | 114 | 150 | 207 | 90 | 210 | 6 | 25 | 38 | 9,4 | договорная |
| ТПР.04.01(2).00.000-30 | 168 | 100 | 184 | 90 | 285 | 6 | 30 | 45 | 9,65 | договорная |
| ТПР.04.01(2).00.000-31 | 168 | 150 | 234 | 90 | 285 | 6 | 25 | 38 | 11,17 | договорная |
Опора хомутовая подвижная ТПР.05.11(4).00.000
| Обозначение | Рис. | Dн, мм | Размеры | Осевое перемещение трубопровода, мм, не более | Допускаемая вертикальная нагрузка Qy, кН | Масса, кг, не более | Стоимость за ед., руб.* | |||||
| H | H1 | B | B1 | L | n | |||||||
| ТПР.05.11(4).00.000-00 | 1 | 57 | 100 | 129 | 50 | 142 | 340 | 8 | 250 | 2,5 | 4,39 | договорная |
| ТПР.05.11(4).00.000-00 | 1 | 57 | 100 | 129 | 50 | 142 | 340 | 8 | 250 | 2,5 | 4,39 | договорная |
| ТПР.05.11(4).00.000-01 | 1 | 57 | 150 | 179 | 50 | 142 | 340 | 8 | 250 | 2,5 | 5,7 | договорная |
| ТПР.05.11(4).00.000-02 | 1 | 76 | 100 | 138 | 50 | 160 | 340 | 8 | 250 | 3 | 4,54 | договорная |
| ТПР.05.11(4).00.000-03 | 1 | 76 | 150 | 188 | 50 | 160 | 340 | 8 | 250 | 3 | 5,86 | договорная |
| ТПР.05.11(4).00.000-04 | 1 | 89 | 100 | 145 | 50 | 179 | 340 | 8 | 250 | 5 | 4,67 | договорная |
| ТПР.05.11(4).00.000-05 | 1 | 89 | 150 | 195 | 50 | 179 | 340 | 8 | 250 | 5 | 6,01 | договорная |
| ТПР.05.11(4).00.000-06 | 1 | 108 | 100 | 154 | 90 | 200 | 340 | 8 | 250 | 6 | 7,41 | договорная |
| ТПР.05.11(4).00.000-07 | 1 | 108 | 150 | 204 | 90 | 200 | 340 | 8 | 250 | 6 | 8,72 | договорная |
| ТПР.05.11(4).00.000-08 | 1 | 133 | 100 | 167 | 90 | 250 | 340 | 8 | 250 | 8 | 8,02 | договорная |
| ТПР.05.11(4).00.000-09 | 1 | 133 | 150 | 217 | 90 | 250 | 340 | 8 | 250 | 8 | 9,52 | договорная |
| ТПР.05.11(4).00.000-10 | 1 | 159 | 100 | 180 | 90 | 275 | 340 | 8 | 250 | 10 | 8,53 | договорная |
| ТПР.05.11(4).00.000-11 | 1 | 159 | 150 | 230 | 90 | 275 | 340 | 8 | 250 | 10 | 10,05 | договорная |
| ТПР.05.11(4).00.000-12 | 1 | 219 | 100 | 210 | 200 | 365 | 340 | 8 | 250 | 25 | 16,59 | договорная |
| ТПР.05.11(4).00.000-13 | 1 | 219 | 150 | 260 | 200 | 365 | 340 | 8 | 250 | 25 | 18,66 | договорная |
| ТПР.05.11(4).00.000-14 | 1 | 273 | 100 | 237 | 200 | 420 | 340 | 8 | 250 | 40 | 20,84 | договорная |
| ТПР.05.11(4).00.000-15 | 1 | 273 | 150 | 287 | 200 | 420 | 340 | 8 | 250 | 40 | 23,9 | договорная |
| ТПР.05.11(4).00.000-16 | 1 | 325 | 100 | 263 | 200 | 470 | 340 | 8 | 250 | 70 | 21,46 | договорная |
| ТПР.05.11(4).00.000-17 | 1 | 325 | 150 | 313 | 200 | 470 | 340 | 8 | 250 | 70 | 24,97 | договорная |
| ТПР.05.11(4).00.000-18 | 2 | 377 | 100 | 289 | 200 | 525 | 340 | 8 | 250 | 70 | 25,69 | договорная |
| ТПР.05.11(4).00.000-19 | 2 | 377 | 150 | 339 | 200 | 525 | 340 | 8 | 250 | 70 | 28,73 | договорная |
| ТПР.05.11(4).00.000-20 | 2 | 426 | 100 | 313 | 200 | 575 | 340 | 8 | 250 | 80 | 32,68 | договорная |
| ТПР.05.11(4).00.000-21 | 2 | 426 | 150 | 363 | 200 | 575 | 340 | 8 | 250 | 80 | 36,7 | договорная |
| ТПР.05.11(4).00.000-22 | 2 | 530 | 100 | 365 | 300 | 705 | 340 | 8 | 250 | 120 | 49,25 | договорная |
| ТПР.05.11(4).00.000-23 | 2 | 530 | 150 | 415 | 300 | 705 | 340 | 8 | 250 | 120 | 54,23 | договорная |
| ТПР.05.11(4).00.000-24 | 2 | 630 | 100 | 415 | 300 | 805 | 340 | 8 | 250 | 120 | 53,09 | договорная |
| ТПР.05.11(4).00.000-25 | 2 | 630 | 150 | 465 | 300 | 805 | 340 | 8 | 250 | 120 | 58,09 | договорная |
| ТПР.05.11(4).00.000-26 | 2 | 720 | 100 | 460 | 400 | 895 | 340 | 8 | 250 | 160 | 62,06 | договорная |
| ТПР.05.11(4).00.000-27 | 2 | 720 | 150 | 510 | 400 | 895 | 340 | 8 | 250 | 160 | 78,44 | договорная |
| ТПР.05.11(4).00.000-28 | 1 | 57 | 100 | 129 | 50 | 142 | 170 | 6 | 90 | 2,5 | 2,98 | договорная |
| ТПР.05.11(4).00.000-29 | 1 | 57 | 150 | 179 | 50 | 142 | 170 | 6 | 90 | 2,5 | 3,66 | договорная |
| ТПР.05.11(4).00.000-30 | 1 | 76 | 100 | 138 | 50 | 160 | 170 | 6 | 90 | 3 | 3,14 | договорная |
| ТПР.05.11(4).00.000-31 | 1 | 76 | 150 | 188 | 50 | 160 | 170 | 6 | 90 | 3 | 3,85 | договорная |
| ТПР.05.11(4).00.000-32 | 1 | 89 | 100 | 145 | 50 | 179 | 170 | 6 | 90 | 5 | 3,3 | договорная |
| ТПР.05.11(4).00.000-33 | 1 | 89 | 150 | 195 | 50 | 179 | 170 | 6 | 90 | 5 | 4 | договорная |
| ТПР.05.11(4).00.000-34 | 1 | 108 | 100 | 154 | 90 | 200 | 170 | 6 | 90 | 6 | 5,52 | договорная |
| ТПР.05.11(4).00.000-35 | 1 | 108 | 150 | 204 | 90 | 200 | 170 | 6 | 90 | 6 | 6,34 | договорная |
| ТПР.05.11(4).00.000-36 | 1 | 133 | 100 | 167 | 90 | 250 | 170 | 6 | 90 | 8 | 6,26 | договорная |
| ТПР.05.11(4).00.000-37 | 1 | 133 | 150 | 217 | 90 | 250 | 170 | 6 | 90 | 8 | 7,06 | договорная |
| ТПР.05.11(4).00.000-38 | 1 | 159 | 100 | 180 | 90 | 275 | 170 | 6 | 90 | 10 | 6,79 | договорная |
| ТПР.05.11(4).00.000-39 | 1 | 159 | 150 | 230 | 90 | 275 | 170 | 6 | 90 | 10 | 7,61 | договорная |
| ТПР.05.11(4).00.000-40 | 1 | 219 | 100 | 210 | 200 | 365 | 170 | 6 | 90 | 25 | 13,48 | договорная |
| ТПР.05.11(4).00.000-41 | 1 | 219 | 150 | 260 | 200 | 365 | 170 | 6 | 90 | 25 | 14,68 | договорная |
| ТПР.05.11(4).00.000-42 | 1 | 273 | 100 | 237 | 200 | 420 | 170 | 6 | 90 | 25 | 16,53 | договорная |
| ТПР.05.11(4).00.000-43 | 1 | 273 | 150 | 287 | 200 | 420 | 170 | 6 | 90 | 25 | 18,3 | договорная |
| ТПР.05.11(4).00.000-44 | 1 | 325 | 100 | 263 | 200 | 470 | 170 | 6 | 90 | 50 | 17,78 | договорная |
| ТПР.05.11(4).00.000-45 | 1 | 325 | 150 | 313 | 200 | 470 | 170 | 6 | 90 | 50 | 19,53 | договорная |
| ТПР.05.11(4).00.000-46 | 2 | 377 | 100 | 289 | 200 | 525 | 170 | 6 | 90 | 50 | 21,64 | договорная |
| ТПР.05.11(4).00.000-47 | 2 | 377 | 150 | 339 | 200 | 525 | 170 | 6 | 90 | 59 | 26,45 | договорная |
| ТПР.05.11(4).00.000-48 | 2 | 426 | 100 | 313 | 200 | 575 | 170 | 6 | 90 | 60 | 27,5 | договорная |
| ТПР.05.11(4).00.000-49 | 2 | 426 | 150 | 363 | 200 | 575 | 170 | 6 | 90 | 60 | 29,81 | договорная |
| ТПР.05.11(4).00.000-50 | 2 | 530 | 100 | 365 | 300 | 706 | 170 | 6 | 90 | 80 | 42,01 | договорная |
| ТПР.05.11(4).00.000-51 | 2 | 530 | 150 | 415 | 300 | 706 | 170 | 6 | 90 | 80 | 44,98 | договорная |
| ТПР.05.11(4).00.000-52 | 2 | 630 | 100 | 415 | 300 | 805 | 170 | 6 | 90 | 80 | 45,74 | договорная |
| ТПР.05.11(4).00.000-53 | 2 | 630 | 150 | 465 | 300 | 805 | 170 | 6 | 90 | 80 | 48,71 | договорная |
| ТПР.05.11(4).00.000-54 | 2 | 720 | 100 | 460 | 400 | 895 | 170 | 6 | 90 | 80 | 52,82 | договорная |
| ТПР.05.11(4).00.000-55 | 2 | 720 | 150 | 510 | 400 | 895 | 170 | 6 | 90 | 80 | 56,13 | договорная |
| ТПР.05.11(4).00.000-56 | 1 | 114 | 100 | 157 | 90 | 210 | 170 | 6 | 90 | 6 | 5,98 | договорная |
| ТПР.05.11(4).00.000-57 | 1 | 114 | 150 | 207 | 90 | 210 | 170 | 6 | 90 | 6 | 6,81 | договорная |
| ТПР.05.11(4).00.000-58 | 1 | 168 | 100 | 184 | 90 | 285 | 170 | 6 | 90 | 10 | 7,84 | договорная |
| ТПР.05.11(4).00.000-59 | 1 | 168 | 150 | 234 | 90 | 285 | 170 | 6 | 90 | 10 | 8,81 | договорная |
Опора бугельная неподвижная ТПР.05.15(1).00.000
| Обозначение | Dн, мм | Размеры | Допускаемые нагрузка, кН | Масса, кг, не более | Стоимость за ед., руб.* | |||||||||
| H | H1 | B | B1 | b | L | a | e | Вертикальная, Qy | Осевая, Q | Боковая, Т | ||||
| ТПР.05.15(1).00.000-00 | 377 | 100 | 290 | 280 | 450 | 60 | 340 | 8 | 5 | 70 | 380 | 200 | 42,5 | договорная |
| ТПР.05.15(1).00.000-01 | 377 | 150 | 340 | 280 | 450 | 60 | 340 | 8 | 5 | 70 | 380 | 200 | 45,8 | договорная |
| ТПР.05.15(1).00.000-02 | 377 | 200 | 390 | 280 | 450 | 60 | 340 | 8 | 5 | 70 | 380 | 200 | 54,1 | договорная |
| ТПР.05.15(1).00.000-03 | 426 | 100 | 315 | 280 | 515 | 60 | 340 | 8 | 5 | 70 | 350 | 200 | 49,5 | договорная |
| ТПР.05.15(1).00.000-04 | 426 | 150 | 365 | 280 | 515 | 60 | 340 | 8 | 5 | 70 | 350 | 200 | 53,2 | договорная |
| ТПР.05.15(1).00.000-05 | 426 | 200 | 415 | 280 | 515 | 60 | 340 | 8 | 5 | 70 | 350 | 200 | 56,3 | договорная |
| ТПР.05.15(1).00.000-06 | 480 | 100 | 340 | 380 | 580 | 60 | 340 | 10 | 4 | 125 | 400 | 250 | 73,8 | договорная |
| ТПР.05.15(1).00.000-07 | 480 | 150 | 390 | 380 | 580 | 60 | 340 | 10 | 4 | 125 | 400 | 250 | 79,5 | договорная |
| ТПР.05.15(1).00.000-08 | 480 | 200 | 440 | 380 | 580 | 60 | 340 | 10 | 4 | 125 | 400 | 250 | 85,1 | договорная |
| ТПР.05.15(1).00.000-09 | 530 | 100 | 365 | 380 | 630 | 60 | 340 | 10 | 4 | 125 | 450 | 250 | 79,6 | договорная |
| ТПР.05.15(1).00.000-10 | 530 | 150 | 415 | 380 | 630 | 60 | 340 | 10 | 4 | 125 | 450 | 250 | 85,1 | договорная |
| ТПР.05.15(1).00.000-11 | 530 | 200 | 465 | 380 | 630 | 60 | 340 | 10 | 4 | 125 | 450 | 250 | 90,8 | договорная |
| ТПР.05.15(1).00.000-12 | 630 | 100 | 415 | 380 | 750 | 60 | 340 | 10 | 4 | 125 | 500 | 250 | 97,8 | договорная |
| ТПР.05.15(1).00.000-13 | 630 | 150 | 465 | 380 | 750 | 60 | 340 | 10 | 4 | 125 | 500 | 250 | 103,5 | договорная |
| ТПР.05.15(1).00.000-14 | 630 | 200 | 515 | 380 | 750 | 60 | 340 | 10 | 4 | 125 | 500 | 250 | 109,2 | договорная |
| ТПР.05.15(1).00.000-15 | 720 | 100 | 460 | 500 | 860 | 70 | 680 | 10 | 4 | 220 | 650 | 350 | 189,5 | договорная |
| ТПР.05.15(1).00.000-16 | 720 | 150 | 510 | 500 | 860 | 70 | 680 | 10 | 4 | 220 | 650 | 350 | 201,3 | договорная |
| ТПР.05.15(1).00.000-17 | 720 | 200 | 560 | 500 | 860 | 70 | 680 | 10 | 4 | 220 | 650 | 350 | 213,3 | договорная |
| ТПР.05.15(1).00.000-18 | 820 | 100 | 510 | 500 | 975 | 70 | 680 | 10 | 4 | 220 | 750 | 350 | 206,4 | договорная |
| ТПР.05.15(1).00.000-19 | 820 | 150 | 560 | 500 | 975 | 70 | 680 | 10 | 4 | 220 | 750 | 350 | 215,4 | договорная |
| ТПР.05.15(1).00.000-20 | 820 | 200 | 610 | 500 | 975 | 70 | 680 | 10 | 4 | 220 | 750 | 350 | 227,3 | договорная |
| ТПР.05.15(1).00.000-21 | 920 | 100 | 560 | 500 | 1085 | 70 | 680 | 10 | 4 | 360 | 850 | 350 | 258,6 | договорная |
| ТПР.05.15(1).00.000-22 | 920 | 150 | 610 | 500 | 1085 | 70 | 680 | 10 | 4 | 360 | 850 | 350 | 270,9 | договорная |
| ТПР.05.15(1).00.000-23 | 920 | 200 | 660 | 500 | 1085 | 70 | 680 | 10 | 4 | 360 | 850 | 350 | 282,7 | договорная |
| ТПР.05.15(1).00.000-24 | 1020 | 100 | 610 | 700 | 1185 | 70 | 680 | 10 | 4 | 360 | 1000 | 600 | 333,3 | договорная |
| ТПР.05.15(1).00.000-25 | 1020 | 150 | 660 | 700 | 1185 | 70 | 680 | 10 | 4 | 360 | 1000 | 600 | 352,1 | договорная |
| ТПР.05.15(1).00.000-26 | 1020 | 200 | 710 | 700 | 1185 | 70 | 680 | 10 | 4 | 360 | 1000 | 600 | 378,9 | договорная |
| ТПР.05.15(1).00.000-27 | 1220 | 100 | 710 | 700 | 1400 | 70 | 680 | 10 | 4 | 480 | 1300 | 600 | 358,3 | договорная |
| ТПР.05.15(1).00.000-28 | 1220 | 150 | 760 | 700 | 1400 | 70 | 680 | 10 | 4 | 480 | 1300 | 600 | 377 | договорная |
| ТПР.05.15(1).00.000-29 | 1220 | 200 | 810 | 700 | 1400 | 70 | 680 | 10 | 4 | 480 | 1300 | 600 | 395,9 | договорная |
| ТПР.05.15(1).00.000-30 | 1420 | 100 | 810 | 700 | 1600 | 70 | 680 | 10 | 4 | 600 | 1800 | 600 | 401,8 | договорная |
| ТПР.05.15(1).00.000-31 | 1420 | 150 | 860 | 700 | 1600 | 70 | 680 | 10 | 4 | 600 | 1800 | 600 | 420,7 | договорная |
| ТПР.05.15(1).00.000-32 | 1420 | 200 | 910 | 700 | 1600 | 70 | 680 | 10 | 4 | 600 | 1800 | 600 | 439,4 | договорная |
Опора скользящая диэлектрическая ТПР.05.19(2).00.000
| Обозначение | Dн, мм | Размеры | Наибольшая вертикальная нагрузка, кН | Масса, кг, не более | Стоимость за ед., руб.* | |||
| H | H1 | B | B1 | |||||
| ТПР.05.19(2).00.000-00 | 377 | 104 | 292 | 280 | 460 | 70 | 28,35 | договорная |
| ТПР.05.19(2).00.000-01 | 377 | 154 | 342 | 280 | 460 | 70 | 31,91 | договорная |
| ТПР.05.19(2).00.000-02 | 377 | 204 | 392 | 280 | 460 | 70 | 35,47 | договорная |
| ТПР.05.19(2).00.000-03 | 426 | 104 | 318 | 280 | 505 | 70 | 30,19 | договорная |
| ТПР.05.19(2).00.000-04 | 426 | 154 | 368 | 280 | 505 | 70 | 33,75 | договорная |
| ТПР.05.19(2).00.000-05 | 426 | 204 | 418 | 280 | 505 | 70 | 37,31 | договорная |
| ТПР.05.19(2).00.000-06 | 480 | 104 | 345 | 380 | 570 | 125 | 50,88 | договорная |
| ТПР.05.19(2).00.000-07 | 480 | 154 | 395 | 380 | 570 | 125 | 56,54 | договорная |
| ТПР.05.19(2).00.000-08 | 480 | 204 | 445 | 380 | 570 | 125 | 62,22 | договорная |
| ТПР.05.19(2).00.000-09 | 530 | 104 | 370 | 380 | 615 | 125 | 52,56 | договорная |
| ТПР.05.19(2).00.000-10 | 530 | 154 | 420 | 380 | 615 | 125 | 58,22 | договорная |
| ТПР.05.19(2).00.000-11 | 530 | 204 | 470 | 380 | 615 | 125 | 63,91 | договорная |
| ТПР.05.19(2).00.000-12 | 630 | 104 | 420 | 380 | 715 | 125 | 55,67 | договорная |
| ТПР.05.19(2).00.000-13 | 630 | 154 | 470 | 380 | 715 | 125 | 61,33 | договорная |
| ТПР.05.19(2).00.000-14 | 630 | 204 | 520 | 380 | 715 | 125 | 67,02 | договорная |
| ТПР.05.19(2).00.000-15 | 720 | 104 | 465 | 500 | 815 | 220 | 69,78 | договорная |
| ТПР.05.19(2).00.000-16 | 720 | 154 | 515 | 500 | 815 | 220 | 76,61 | договорная |
| ТПР.05.19(2).00.000-17 | 720 | 204 | 565 | 500 | 815 | 220 | 83,44 | договорная |
| ТПР.05.19(2).00.000-18 | 820 | 104 | 515 | 500 | 920 | 220 | 73,4 | договорная |
| ТПР.05.19(2).00.000-19 | 820 | 154 | 565 | 500 | 920 | 220 | 80,22 | договорная |
| ТПР.05.19(2).00.000-20 | 820 | 204 | 615 | 500 | 920 | 220 | 87,05 | договорная |
| ТПР.05.19(2).00.000-21 | 920 | 104 | 665 | 500 | 1030 | 360 | 103,59 | договорная |
| ТПР.05.19(2).00.000-22 | 920 | 154 | 615 | 500 | 1030 | 360 | 110,41 | договорная |
| ТПР.05.19(2).00.000-23 | 920 | 204 | 665 | 500 | 1030 | 360 | 117,25 | договорная |
| ТПР.05.19(2).00.000-24 | 1020 | 104 | 615 | 700 | 1140 | 360 | 130,76 | договорная |
| ТПР.05.19(2).00.000-25 | 1020 | 154 | 665 | 700 | 1140 | 360 | 141,65 | договорная |
| ТПР.05.19(2).00.000-26 | 1020 | 204 | 715 | 700 | 1140 | 360 | 152,56 | договорная |
| ТПР.05.19(2).00.000-27 | 1220 | 104 | 715 | 700 | 1360 | 480 | 149,6 | договорная |
| ТПР.05.19(2).00.000-28 | 1220 | 154 | 765 | 700 | 1360 | 480 | 160,49 | договорная |
| ТПР.05.19(2).00.000-29 | 1220 | 204 | 815 | 700 | 1360 | 480 | 171,39 | договорная |
| ТПР.05.19(2).00.000-30 | 1420 | 104 | 815 | 700 | 1575 | 600 | 161,66 | договорная |
| ТПР.05.19(2).00.000-31 | 1420 | 154 | 865 | 700 | 1575 | 600 | 172,56 | договорная |
Завод «Северозапад» осуществляет доставку продукции по всей России. Мы предоставляем:
- Широкий ассортимент продукции;
- Производство только из сырья высокого качества;
- Доставка в заранее установленные сроки;
- Сохранность целостности изделий при перевозке;
- Профессионально налаженная логистика;
- Доставка как на склад, так и на объект покупателя;
- Доставляем изделия любых габаритов и формы.
Для постоянных клиентов у нас разработана система скидок, которая позволяет вам еще более выгодно сотрудничать с нами. Воспользуйтесь онлайн калькулятором в разделе меню “Доставка”, чтобы узнать стоимость доставки до места назначения.
Вам также может понравиться