Цена по запросу
Заказать
Наши менеджеры обязательно свяжутся с вами и уточнят условия заказа
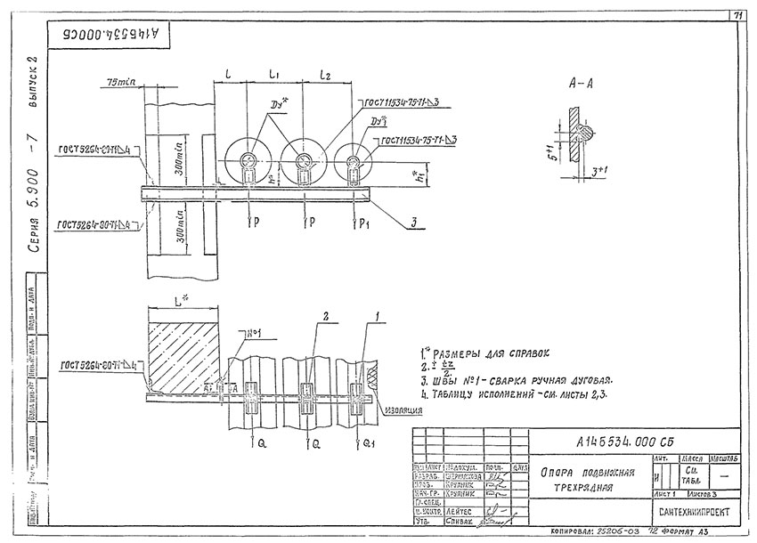
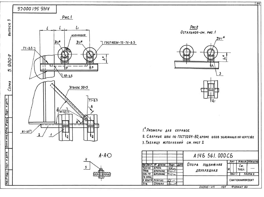
Опоры подвижные А14Б 505.000
Конструкция и размеры
Таблица №1
| Обозначение | Условный проход Ду*, мм | Допускаемые нагрузки, кгс | Размеры, мм | Масса, кг | ||
|---|---|---|---|---|---|---|
| Вертик. | Горизонт. | L* | l₁ | |||
| Р | Q | |||||
| А14Б 505.000 | 50 | 40 | 12 | 400,0 | 100,0 | 1,07 |
| А14Б 505.000-01 | 65 | 56 | 17 | 400,0 | 120,0 | 1,48 |
| А14Б 505.000-02 | 80 | 72 | 22 | 400,0 | 130,0 | 1,44 |
| А14Б 505.000-03 | 100 | 120 | 36 | 400,0 | 140,0 | 2,40 |
| А14Б 505.000-04 | 125 | 175 | 52 | 400,0 | 155,0 | 3,88 |
| А14Б 505.000-05 | 150 | 266 | 80 | 400,0 | 170,0 | 5,10 |
| А14Б 505.000-06 | 50 | 40 | 12 | 600,0 | 100,0 | 1,36 |
| А14Б 505.000-07 | 65 | 56 | 17 | 600,0 | 120,0 | 1,86 |
| А14Б 505.000-08 | 80 | 72 | 22 | 600,0 | 130,0 | 2,10 |
| А14Б 505.000-09 | 100 | 120 | 36 | 600,0 | 140,0 | 3,46 |
| А14Б 505.000-10 | 125 | 175 | 52 | 600,0 | 155,0 | 4,36 |
| А14Б 505.000-11 | 150 | 266 | 80 | 600,0 | 170,0 | 6,25 |
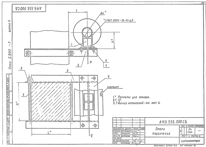
Опоры подвижные А14Б 506.000
Конструкция и размеры
Таблица №2
| Обозначение | Условный проход Ду*, мм | Допускаемые нагрузки, кгс | Размеры, мм | Масса, кг | |
|---|---|---|---|---|---|
| Вертик. | Горизонт. | l₁ | |||
| Р | Q | ||||
| А14Б 506.000 | 50 | 40 | 12 | 100,0 | 0,75 |
| А14Б 506.000-01 | 65 | 56 | 17 | 120,0 | 0,85 |
| А14Б 506.000-02 | 80 | 72 | 22 | 130,0 | 1,45 |
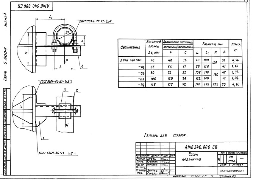
Опоры подвижные А14Б 507.000
Конструкция и размеры
Таблица №3
| Обозначение | Условный проход Ду*, мм | Допускаемые нагрузки, кгс | Размеры, мм |
Масса, кг |
||
|---|---|---|---|---|---|---|
| Вертик. | Горизонт. | L | l₁ | |||
| Р | Q | |||||
| А14Б 507.000 | 100 | 120 | 36 | 245,0 | 155,0 | 2,63 |
| А14Б 507.000-01 | 125 | 175 | 52 | 280,0 | 170,0 | 2,61 |
Опоры подвижные А14Б 508.000
Конструкция и размеры
Таблица №4
| Обозначение | Условный проход Ду*, мм | Допускаемые нагрузки, кгс | Размеры, мм |
Масса, кг |
|
|---|---|---|---|---|---|
| Вертик. | Горизонт. | l₁ | |||
| Р | Q | ||||
| А14Б 508.000 | 150 | 266 | 36 | 160,0 | 6,0 |
Опоры подвижные А14Б 509.000
Конструкция и размеры
Таблица №5
| Обозначение | Условный проход Ду*, мм | Допускаемые нагрузки, кгс | Размеры, мм | Масса, кг | ||
|---|---|---|---|---|---|---|
| Вертик. | Горизонт. | L | l₁ | |||
| Р | Q | |||||
| А14Б 509.000 | 200 | 590 | 177 | 400,0 | 200,0 | 10,23 |
| А14Б 509.000-01 | 250 | 840 | 252 | 400,0 | 240,0 | 15,45 |
| А14Б 509.000-02 | 200 | 590 | 177 | 600,0 | 200,0 | 12,34 |
| А14Б 509.000-03 | 250 | 840 | 252 | 600,0 | 240,0 | 18,36 |
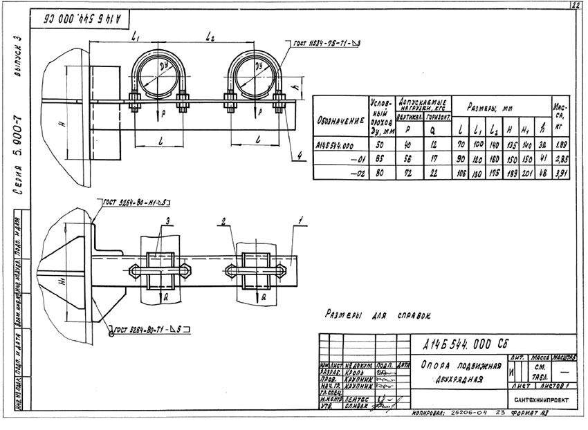
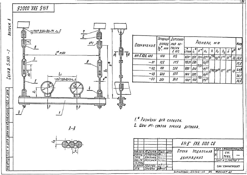
Опоры подвижные двухрядные А14Б 510.000
Конструкция и размеры
Таблица №6
| Обозначение | Условный проход Ду*, мм | Допускаемые нагрузки, кгс | Размеры, мм |
Масса, кг |
|||
|---|---|---|---|---|---|---|---|
| Вертик. | Горизонт. | L | l₁ | l₂ | |||
| Р | Q | ||||||
| А14Б 510.000 | 50 | 40 | 12 | 400,0 | 100,0 | 140,0 | 3,06 |
| А14Б 510.000-01 | 65 | 56 | 17 | 400,0 | 120,0 | 160,0 | 3,30 |
| А14Б 510.000-02 | 80 | 72 | 22 | 400,0 | 130,0 | 175,0 | 4,91 |
| А14Б 510.000-03 | 100 | 120 | 36 | 400,0 | 140,0 | 195,0 | 6,92 |
| А14Б 510.000-04 | 50 | 40 | 12 | 600,0 | 100,0 | 140,0 | 3,19 |
| А14Б 510.000-05 | 65 | 56 | 17 | 600,0 | 120,0 | 160,0 | 3,90 |
| А14Б 510.000-06 | 80 | 72 | 22 | 600,0 | 130,0 | 175,0 | 5,87 |
| А14Б 510.000-07 | 100 | 120 | 36 | 600,0 | 140,0 | 195,0 | 8,31 |
Опоры подвижные двухрядные А14Б 511.000
Конструкция и размеры
Таблица №7
| Обозначение | Условный проход Ду*, мм | Допускаемые нагрузки, кгс | Размеры, мм | Масса, кг | |||
|---|---|---|---|---|---|---|---|
| Вертик. | Горизонт. | L | l₁ | l₂ | |||
| Р | Q | ||||||
| А14Б 511.000 | 50 | 40 | 12 | 70,0 | 100,0 | 140,0 | 4,40 |
| А14Б 511.000-01 | 65 | 56 | 17 | 90,0 | 120,0 | 160,0 | 5,90 |
| А14Б 511.000-02 | 80 | 72 | 22 | 106,0 | 130,0 | 175,0 | 7,30 |
Опоры подвижные двухрядные А14Б 512.000
Конструкция и размеры
Таблица №8
| Обозначение | Рис. | Условный проход | Допускаемые нагрузки, кгс | Размеры, мм | Масса, кг | ||||||
|---|---|---|---|---|---|---|---|---|---|---|---|
| Вертикальные | Горизонтальные | L | l₂ | l₃ | |||||||
| Ду | Ду₁ | Р | Р₁ | Q | Q₁ | ||||||
| А14Б 512.000 | 1 | 125 | 100 | 175 | 120 | 52 | 36 | 400,0 | 155,0 | 210,0 | 9,24 |
| А14Б 512.000-01 | 1 | 150 | 100 | 266 | 120 | 80 | 36 | 400,0 | 170,0 | 225,0 | 11,23 |
| А14Б 512.000-02 | 1 | 200 | 100 | 590 | 120 | 177 | 36 | 400,0 | 200,0 | 255,0 | 14,52 |
| А14Б 512.000-03 | 1 | 250 | 100 | 840 | 120 | 252 | 36 | 400,0 | 240,0 | 290,0 | 20,13 |
| А14Б 512.000-04 | 2 | 125 | 125 | 175 | 175 | 52 | 52 | 400,0 | 155,0 | 225,0 | 10,10 |
| А14Б 512.000-05 | 1 | 150 | 125 | 266 | 175 | 80 | 52 | 400,0 | 170,0 | 240,0 | 12,13 |
| А14Б 512.000-06 | 1 | 200 | 125 | 590 | 175 | 177 | 52 | 400,0 | 200,0 | 270,0 | 17,55 |
| А14Б 512.000-07 | 2 | 150 | 150 | 266 | 266 | 80 | 80 | 400,0 | 170,0 | 270,0 | 14,62 |
| А14Б 512.000-08 | 1 | 200 | 150 | 590 | 266 | 177 | 80 | 400,0 | 200,0 | 280,0 | 19,11 |
| А14Б 512.000-09 | 1 | 125 | 100 | 175 | 120 | 52 | 36 | 600,0 | 155,0 | 210,0 | 10,95 |
| А14Б 512.000-10 | 1 | 150 | 100 | 266 | 120 | 80 | 36 | 600,0 | 170,0 | 225,0 | 13,30 |
| А14Б 512.000-11 | 1 | 200 | 100 | 590 | 120 | 177 | 36 | 600,0 | 200,0 | 255,0 | 17,00 |
| А14Б 512.000-12 | 1 | 250 | 100 | 840 | 120 | 252 | 36 | 600,0 | 240,0 | 290,0 | 23,21 |
| А14Б 512.000-13 | 2 | 125 | 125 | 175 | 175 | 52 | 52 | 600,0 | 155,0 | 225,0 | 11,81 |
| А14Б 512.000-14 | 1 | 150 | 125 | 266 | 175 | 80 | 52 | 600,0 | 170,0 | 240,0 | 14,21 |
| А14Б 512.000-15 | 1 | 200 | 125 | 590 | 175 | 177 | 52 | 600,0 | 200,0 | 305,0 | 20,15 |
| А14Б 512.000-16 | 2 | 150 | 150 | 266 | 266 | 80 | 80 | 600,0 | 170,0 | 270,0 | 17,09 |
| А14Б 512.000-17 | 1 | 200 | 150 | 590 | 266 | 177 | 80 | 600,0 | 200,0 | 310,0 | 22,66 |
Опоры подвижные двухрядные А14Б 513.000
Конструкция и размеры
Таблица №9
| Обозначение | Рис. | Условный проход Ду*, мм | Допускаемые нагрузки, кгс | Размеры, мм | Масса, кг | ||
|---|---|---|---|---|---|---|---|
| Вертик. | Горизонт. | L | l₁ | ||||
| Р | Q | ||||||
| А14Б 513.000 | 1 | 50 | 40 | 12 | 400,0 | 100,0 | 3,01 |
| А14Б 513.000-01 | 2 | 65 | 56 | 17 | 400,0 | 120,0 | 3,68 |
| А14Б 513.000-02 | 1 | 80 | 72 | 22 | 400,0 | 130,0 | 4,32 |
| А14Б 513.000-03 | 1 | 100 | 120 | 36 | 600,0 | 140,0 | 5,42 |
| А14Б 513.000-04 | 1 | 50 | 40 | 12 | 600,0 | 100,0 | 3,44 |
| А14Б 513.000-05 | 2 | 65 | 56 | 17 | 600,0 | 120,0 | 4,53 |
| А14Б 513.000-06 | 1 | 80 | 72 | 22 | 600,0 | 130,0 | 4,93 |
| А14Б 513.000-07 | 1 | 100 | 120 | 36 | 600,0 | 140,0 | 6,18 |
Опоры подвижные двухрядные А14Б 514.000
Конструкция и размеры
Таблица №10
| Обозначение | Условный проход Ду*, мм | Допускаемые нагрузки, кгс | Размеры, мм | Масса, кг | |
|---|---|---|---|---|---|
| Вертик. | Горизонт. | l₁ | |||
| Р | Q | ||||
| А14Б 514.000 | 50 | 40 | 12 | 100,0 | 2,50 |
| А14Б 514.000-01 | 65 | 56 | 17 | 120,0 | 3,00 |
| А14Б 514.000-02 | 80 | 72 | 22 | 130,0 | 3,60 |
| А14Б 514.000-03 | 100 | 120 | 36 | 140,0 | 5,00 |
Опоры подвижные двухрядные А14Б 515.000
Конструкция и размеры
Таблица №11
| Обозначение | Условный проход | Допускаемые нагрузки, кгс | Размеры, мм | Масса, кг | ||||
|---|---|---|---|---|---|---|---|---|
| Вертикал. | Горизонтальн. | L | l₁ | |||||
| Ду | Ду₁ | Р | Р₁ | Q | ||||
| А14Б 515.000 | 125 | 100 | 175 | 120 | 52 | 400,0 | 155,0 | 8,10 |
| А14Б 515.000-01 | 150 | 100 | 266 | 120 | 80 | 400,0 | 170,0 | 9,50 |
| А14Б 515.000-02 | 200 | 100 | 590 | 120 | 177 | 400,0 | 200,0 | 13,90 |
| А14Б 515.000-03 | 250 | 100 | 840 | 120 | 252 | 400,0 | 240,0 | 16,60 |
| А14Б 515.000-04 | 125 | 125 | 175 | 175 | 52 | 400,0 | 155,0 | 9,60 |
| А14Б 515.000-05 | 150 | 125 | 266 | 175 | 80 | 400,0 | 170,0 | 11,00 |
| А14Б 515.000-06 | 200 | 125 | 590 | 175 | 177 | 400,0 | 200,0 | 16,80 |
| А14Б 515.000-07 | 250 | 125 | 840 | 175 | 252 | 400,0 | 240,0 | 20,30 |
| А14Б 515.000-08 | 150 | 250 | 266 | 266 | 80 | 400,0 | 170,0 | 12,30 |
| А14Б 515.000-09 | 200 | 250 | 590 | 266 | 177 | 400,0 | 200,0 | 16,90 |
| А14Б 515.000-10 | 250 | 250 | 840 | 266 | 252 | 400,0 | 240,0 | 20,40 |
| А14Б 515.000-11 | 200 | 200 | 590 | 590 | 177 | 400,0 | 200,0 | 21,70 |
| А14Б 515.000-12 | 250 | 200 | 840 | 590 | 252 | 400,0 | 240,0 | 26,00 |
| А14Б 515.000-13 | 250 | 250 | 840 | 840 | 252 | 400,0 | 240,0 | 26,00 |
| А14Б 515.000-14 | 125 | 100 | 175 | 120 | 52 | 600,0 | 155,0 | 9,50 |
| А14Б 515.000-15 | 150 | 100 | 266 | 120 | 80 | 600,0 | 170,0 | 11,20 |
| А14Б 515.000-16 | 200 | 100 | 590 | 120 | 177 | 600,0 | 200,0 | 15,30 |
| А14Б 515.000-17 | 250 | 100 | 840 | 120 | 252 | 600,0 | 240,0 | 19,90 |
| А14Б 515.000-18 | 125 | 125 | 175 | 175 | 52 | 600,0 | 155,0 | 11,00 |
| А14Б 515.000-19 | 150 | 125 | 266 | 175 | 80 | 600,0 | 170,0 | 12,70 |
| А14Б 515.000-20 | 200 | 125 | 590 | 175 | 177 | 600,0 | 200,0 | 19,70 |
| А14Б 515.000-21 | 250 | 125 | 840 | 175 | 252 | 600,0 | 240,0 | 23,30 |
| А14Б 515.000-22 | 150 | 150 | 266 | 266 | 80 | 600,0 | 170,0 | 14,40 |
| А14Б 515.000-23 | 200 | 150 | 590 | 266 | 177 | 600,0 | 200,0 | 21,80 |
| А14Б 515.000-24 | 250 | 150 | 840 | 266 | 252 | 600,0 | 240,0 | 16,90 |
| А14Б 515.000-25 | 200 | 200 | 590 | 590 | 177 | 600,0 | 200,0 | 24,90 |
| А14Б 515.000-26 | 250 | 200 | 840 | 590 | 252 | 600,0 | 240,0 | 29,70 |
| А14Б 515.000-27 | 250 | 250 | 840 | 840 | 252 | 600,0 | 240,0 | 30,20 |
Опоры подвижные трехрядные А14Б 516.000
Конструкция и размеры

Таблица №12
| Обозначение | Условный проход Ду*, мм | Допускаемые нагрузки, кгс | Размеры, мм | Масса, кг | |||
|---|---|---|---|---|---|---|---|
| Вертик. | Горизонт. | L | l₁ | l₂ | |||
| Р | Q | ||||||
| А14Б 516.000 | 50 | 40 | 12 | 70,0 | 90,0 | 90,0 | 4,00 |
| А14Б 516.000-01 | 65 | 56 | 17 | 90,0 | 100,0 | 110,0 | 6,00 |
Опоры подвижные трехрядные А14Б 517.000
Конструкция и размеры

Таблица №13
| Обозначение | Условный проход | Допускаемые нагрузки, кгс | Размеры, мм | Масса, кг | |||||||
|---|---|---|---|---|---|---|---|---|---|---|---|
| Вертикальные | Горизонтальные | L | l₂ | l₃ | l₄ | ||||||
| Ду | Ду₁ | Р | Р₁ | Q | Q₁ | ||||||
| А14Б 517.000 | 80 | 50 | 72 | 40 | 22 | 12 | 400,0 | 130,0 | 175,0 | 160,0 | 8,00 |
| А14Б 517.000-01 | 100 | 50 | 120 | 40 | 36 | 12 | 400,0 | 140,0 | 195,0 | 170,0 | 9,90 |
| А14Б 517.000-02 | 125 | 50 | 175 | 40 | 52 | 12 | 400,0 | 155,0 | 225,0 | 185,0 | 13,56 |
| А14Б 517.000-03 | 150 | 50 | 266 | 40 | 80 | 12 | 400,0 | 170,0 | 270,0 | 200,0 | 18,80 |
| А14Б 517.000-04 | 200 | 50 | 590 | 40 | 177 | 12 | 400,0 | 200,0 | 310,0 | 230,0 | 31,60 |
| А14Б 517.000-05 | 100 | 80 | 120 | 72 | 36 | 22 | 400,0 | 140,0 | 195,0 | 185,0 | 10,21 |
| А14Б 517.000-06 | 125 | 80 | 175 | 72 | 52 | 22 | 400,0 | 155,0 | 225,0 | 200,0 | 18,10 |
| А14Б 517.000-07 | 150 | 80 | 266 | 72 | 80 | 22 | 400,0 | 170,0 | 270,0 | 215,0 | 19,46 |
| А14Б 517.000-08 | 200 | 80 | 590 | 72 | 177 | 22 | 400,0 | 200,0 | 310,0 | 245,0 | 33,46 |
| А14Б 517.000-09 | 100 | 100 | 120 | 120 | 36 | 36 | 400,0 | 140,0 | 195,0 | 195,0 | 12,43 |
| А14Б 517.000-10 | 125 | 100 | 175 | 120 | 52 | 36 | 400,0 | 155,0 | 225,0 | 210,0 | 16,43 |
| А14Б 517.000-11 | 150 | 100 | 266 | 120 | 80 | 36 | 400,0 | 170,0 | 270,0 | 225,0 | 21,10 |
| А14Б 517.000-12 | 200 | 100 | 590 | 120 | 177 | 36 | 400,0 | 200,0 | 310,0 | 255,0 | 32,80 |
| А14Б 517.000-13 | 80 | 50 | 72 | 40 | 22 | 12 | 600,0 | 130,0 | 175,0 | 160,0 | 9,41 |
| А14Б 517.000-14 | 100 | 50 | 120 | 40 | 36 | 12 | 600,0 | 140,0 | 195,0 | 170,0 | 11,60 |
| А14Б 517.000-15 | 125 | 50 | 175 | 40 | 52 | 12 | 600,0 | 155,0 | 225,0 | 185,0 | 15,63 |
| А14Б 517.000-16 | 150 | 50 | 266 | 40 | 80 | 12 | 600,0 | 170,0 | 270,0 | 200,0 | 21,62 |
| А14Б 517.000-17 | 200 | 50 | 590 | 40 | 177 | 12 | 600,0 | 200,0 | 310,0 | 230,0 | 36,00 |
| А14Б 517.000-18 | 100 | 80 | 120 | 72 | 36 | 22 | 600,0 | 140,0 | 195,0 | 185,0 | 12,00 |
| А14Б 517.000-19 | 125 | 80 | 175 | 72 | 52 | 22 | 600,0 | 155,0 | 225,0 | 200,0 | 21,00 |
| А14Б 517.000-20 | 150 | 80 | 266 | 72 | 80 | 22 | 600,0 | 170,0 | 270,0 | 215,0 | 22,31 |
| А14Б 517.000-21 | 200 | 80 | 590 | 72 | 177 | 22 | 600,0 | 200,0 | 310,0 | 245,0 | 37,90 |
| А14Б 517.000-22 | 100 | 100 | 120 | 120 | 36 | 36 | 600,0 | 140,0 | 195,0 | 195,0 | 14,52 |
| А14Б 517.000-23 | 125 | 100 | 175 | 120 | 52 | 36 | 600,0 | 155,0 | 225,0 | 210,0 | 18,90 |
| А14Б 517.000-24 | 150 | 100 | 266 | 120 | 80 | 36 | 600,0 | 170,0 | 270,0 | 225,0 | 25,15 |
| А14Б 517.000-25 | 200 | 100 | 590 | 120 | 177 | 36 | 600,0 | 200,0 | 310,0 | 255,0 | 37,20 |
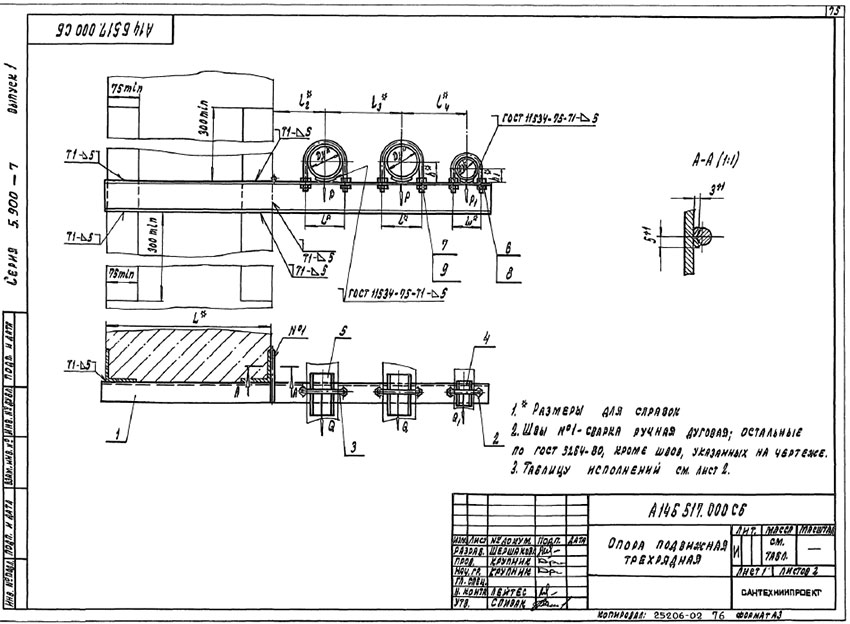
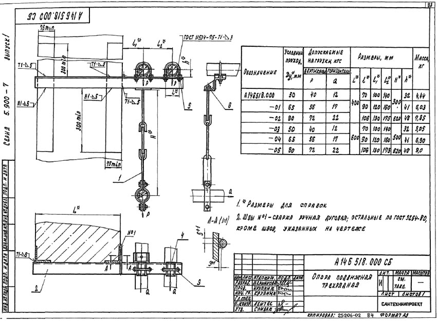
Опоры подвижные трехрядные А14Б 518.000
Конструкция и размеры

Таблица №14
| Обозначение | Условный проход Ду*, мм | Допускаемые нагрузки, кгс | Размеры, мм | Масса, кг | |||
|---|---|---|---|---|---|---|---|
| Вертик. | Горизонт. | L | l₁ | l₂ | |||
| Р | Q | ||||||
| А14Б 518.000 | 50 | 40 | 12 | 400,0 | 100,0 | 140,0 | 4,44 |
| А14Б 518.000-01 | 65 | 56 | 17 | 400,0 | 120,0 | 160,0 | 6,03 |
| А14Б 518.000-02 | 80 | 72 | 22 | 400,0 | 130,0 | 175,0 | 7,85 |
| А14Б 518.000-03 | 50 | 40 | 12 | 600,0 | 100,0 | 140,0 | 5,05 |
| А14Б 518.000-04 | 65 | 56 | 17 | 600,0 | 120,0 | 160,0 | 6,90 |
| А14Б 518.000-05 | 80 | 72 | 22 | 600,0 | 130,0 | 175,0 | 9,00 |
Опоры подвижные трехрядные А14Б 519.000
Конструкция и размеры

Таблица №15
| Обозначение | Условный проход Ду*, мм | Допускаемые нагрузки, кгс | Размеры, мм | Масса, кг | ||
|---|---|---|---|---|---|---|
| Вертик. | Горизонт. | l₁ | l₂ | |||
| Р | Q | |||||
| А14Б 519.000 | 50 | 40 | 12 | 100,0 | 100,0 | 4,12 |
| А14Б 519.000-01 | 65 | 56 | 17 | 110,0 | 120,0 | 4,90 |
| А14Б 519.000-02 | 80 | 72 | 22 | 120,0 | 140,0 | 6,00 |
Опоры подвижные трехрядные А14Б 520.000
Конструкция и размеры

Таблица №16
| Обозначение | Условный проход | Допускаемые нагрузки, кгс | Размеры, мм | Масса, кг | ||||||
|---|---|---|---|---|---|---|---|---|---|---|
| Вертикальные | Горизонтальные | L | l₂ | l₃ | ||||||
| Ду | Ду₁ | Р | Р₁ | Q | Q₁ | |||||
| А14Б 520.000 | 80 | 50 | 72 | 40 | 22 | 12 | 400,0 | 130,0 | 160,0 | 8,26 |
| А14Б 520.000-01 | 100 | 50 | 120 | 40 | 36 | 12 | 400,0 | 140,0 | 170,0 | 8,61 |
| А14Б 520.000-02 | 125 | 50 | 175 | 40 | 52 | 12 | 400,0 | 155,0 | 185,0 | 12,30 |
| А14Б 520.000-03 | 150 | 50 | 266 | 40 | 80 | 12 | 400,0 | 170,0 | 200,0 | 14,74 |
| А14Б 520.000-04 | 200 | 50 | 590 | 40 | 177 | 12 | 400,0 | 200,0 | 230,0 | 24,00 |
| А14Б 520.000-05 | 100 | 80 | 120 | 72 | 36 | 22 | 400,0 | 140,0 | 185,0 | 9,10 |
| А14Б 520.000-06 | 125 | 80 | 175 | 72 | 52 | 22 | 400,0 | 155,0 | 200,0 | 12,75 |
| А14Б 520.000-07 | 150 | 80 | 266 | 72 | 80 | 22 | 400,0 | 170,0 | 215,0 | 16,25 |
| А14Б 520.000-08 | 200 | 80 | 590 | 72 | 177 | 22 | 400,0 | 200,0 | 245,0 | 24,61 |
| А14Б 520.000-09 | 100 | 100 | 120 | 120 | 36 | 36 | 400,0 | 140,0 | 195,0 | 12,53 |
| А14Б 520.000-10 | 125 | 100 | 175 | 120 | 52 | 36 | 400,0 | 155,0 | 210,0 | 15,30 |
| А14Б 520.000-11 | 150 | 100 | 266 | 120 | 80 | 36 | 400,0 | 170,0 | 225,0 | 17,33 |
| А14Б 520.000-12 | 200 | 100 | 590 | 120 | 177 | 36 | 400,0 | 200,0 | 255,0 | 28,00 |
| А14Б 520.000-13 | 80 | 50 | 72 | 40 | 22 | 12 | 600,0 | 130,0 | 160,0 | 9,66 |
| А14Б 520.000-14 | 100 | 50 | 120 | 40 | 36 | 12 | 600,0 | 140,0 | 170,0 | 10,00 |
| А14Б 520.000-15 | 125 | 50 | 175 | 40 | 52 | 12 | 600,0 | 155,0 | 185,0 | 14,00 |
| А14Б 520.000-16 | 150 | 50 | 266 | 40 | 80 | 12 | 600,0 | 170,0 | 200,0 | 16,82 |
| А14Б 520.000-17 | 200 | 50 | 590 | 40 | 177 | 12 | 600,0 | 200,0 | 230,0 | 27,11 |
| А14Б 520.000-18 | 100 | 80 | 120 | 72 | 36 | 22 | 600,0 | 140,0 | 185,0 | 10,47 |
| А14Б 520.000-19 | 125 | 80 | 175 | 72 | 52 | 22 | 600,0 | 155,0 | 200,0 | 15,00 |
| А14Б 520.000-20 | 150 | 80 | 266 | 72 | 80 | 22 | 600,0 | 170,0 | 215,0 | 17,42 |
| А14Б 520.000-21 | 200 | 80 | 590 | 72 | 177 | 22 | 600,0 | 200,0 | 245,0 | 27,20 |
| А14Б 520.000-22 | 100 | 100 | 120 | 120 | 36 | 36 | 600,0 | 140,0 | 195,0 | 13,20 |
| А14Б 520.000-23 | 125 | 100 | 175 | 120 | 52 | 36 | 600,0 | 155,0 | 210,0 | 17,10 |
| А14Б 520.000-24 | 150 | 100 | 266 | 120 | 80 | 36 | 600,0 | 170,0 | 225,0 | 19,70 |
| А14Б 520.000-25 | 200 | 100 | 590 | 120 | 177 | 36 | 600,0 | 200,0 | 255,0 | 31,60 |
Опоры подвижные А14Б 521.000
Конструкция и размеры

Таблица №17
| Обозначение | Условный проход Ду*, мм | Допускаемые нагрузки, кгс | Размеры, мм | Масса, кг | ||
|---|---|---|---|---|---|---|
| Вертик. | Горизонт. | L | l₁ | |||
| Р | Q | |||||
| А14Б 521.000 | 100 | 120 | 36 | 400,0 | 140,0 | 20,60 |
| А14Б 521.000-01 | 125 | 175 | 52 | 400,0 | 155,0 | 24,20 |
| А14Б 521.000-02 | 150 | 266 | 80 | 400,0 | 170,0 | 24,33 |
| А14Б 521.000-03 | 200 | 590 | 177 | 400,0 | 200,0 | 45,00 |
| А14Б 521.000-04 | 250 | 840 | 252 | 400,0 | 240,0 | 52,35 |
| А14Б 521.000-05 | 100 | 120 | 36 | 400,0 | 140,0 | 23,10 |
| А14Б 521.000-06 | 125 | 175 | 52 | 400,0 | 155,0 | 26,60 |
| А14Б 521.000-07 | 150 | 266 | 80 | 400,0 | 170,0 | 28,60 |
| А14Б 521.000-08 | 200 | 590 | 177 | 400,0 | 200,0 | 50,15 |
| А14Б 521.000-09 | 250 | 840 | 252 | 400,0 | 240,0 | 59,50 |
| А14Б 521.000-10 | 100 | 120 | 36 | 600,0 | 140,0 | 23,30 |
| А14Б 521.000-11 | 125 | 175 | 52 | 600,0 | 155,0 | 25,40 |
| А14Б 521.000-12 | 150 | 266 | 80 | 600,0 | 170,0 | 27,10 |
| А14Б 521.000-13 | 200 | 590 | 177 | 600,0 | 200,0 | 51,00 |
| А14Б 521.000-14 | 250 | 840 | 252 | 600,0 | 240,0 | 58,40 |
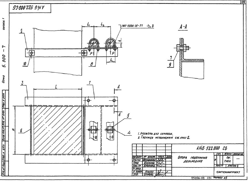
Опоры подвижные двухрядные А14Б 522.000
Конструкция и размеры

Таблица №18
| Обозначение | Условный проход Ду*, мм | Допускаемые нагрузки, кгс | Размеры, мм | Масса, кг | |||
|---|---|---|---|---|---|---|---|
| Вертик. | Горизонт. | L | l₁ | l₂ | |||
| Р | Q | ||||||
| А14Б 522.000 | 50 | 40 | 12 | 400,0 | 100,0 | 140,0 | 25,30 |
| А14Б 522.000-01 | 65 | 56 | 17 | 400,0 | 120,0 | 160,0 | 27,40 |
| А14Б 522.000-02 | 80 | 72 | 22 | 400,0 | 130,0 | 175,0 | 29,10 |
| А14Б 522.000-03 | 100 | 120 | 36 | 400,0 | 140,0 | 195,0 | 47,50 |
| А14Б 522.000-04 | 125 | 175 | 52 | 400,0 | 155,0 | 225,0 | 54,90 |
| А14Б 522.000-05 | 150 | 266 | 80 | 400,0 | 170,0 | 270,0 | 69,60 |
| А14Б 522.000-06 | 50 | 40 | 12 | 400,0 | 100,0 | 140,0 | 30,40 |
| А14Б 522.000-07 | 65 | 56 | 17 | 400,0 | 120,0 | 160,0 | 32,80 |
| А14Б 522.000-08 | 80 | 72 | 22 | 400,0 | 130,0 | 175,0 | 35,10 |
| А14Б 522.000-09 | 100 | 120 | 36 | 400,0 | 140,0 | 195,0 | 54,20 |
| А14Б 522.000-10 | 125 | 175 | 52 | 400,0 | 155,0 | 225,0 | 59,00 |
| А14Б 522.000-11 | 150 | 266 | 80 | 400,0 | 170,0 | 270,0 | 78,80 |
| А14Б 522.000-12 | 50 | 40 | 12 | 600,0 | 100,0 | 140,0 | 28,00 |
| А14Б 522.000-13 | 65 | 56 | 17 | 600,0 | 120,0 | 160,0 | 30,20 |
| А14Б 522.000-14 | 80 | 72 | 22 | 600,0 | 130,0 | 175,0 | 31,80 |
| А14Б 522.000-15 | 100 | 120 | 36 | 600,0 | 140,0 | 195,0 | 53,30 |
| А14Б 522.000-16 | 125 | 175 | 52 | 600,0 | 155,0 | 225,0 | 61,10 |
| А14Б 522.000-17 | 150 | 266 | 80 | 600,0 | 170,0 | 270,0 | 75,60 |
Опоры подвижные А14Б 523.000
Конструкция и размеры

Таблица №19
| Обозначение | Условный проход ДУ, мм | Допускаемые нагрузки, кгс | Размеры, мм | Масса, кг | |
|---|---|---|---|---|---|
| Вертикальн. | Горизонтал. | ||||
| Р | Q | L | |||
| А14Б 523.000 | 50 | 51 | 15,3 | 150,0 | 2,30 |
| А14Б 523.000-01 | 50 | 51 | 15,3 | 150,0 | 2,70 |
| А14Б 523.000-02 | 65 | 78 | 23,4 | 160,0 | 2,90 |
| А14Б 523.000-03 | 65 | 78 | 23,4 | 160,0 | 4,30 |
Опоры подвижные А14Б 524.000
Конструкция и размеры

Таблица №20
| Обозначение | Условный проход Ду, мм | Допускаемые нагрузки, кгс | Размеры, мм | Масса, кг | |
|---|---|---|---|---|---|
| Вертикальн. | Горизонтал. | ||||
| Р | Q | L | |||
| А14Б 524.000 | 80 | 107 | 32,1 | 180,0 | 3,00 |
| А14Б 524.000-01 | 80 | 107 | 32,1 | 180,0 | 3,40 |
| А14Б 524.000-02 | 100 | 157 | 47,1 | 190,0 | 4,14 |
| А14Б 524.000-03 | 100 | 157 | 47,1 | 190,0 | 4,70 |
| А14Б 524.000-04 | 125 | 220 | 66 | 200,0 | 4,60 |
| А14Б 524.000-05 | 125 | 220 | 66 | 200,0 | 5,10 |
Опоры подвижные А14Б 525.000
Конструкция и размеры

Таблица №21
| Обозначение | Условный проход Ду, мм | Допускаемые нагрузки, кгс | Размеры, мм | Масса, кг | ||
|---|---|---|---|---|---|---|
| Вертикальн. | Горизонтал. | |||||
| Р | Q | L | l | |||
| А14Б 525.000 | 50 | 51 | 15,3 | 400,0 | 150,0 | 2,80 |
| А14Б 525.000-01 | 50 | 51 | 15,3 | 400,0 | 150,0 | 3,30 |
| А14Б 525.000-02 | 65 | 78 | 23,4 | 400,0 | 160,0 | 3,00 |
| А14Б 525.000-03 | 65 | 78 | 23,4 | 400,0 | 160,0 | 3,50 |
| А14Б 525.000-04 | 80 | 107 | 32,1 | 400,0 | 185,0 | 3,80 |
| А14Б 525.000-05 | 80 | 107 | 32,1 | 400,0 | 185,0 | 4,20 |
| А14Б 525.000-06 | 50 | 51 | 15,3 | 600,0 | 150,0 | 3,30 |
| А14Б 525.000-07 | 50 | 51 | 15,3 | 600,0 | 150,0 | 3,70 |
| А14Б 525.000-08 | 65 | 78 | 23,4 | 600,0 | 160,0 | 3,50 |
| А14Б 525.000-09 | 65 | 78 | 23,4 | 600,0 | 160,0 | 4,00 |
| А14Б 525.000-10 | 80 | 107 | 32,1 | 600,0 | 185,0 | 4,50 |
| А14Б 525.000-11 | 80 | 107 | 32,1 | 600,0 | 185,0 | 5,00 |
Опоры подвижные А14Б 526.000
Конструкция и размеры

Таблица №22
| Обозначение | Условный проход ДУ, мм | Допускаемые нагрузки, кгс | Размеры, мм | Масса, кг | ||
|---|---|---|---|---|---|---|
| Вертикальн. | Горизонтал. | |||||
| Р | Q | L | l | |||
| А14Б 526.000 | 100 | 157 | 47,1 | 400,0 | 195,0 | 5,80 |
| А14Б 526.000-01 | 100 | 157 | 47,1 | 400,0 | 195,0 | 6,30 |
| А14Б 526.000-02 | 125 | 220 | 66 | 400,0 | 210,0 | 5,80 |
| А14Б 526.000-03 | 125 | 220 | 66 | 400,0 | 210,0 | 6,30 |
| А14Б 526.000-04 | 150 | 325 | 97,5 | 400,0 | 220,0 | 7,10 |
| А14Б 526.000-05 | 150 | 325 | 97,5 | 400,0 | 220,0 | 7,80 |
| А14Б 526.000-06 | 200 | 860 | 258 | 400,0 | 260,0 | 14,80 |
| А14Б 526.000-07 | 200 | 860 | 258 | 400,0 | 260,0 | 15,60 |
| А14Б 526.000-08 | 250 | 1153 | 346 | 400,0 | 290,0 | 17,90 |
| А14Б 526.000-09 | 250 | 1153 | 346 | 400,0 | 290,0 | 18,70 |
| А14Б 526.000-10 | 100 | 157 | 47,1 | 600,0 | 195,0 | 7,00 |
| А14Б 526.000-11 | 100 | 157 | 47,1 | 600,0 | 195,0 | 7,50 |
| А14Б 526.000-12 | 125 | 220 | 66 | 600,0 | 210,0 | 7,00 |
| А14Б 526.000-13 | 125 | 220 | 66 | 600,0 | 210,0 | 7,50 |
| А14Б 526.000-14 | 150 | 325 | 97,5 | 600,0 | 220,0 | 8,50 |
| А14Б 526.000-15 | 150 | 325 | 97,5 | 600,0 | 220,0 | 9,20 |
| А14Б 526.000-16 | 200 | 860 | 258 | 600,0 | 260,0 | 17,60 |
| А14Б 526.000-17 | 200 | 860 | 258 | 600,0 | 260,0 | 18,40 |
| А14Б 526.000-18 | 250 | 1153 | 346 | 600,0 | 290,0 | 21,30 |
| А14Б 526.000-19 | 250 | 1153 | 346 | 600,0 | 290,0 | 22,10 |
Опоры подвижные двухрядные А14Б 527.000
Конструкция и размеры

Таблица №23
| Обозначение | Условный проход Ду, мм | Допускаемые нагрузки, кгс | Размеры, мм | Масса, кг | ||
|---|---|---|---|---|---|---|
| Вертикальн. | Горизонтал. | |||||
| Р | Q | L | l₁ | |||
| А14Б 527.000 | 50 | 51 | 15,3 | 150,0 | 230,0 | 5,40 |
| А14Б 527.000-01 | 50 | 51 | 15,3 | 150,0 | 230,0 | 6,30 |
| А14Б 527.000-02 | 65 | 78 | 23,4 | 155,0 | 250,0 | 6,00 |
| А14Б 527.000-03 | 65 | 78 | 23,4 | 155,0 | 250,0 | 7,00 |
Опоры подвижные двухрядные А14Б 528.000
Конструкция и размеры

Таблица №24
| Обозначение | Условный проход Ду, мм | Допускаемые нагрузки, кгс | Размеры, мм | Масса, кг | |||
|---|---|---|---|---|---|---|---|
| Вертикальн. | Горизонтал. | ||||||
| Р | Q | L | l | l₁ | |||
| А14Б 528.000 | 50 | 51 | 15,3 | 400,0 | 150,0 | 230,0 | 7,60 |
| А14Б 528.000-01 | 50 | 51 | 15,3 | 400,0 | 150,0 | 230,0 | 8,50 |
| А14Б 528.000-02 | 65 | 78 | 23,4 | 400,0 | 160,0 | 250,0 | 7,70 |
| А14Б 528.000-03 | 65 | 78 | 23,4 | 400,0 | 160,0 | 250,0 | 8,70 |
| А14Б 528.000-04 | 80 | 107 | 32,1 | 400,0 | 185,0 | 300,0 | 9,30 |
| А14Б 528.000-05 | 80 | 107 | 32,1 | 400,0 | 185,0 | 300,0 | 10,30 |
| А14Б 528.000-06 | 100 | 157 | 47,1 | 400,0 | 195,0 | 320,0 | 12,10 |
| А14Б 528.000-07 | 100 | 157 | 47,1 | 400,0 | 195,0 | 320,0 | 13,10 |
| А14Б 528.000-08 | 50 | 51 | 15,3 | 600,0 | 150,0 | 230,0 | 8,80 |
| А14Б 528.000-09 | 50 | 51 | 15,3 | 600,0 | 150,0 | 230,0 | 9,80 |
| А14Б 528.000-10 | 65 | 78 | 23,4 | 600,0 | 160,0 | 250,0 | 8,80 |
| А14Б 528.000-11 | 65 | 78 | 23,4 | 600,0 | 160,0 | 250,0 | 9,80 |
| А14Б 528.000-12 | 80 | 107 | 32,1 | 600,0 | 185,0 | 300,0 | 10,70 |
| А14Б 528.000-13 | 80 | 107 | 32,1 | 600,0 | 185,0 | 300,0 | 11,70 |
| А14Б 528.000-14 | 100 | 157 | 47,1 | 600,0 | 195,0 | 320,0 | 13,80 |
| А14Б 528.000-15 | 100 | 157 | 47,1 | 600,0 | 195,0 | 320,0 | 14,80 |
Опоры подвижные двухрядные А14Б 529.000
Конструкция и размеры

Таблица №25
| Обозначение | Рис. | Условный проход, мм | Допускаемые нагрузки, кгс | Размеры, мм | Масса, кг | ||||||
|---|---|---|---|---|---|---|---|---|---|---|---|
| Горизонтал. | Вертикальн. | ||||||||||
| Ду | Ду₁ | Р | Р₁ | Q | Q₁ | L | l | l₁ | |||
| А14Б 529.000 | 1 | 100 | 125 | 157 | 220 | 47,1 | 6,6 | 400,0 | 210,0 | 335,0 | 14,20 |
| А14Б 529.000-01 | 1 | 100 | 125 | 157 | 220 | 47,1 | 6,6 | 400,0 | 210,0 | 335,0 | 15,20 |
| А14Б 529.000-02 | 1 | 100 | 150 | 157 | 325 | 47,1 | 97,5 | 400,0 | 220,0 | 345,0 | 16,80 |
| А14Б 529.000-03 | 1 | 100 | 150 | 157 | 325 | 47,1 | 97,5 | 400,0 | 220,0 | 345,0 | 18,00 |
| А14Б 529.000-04 | 1 | 100 | 200 | 157 | 860 | 47,1 | 258 | 400,0 | 260,0 | 385,0 | 24,90 |
| А14Б 529.000-05 | 1 | 100 | 200 | 157 | 860 | 47,1 | 258 | 400,0 | 260,0 | 385,0 | 26,20 |
| А14Б 529.000-06 | 1 | 100 | 250 | 157 | 1153 | 47,1 | 345,9 | 400,0 | 290,0 | 415,0 | 32,20 |
| А14Б 529.000-07 | 1 | 100 | 250 | 157 | 1153 | 47,1 | 345,9 | 400,0 | 290,0 | 415,0 | 36,50 |
| А14Б 529.000-08 | 2 | 125 | ---- | 220 | ---- | 66 | ---- | 400,0 | 210,0 | 350,0 | 16,30 |
| А14Б 529.000-09 | 2 | 125 | ---- | 220 | ---- | 66 | ---- | 400,0 | 210,0 | 350,0 | 17,30 |
| А14Б 529.000-10 | 1 | 125 | 150 | 220 | 325 | 66 | 97,5 | 400,0 | 220,0 | 360,0 | 18,10 |
| А14Б 529.000-11 | 1 | 125 | 150 | 220 | 325 | 66 | 97,5 | 400,0 | 220,0 | 360,0 | 19,20 |
| А14Б 529.000-12 | 1 | 125 | 200 | 220 | 860 | 66 | 258 | 400,0 | 260,0 | 400,0 | 27,90 |
| А14Б 529.000-13 | 1 | 125 | 200 | 220 | 860 | 66 | 258 | 400,0 | 260,0 | 400,0 | 29,20 |
| А14Б 529.000-14 | 1 | 125 | 250 | 220 | 1153 | 66 | 345,9 | 400,0 | 290,0 | 430,0 | 32,50 |
| А14Б 529.000-15 | 1 | 125 | 250 | 220 | 1153 | 66 | 345,9 | 400,0 | 290,0 | 430,0 | 33,80 |
| А14Б 529.000-16 | 2 | 150 | ---- | 325 | ---- | 97,5 | ---- | 400,0 | 220,0 | 370,0 | 20,90 |
| А14Б 529.000-17 | 2 | 150 | ---- | 325 | ---- | 97,5 | ---- | 400,0 | 220,0 | 370,0 | 22,20 |
| А14Б 529.000-18 | 1 | 150 | 200 | 325 | 860 | 97,5 | 258 | 400,0 | 260,0 | 410,0 | 31,90 |
| А14Б 529.000-19 | 1 | 150 | 200 | 325 | 860 | 97,5 | 258 | 400,0 | 260,0 | 410,0 | 33,40 |
| А14Б 529.000-20 | 1 | 100 | 125 | 157 | 220 | 47,1 | 6,6 | 600,0 | 210,0 | 335,0 | 16,30 |
| А14Б 529.000-21 | 1 | 100 | 125 | 157 | 220 | 47,1 | 6,6 | 600,0 | 210,0 | 335,0 | 17,30 |
| А14Б 529.000-22 | 1 | 100 | 150 | 157 | 325 | 47,1 | 97,5 | 600,0 | 220,0 | 345,0 | 19,30 |
| А14Б 529.000-23 | 1 | 100 | 150 | 157 | 325 | 47,1 | 97,5 | 600,0 | 220,0 | 345,0 | 20,50 |
| А14Б 529.000-24 | 1 | 100 | 200 | 157 | 860 | 47,1 | 258 | 600,0 | 260,0 | 385,0 | 26,40 |
| А14Б 529.000-25 | 1 | 100 | 200 | 157 | 860 | 47,1 | 258 | 600,0 | 260,0 | 385,0 | 29,70 |
| А14Б 529.000-26 | 1 | 100 | 250 | 157 | 1153 | 47,1 | 345,9 | 600,0 | 290,0 | 415,0 | 36,00 |
| А14Б 529.000-27 | 1 | 100 | 250 | 157 | 1153 | 47,1 | 345,9 | 600,0 | 290,0 | 415,0 | 38,10 |
| А14Б 529.000-28 | 2 | 125 | ---- | 220 | ---- | 66 | ---- | 600,0 | 210,0 | 350,0 | 18,70 |
| А14Б 529.000-29 | 2 | 125 | ---- | 220 | ---- | 66 | ---- | 600,0 | 210,0 | 350,0 | 19,70 |
| А14Б 529.000-30 | 1 | 125 | 150 | 220 | 325 | 66 | 97,5 | 600,0 | 220,0 | 360,0 | 20,00 |
| А14Б 529.000-31 | 1 | 125 | 150 | 220 | 325 | 66 | 97,5 | 600,0 | 220,0 | 360,0 | 21,90 |
| А14Б 529.000-32 | 1 | 125 | 200 | 220 | 860 | 66 | 258 | 600,0 | 260,0 | 400,0 | 31,90 |
| А14Б 529.000-33 | 1 | 125 | 200 | 220 | 860 | 66 | 258 | 600,0 | 260,0 | 400,0 | 33,20 |
| А14Б 529.000-34 | 1 | 125 | 250 | 220 | 1153 | 66 | 345,9 | 600,0 | 290,0 | 430,0 | 37,00 |
| А14Б 529.000-35 | 1 | 125 | 250 | 220 | 1153 | 66 | 345,9 | 600,0 | 290,0 | 430,0 | 38,30 |
| А14Б 529.000-36 | 2 | 150 | ---- | 325 | ---- | 97,5 | ---- | 600,0 | 220,0 | 370,0 | 23,90 |
| А14Б 529.000-37 | 2 | 150 | ---- | 325 | ---- | 97,5 | ---- | 600,0 | 220,0 | 370,0 | 25,20 |
| А14Б 529.000-38 | 1 | 150 | 200 | 325 | 860 | 97,5 | 258 | 600,0 | 260,0 | 410,0 | 36,40 |
| А14Б 529.000-39 | 1 | 150 | 200 | 325 | 860 | 97,5 | 258 | 600,0 | 260,0 | 410,0 | 37,90 |
Опоры подвижные двухрядные А14Б 530.000
Конструкция и размеры

Таблица №26
| Обозначение | Условный проход Ду, мм | Допускаемые нагрузки, кгс | Размеры, мм | Масса, кг | |
|---|---|---|---|---|---|
| Вертикальн. | Горизонтал. | ||||
| Р | Q | L | |||
| А14Б 530.000 | 50 | 51 | 15,3 | 150,0 | 2,90 |
| А14Б 530.000-01 | 50 | 51 | 15,3 | 150,0 | 3,90 |
| А14Б 530.000-02 | 65 | 78 | 23,4 | 160,0 | 3,80 |
| А14Б 530.000-03 | 65 | 78 | 23,4 | 160,0 | 4,20 |
| А14Б 530.000-04 | 80 | 107 | 32,1 | 185,0 | 4,00 |
| А14Б 530.000-05 | 80 | 107 | 32,1 | 185,0 | 5,20 |
| А14Б 530.000-06 | 100 | 157 | 47,1 | 190,0 | 6,30 |
| А14Б 530.000-07 | 100 | 157 | 47,1 | 190,0 | 6,70 |
Опоры подвижные двухрядные А14Б 531.000
Конструкция и размеры

Таблица №27
| Обозначение | Условный проход Ду, мм | Допускаемые нагрузки, кгс | Размеры, мм | Масса, кг | ||
|---|---|---|---|---|---|---|
| Вертикальн. | Горизонтал. | |||||
| Р | Q | L | l | |||
| А14Б 531.000 | 50 | 51 | 15,3 | 400,0 | 150,0 | 6,60 |
| А14Б 531.000-01 | 50 | 51 | 15,3 | 400,0 | 150,0 | 7,10 |
| А14Б 531.000-02 | 65 | 78 | 23,4 | 400,0 | 160,0 | 6,70 |
| А14Б 531.000-03 | 65 | 78 | 23,4 | 400,0 | 160,0 | 7,10 |
| А14Б 531.000-04 | 80 | 107 | 32,1 | 400,0 | 185,0 | 8,00 |
| А14Б 531.000-05 | 80 | 107 | 32,1 | 400,0 | 185,0 | 13,60 |
| А14Б 531.000-06 | 100 | 157 | 47,1 | 400,0 | 195,0 | 9,60 |
| А14Б 531.000-07 | 100 | 157 | 47,1 | 400,0 | 195,0 | 10,00 |
| А14Б 531.000-08 | 50 | 51 | 15,3 | 600,0 | 150,0 | 7,80 |
| А14Б 531.000-09 | 50 | 51 | 15,3 | 600,0 | 150,0 | 8,30 |
| А14Б 531.000-10 | 65 | 78 | 23,4 | 600,0 | 160,0 | 7,90 |
| А14Б 531.000-11 | 65 | 78 | 23,4 | 600,0 | 160,0 | 8,30 |
| А14Б 531.000-12 | 80 | 107 | 32,1 | 600,0 | 185,0 | 9,40 |
| А14Б 531.000-13 | 80 | 107 | 32,1 | 600,0 | 185,0 | 9,80 |
| А14Б 531.000-14 | 100 | 157 | 47,1 | 600,0 | 195,0 | 11,00 |
| А14Б 531.000-15 | 100 | 157 | 47,1 | 600,0 | 195,0 | 11,50 |
Опоры подвижные двухрядные А14Б 532.000
Конструкция и размеры

Таблица №28
| Обозначение | Условный проход, мм | Допускаемые нагрузки, кгс | Размеры, мм | Масса, кг | ||||
|---|---|---|---|---|---|---|---|---|
| Вертикальн. | Горизонт. | |||||||
| Ду | Ду₁ | Р | Р₁ | Q | L | l | ||
| А14Б 532.000 | 125 | 100 | 220 | 157 | 66 | 400,0 | 210,0 | 10,30 |
| А14Б 532.000-01 | 125 | 100 | 220 | 157 | 66 | 400,0 | 210,0 | 10,80 |
| А14Б 532.000-02 | 150 | 100 | 325 | 157 | 97,5 | 400,0 | 220,0 | 12,10 |
| А14Б 532.000-03 | 150 | 100 | 325 | 157 | 97,5 | 400,0 | 220,0 | 12,80 |
| А14Б 532.000-04 | 200 | 100 | 860 | 157 | 258 | 400,0 | 260,0 | 18,20 |
| А14Б 532.000-05 | 200 | 100 | 860 | 157 | 258 | 400,0 | 260,0 | 19,00 |
| А14Б 532.000-06 | 250 | 100 | 1153 | 157 | 345,9 | 400,0 | 290,0 | 22,50 |
| А14Б 532.000-07 | 250 | 100 | 1153 | 157 | 345,9 | 400,0 | 290,0 | 23,30 |
| А14Б 532.000-08 | 125 | 125 | 220 | 220 | 66 | 400,0 | 210,0 | 11,90 |
| А14Б 532.000-09 | 125 | 125 | 220 | 220 | 66 | 400,0 | 210,0 | 12,40 |
| А14Б 532.000-10 | 150 | 125 | 325 | 220 | 97,5 | 400,0 | 220,0 | 13,70 |
| А14Б 532.000-11 | 150 | 125 | 325 | 220 | 97,5 | 400,0 | 220,0 | 14,40 |
| А14Б 532.000-12 | 200 | 125 | 860 | 220 | 258 | 400,0 | 260,0 | 19,80 |
| А14Б 532.000-13 | 200 | 125 | 860 | 220 | 258 | 400,0 | 260,0 | 20,60 |
| А14Б 532.000-14 | 250 | 125 | 1153 | 220 | 345,9 | 400,0 | 290,0 | 24,10 |
| А14Б 532.000-15 | 250 | 125 | 1153 | 220 | 345,9 | 400,0 | 290,0 | 24,90 |
| А14Б 532.000-16 | 200 | 200 | 860 | 860 | 258 | 400,0 | 260,0 | 26,00 |
| А14Б 532.000-17 | 200 | 200 | 860 | 860 | 258 | 400,0 | 260,0 | 26,80 |
| А14Б 532.000-18 | 125 | 100 | 220 | 157 | 66 | 600,0 | 210,0 | 12,00 |
| А14Б 532.000-19 | 125 | 100 | 220 | 157 | 66 | 600,0 | 210,0 | 12,50 |
| А14Б 532.000-20 | 150 | 100 | 325 | 157 | 97,5 | 600,0 | 220,0 | 14,30 |
| А14Б 532.000-21 | 150 | 100 | 325 | 157 | 97,5 | 600,0 | 220,0 | 14,90 |
| А14Б 532.000-22 | 200 | 100 | 860 | 157 | 258 | 600,0 | 260,0 | 21,30 |
| А14Б 532.000-23 | 200 | 100 | 860 | 157 | 258 | 600,0 | 260,0 | 22,10 |
| А14Б 532.000-24 | 250 | 100 | 1153 | 157 | 345,9 | 600,0 | 290,0 | 26,50 |
| А14Б 532.000-25 | 250 | 100 | 1153 | 157 | 345,9 | 600,0 | 290,0 | 27,30 |
| А14Б 532.000-26 | 125 | 125 | 220 | 220 | 66 | 600,0 | 210,0 | 13,60 |
| А14Б 532.000-27 | 125 | 125 | 220 | 220 | 66 | 600,0 | 210,0 | 14,10 |
| А14Б 532.000-28 | 150 | 125 | 325 | 220 | 97,5 | 600,0 | 220,0 | 15,80 |
| А14Б 532.000-29 | 150 | 125 | 325 | 220 | 97,5 | 600,0 | 220,0 | 16,50 |
| А14Б 532.000-30 | 200 | 125 | 860 | 220 | 258 | 600,0 | 260,0 | 22,90 |
| А14Б 532.000-31 | 200 | 125 | 860 | 220 | 258 | 600,0 | 260,0 | 23,70 |
| А14Б 532.000-32 | 250 | 125 | 1153 | 220 | 345,9 | 600,0 | 290,0 | 28,10 |
| А14Б 532.000-33 | 250 | 125 | 1153 | 220 | 345,9 | 600,0 | 290,0 | 28,90 |
| А14Б 532.000-34 | 200 | 200 | 860 | 860 | 258 | 600,0 | 260,0 | 30,20 |
| А14Б 532.000-35 | 200 | 200 | 860 | 860 | 258 | 600,0 | 260,0 | 31,00 |
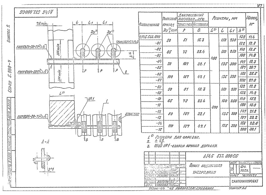
Опоры подвижные трехрядные А14Б 533.000
Конструкция и размеры

Таблица №29
| Обозначение | Условный проход Ду, мм | Допускаемые нагрузки, кгс | Размеры, мм | Масса, кг | |||
|---|---|---|---|---|---|---|---|
| Вертикальн. | Горизонтал. | ||||||
| Р | Q | L | l | l₁ | |||
| А14Б 533.000 | 50 | 51 | 15,3 | 400,0 | 150,0 | 230,0 | 11,40 |
| А14Б 533.000-01 | 50 | 51 | 15,3 | 400,0 | 150,0 | 230,0 | 12,80 |
| А14Б 533.000-02 | 65 | 78 | 23,4 | 400,0 | 160,0 | 280,0 | 13,50 |
| А14Б 533.000-03 | 65 | 78 | 23,4 | 400,0 | 160,0 | 280,0 | 14,90 |
| А14Б 533.000-04 | 80 | 107 | 32,1 | 400,0 | 185,0 | 300,0 | 19,30 |
| А14Б 533.000-05 | 80 | 107 | 32,1 | 400,0 | 185,0 | 300,0 | 20,70 |
| А14Б 533.000-06 | 100 | 157 | 47,1 | 400,0 | 195,0 | 320,0 | 25,50 |
| А14Б 533.000-07 | 100 | 157 | 47,1 | 400,0 | 195,0 | 320,0 | 27,00 |
| А14Б 533.000-08 | 50 | 51 | 15,3 | 600,0 | 150,0 | 230,0 | 12,80 |
| А14Б 533.000-09 | 50 | 51 | 15,3 | 600,0 | 150,0 | 230,0 | 14,20 |
| А14Б 533.000-10 | 65 | 78 | 23,4 | 600,0 | 160,0 | 280,0 | 15,20 |
| А14Б 533.000-11 | 65 | 78 | 23,4 | 600,0 | 160,0 | 280,0 | 16,60 |
| А14Б 533.000-12 | 80 | 107 | 32,1 | 600,0 | 185,0 | 300,0 | 21,80 |
| А14Б 533.000-13 | 80 | 107 | 32,1 | 600,0 | 185,0 | 300,0 | 23,20 |
| А14Б 533.000-14 | 100 | 157 | 47,1 | 600,0 | 195,0 | 320,0 | 28,60 |
| А14Б 533.000-15 | 100 | 157 | 47,1 | 600,0 | 195,0 | 320,0 | 30,10 |
Опоры подвижные трехрядные А14Б 534.000
Конструкция и размеры

Таблица №30
| Обозначение | Условный проход, мм | Допускаемые нагрузки, кгс | Размеры, мм | Масса, кг | |||||||
|---|---|---|---|---|---|---|---|---|---|---|---|
| Горизонтал. | Вертикальн. | ||||||||||
| Ду | Ду₁ | Р | Р₁ | Q | Q₁ | L | l | l₁ | l₂ | ||
| А14Б 534.000 | 80 | 50 | 107 | 51 | 32,1 | 15,3 | 400,0 | 185,0 | 300,0 | 265,0 | 16,50 |
| А14Б 534.000-01 | 80 | 50 | 107 | 51 | 32,1 | 15,3 | 400,0 | 185,0 | 300,0 | 265,0 | 17,90 |
| А14Б 534.000-02 | 100 | 50 | 157 | 51 | 47,1 | 15,3 | 400,0 | 195,0 | 320,0 | 275,0 | 20,30 |
| А14Б 534.000-03 | 100 | 50 | 157 | 51 | 47,1 | 15,3 | 400,0 | 195,0 | 320,0 | 275,0 | 21,80 |
| А14Б 534.000-04 | 125 | 50 | 220 | 51 | 66 | 15,3 | 400,0 | 210,0 | 350,0 | 290,0 | 22,20 |
| А14Б 534.000-05 | 125 | 50 | 220 | 51 | 66 | 15,3 | 400,0 | 210,0 | 350,0 | 290,0 | 23,70 |
| А14Б 534.000-06 | 150 | 50 | 325 | 51 | 97,5 | 15,3 | 400,0 | 220,0 | 370,0 | 300,0 | 29,30 |
| А14Б 534.000-07 | 150 | 50 | 325 | 51 | 97,5 | 15,3 | 400,0 | 220,0 | 370,0 | 300,0 | 31,10 |
| А14Б 534.000-08 | 100 | 80 | 157 | 107 | 47,1 | 32,1 | 400,0 | 195,0 | 320,0 | 310,0 | 21,90 |
| А14Б 534.000-09 | 100 | 80 | 157 | 107 | 47,1 | 32,1 | 400,0 | 195,0 | 320,0 | 310,0 | 23,40 |
| А14Б 534.000-10 | 125 | 80 | 220 | 107 | 66 | 32,1 | 400,0 | 210,0 | 350,0 | 325,0 | 25,40 |
| А14Б 534.000-11 | 125 | 80 | 220 | 107 | 66 | 32,1 | 400,0 | 210,0 | 350,0 | 325,0 | 26,90 |
| А14Б 534.000-12 | 150 | 80 | 325 | 107 | 97,5 | 32,1 | 400,0 | 220,0 | 370,0 | 335,0 | 33,20 |
| А14Б 534.000-13 | 150 | 80 | 325 | 107 | 97,5 | 32,1 | 400,0 | 220,0 | 370,0 | 335,0 | 35,10 |
| А14Б 534.000-14 | 125 | 100 | 220 | 157 | 66 | 47,1 | 400,0 | 210,0 | 350,0 | 335,0 | 29,00 |
| А14Б 534.000-15 | 125 | 100 | 220 | 157 | 66 | 47,1 | 400,0 | 210,0 | 350,0 | 335,0 | 30,50 |
| А14Б 534.000-16 | 150 | 100 | 325 | 157 | 97,5 | 47,1 | 400,0 | 220,0 | 370,0 | 345,0 | 34,40 |
| А14Б 534.000-17 | 150 | 100 | 325 | 157 | 97,5 | 47,1 | 400,0 | 220,0 | 370,0 | 345,0 | 37,60 |
| А14Б 534.000-18 | 80 | 50 | 107 | 51 | 32,1 | 15,3 | 600,0 | 185,0 | 300,0 | 265,0 | 18,60 |
| А14Б 534.000-19 | 80 | 50 | 107 | 51 | 32,1 | 15,3 | 600,0 | 185,0 | 300,0 | 265,0 | 20,00 |
| А14Б 534.000-20 | 100 | 50 | 157 | 51 | 47,1 | 15,3 | 600,0 | 195,0 | 320,0 | 275,0 | 22,70 |
| А14Б 534.000-21 | 100 | 50 | 157 | 51 | 47,1 | 15,3 | 600,0 | 195,0 | 320,0 | 275,0 | 24,20 |
| А14Б 534.000-22 | 125 | 50 | 220 | 51 | 66 | 15,3 | 600,0 | 210,0 | 350,0 | 290,0 | 24,80 |
| А14Б 534.000-23 | 125 | 50 | 220 | 51 | 66 | 15,3 | 600,0 | 210,0 | 350,0 | 290,0 | 26,30 |
| А14Б 534.000-24 | 150 | 50 | 325 | 51 | 97,5 | 15,3 | 600,0 | 220,0 | 370,0 | 300,0 | 32,70 |
| А14Б 534.000-25 | 150 | 50 | 325 | 51 | 97,5 | 15,3 | 600,0 | 220,0 | 370,0 | 300,0 | 34,50 |
| А14Б 534.000-26 | 100 | 80 | 157 | 107 | 47,1 | 32,1 | 600,0 | 195,0 | 320,0 | 310,0 | 24,60 |
| А14Б 534.000-27 | 100 | 80 | 157 | 107 | 47,1 | 32,1 | 600,0 | 195,0 | 320,0 | 310,0 | 26,10 |
| А14Б 534.000-28 | 125 | 80 | 220 | 107 | 66 | 32,1 | 600,0 | 210,0 | 350,0 | 325,0 | 28,40 |
| А14Б 534.000-29 | 125 | 80 | 220 | 107 | 66 | 32,1 | 600,0 | 210,0 | 350,0 | 325,0 | 29,90 |
| А14Б 534.000-30 | 150 | 80 | 325 | 107 | 97,5 | 32,1 | 600,0 | 220,0 | 370,0 | 335,0 | 37,20 |
| А14Б 534.000-31 | 150 | 80 | 325 | 107 | 97,5 | 32,1 | 600,0 | 220,0 | 370,0 | 335,0 | 39,10 |
| А14Б 534.000-32 | 125 | 100 | 220 | 157 | 66 | 47,1 | 600,0 | 210,0 | 350,0 | 335,0 | 32,50 |
| А14Б 534.000-33 | 125 | 100 | 220 | 157 | 66 | 47,1 | 600,0 | 210,0 | 350,0 | 335,0 | 34,00 |
| А14Б 534.000-34 | 150 | 100 | 325 | 157 | 97,5 | 47,1 | 600,0 | 220,0 | 370,0 | 345,0 | 40,20 |
| А14Б 534.000-35 | 150 | 100 | 325 | 157 | 97,5 | 47,1 | 600,0 | 220,0 | 370,0 | 345,0 | 42,00 |
Опоры подвижные трехрядные А14Б 535.000
Конструкция и размеры

Таблица №31
| Обозначение | Условный проход Ду, мм | Допускаемые нагрузки, кгс | Размеры, мм | Масса, кг | |||
|---|---|---|---|---|---|---|---|
| Вертикальн. | Горизонтал. | ||||||
| Р | Q | L | l | l₁ | |||
| А14Б 535.000 | 50 | 51 | 15,3 | 400,0 | 150,0 | 230,0 | 10,20 |
| А14Б 535.000-01 | 50 | 51 | 15,3 | 400,0 | 150,0 | 230,0 | 11,10 |
| А14Б 535.000-02 | 65 | 78 | 23,4 | 400,0 | 160,0 | 250,0 | 10,30 |
| А14Б 535.000-03 | 65 | 78 | 23,4 | 400,0 | 160,0 | 250,0 | 11,30 |
| А14Б 535.000-04 | 80 | 107 | 32,1 | 400,0 | 185,0 | 300,0 | 12,80 |
| А14Б 535.000-05 | 80 | 107 | 32,1 | 400,0 | 185,0 | 300,0 | 13,80 |
| А14Б 535.000-06 | 50 | 51 | 15,3 | 600,0 | 150,0 | 230,0 | 11,60 |
| А14Б 535.000-07 | 50 | 51 | 15,3 | 600,0 | 150,0 | 230,0 | 12,50 |
| А14Б 535.000-08 | 65 | 78 | 23,4 | 600,0 | 160,0 | 250,0 | 11,70 |
| А14Б 535.000-09 | 65 | 78 | 23,4 | 600,0 | 160,0 | 250,0 | 12,70 |
| А14Б 535.000-10 | 80 | 107 | 32,1 | 600,0 | 185,0 | 300,0 | 14,50 |
| А14Б 535.000-11 | 80 | 107 | 32,1 | 600,0 | 185,0 | 300,0 | 15,50 |
Опоры подвижные трехрядные А14Б 536.000
Конструкция и размеры

Таблица №32
| Обозначение | Условный проход, мм | Допускаемые нагрузки, кгс | Размеры, мм | Масса, кг | ||||||
|---|---|---|---|---|---|---|---|---|---|---|
| Горизонтал. | Вертикальн. | |||||||||
| Ду | Ду₁ | Р | Р₁ | Q | Q₁ | L | l | l₁ | ||
| А14Б 536.000 | 80 | 50 | 107 | 51 | 32,1 | 15,3 | 400,0 | 185,0 | 265,0 | 11,10 |
| А14Б 536.000-01 | 80 | 50 | 107 | 51 | 32,1 | 15,3 | 400,0 | 185,0 | 265,0 | 12,00 |
| А14Б 536.000-02 | 100 | 50 | 157 | 51 | 47,1 | 15,3 | 400,0 | 195,0 | 275,0 | 13,70 |
| А14Б 536.000-03 | 100 | 50 | 157 | 51 | 47,1 | 15,3 | 400,0 | 195,0 | 275,0 | 14,70 |
| А14Б 536.000-04 | 125 | 50 | 220 | 51 | 66 | 15,3 | 400,0 | 210,0 | 290,0 | 17,20 |
| А14Б 536.000-05 | 125 | 50 | 220 | 51 | 66 | 15,3 | 400,0 | 210,0 | 290,0 | 18,20 |
| А14Б 536.000-06 | 150 | 50 | 325 | 51 | 97,5 | 15,3 | 400,0 | 220,0 | 300,0 | 20,20 |
| А14Б 536.000-07 | 150 | 50 | 325 | 51 | 97,5 | 15,3 | 400,0 | 220,0 | 300,0 | 21,40 |
| А14Б 536.000-08 | 200 | 50 | 860 | 51 | 258 | 15,3 | 400,0 | 260,0 | 340,0 | 34,70 |
| А14Б 536.000-09 | 200 | 50 | 860 | 51 | 258 | 15,3 | 400,0 | 260,0 | 340,0 | 36,00 |
| А14Б 536.000-10 | 100 | 80 | 157 | 107 | 47,1 | 32,1 | 400,0 | 195,0 | 310,0 | 15,80 |
| А14Б 536.000-11 | 100 | 80 | 157 | 107 | 47,1 | 32,1 | 400,0 | 195,0 | 310,0 | 16,70 |
| А14Б 536.000-12 | 125 | 80 | 220 | 107 | 66 | 32,1 | 400,0 | 210,0 | 325,0 | 19,60 |
| А14Б 536.000-13 | 125 | 80 | 220 | 107 | 66 | 32,1 | 400,0 | 210,0 | 325,0 | 20,60 |
| А14Б 536.000-14 | 150 | 80 | 325 | 107 | 97,5 | 32,1 | 400,0 | 220,0 | 335,0 | 21,70 |
| А14Б 536.000-15 | 150 | 80 | 325 | 107 | 97,5 | 32,1 | 400,0 | 220,0 | 335,0 | 22,80 |
| А14Б 536.000-16 | 200 | 80 | 860 | 107 | 258 | 32,1 | 400,0 | 260,0 | 375,0 | 35,50 |
| А14Б 536.000-17 | 200 | 80 | 860 | 107 | 258 | 32,1 | 400,0 | 260,0 | 375,0 | 36,80 |
| А14Б 536.000-18 | 100 | 100 | 157 | 157 | 47,1 | 47,1 | 400,0 | 195,0 | 320,0 | 16,50 |
| А14Б 536.000-19 | 100 | 100 | 157 | 157 | 47,1 | 47,1 | 400,0 | 195,0 | 320,0 | 17,50 |
| А14Б 536.000-20 | 125 | 100 | 220 | 157 | 66 | 47,1 | 400,0 | 210,0 | 330,0 | 20,30 |
| А14Б 536.000-21 | 125 | 100 | 220 | 157 | 66 | 47,1 | 400,0 | 210,0 | 330,0 | 21,30 |
| А14Б 536.000-22 | 150 | 100 | 325 | 157 | 97,5 | 47,1 | 400,0 | 220,0 | 345,0 | 23,40 |
| А14Б 536.000-23 | 150 | 100 | 325 | 157 | 97,5 | 47,1 | 400,0 | 220,0 | 345,0 | 24,60 |
| А14Б 536.000-24 | 80 | 50 | 107 | 51 | 32,1 | 15,3 | 600,0 | 185,0 | 265,0 | 13,00 |
| А14Б 536.000-25 | 80 | 50 | 107 | 51 | 32,1 | 15,3 | 600,0 | 185,0 | 265,0 | 13,90 |
| А14Б 536.000-26 | 100 | 50 | 157 | 51 | 47,1 | 15,3 | 600,0 | 195,0 | 275,0 | 15,40 |
| А14Б 536.000-27 | 100 | 50 | 157 | 51 | 47,1 | 15,3 | 600,0 | 195,0 | 275,0 | 16,40 |
| А14Б 536.000-28 | 125 | 50 | 220 | 51 | 66 | 15,3 | 600,0 | 210,0 | 290,0 | 19,30 |
| А14Б 536.000-29 | 125 | 50 | 220 | 51 | 66 | 15,3 | 600,0 | 210,0 | 290,0 | 20,30 |
| А14Б 536.000-30 | 150 | 50 | 325 | 51 | 97,5 | 15,3 | 600,0 | 220,0 | 300,0 | 22,70 |
| А14Б 536.000-31 | 150 | 50 | 325 | 51 | 97,5 | 15,3 | 600,0 | 220,0 | 300,0 | 23,80 |
| А14Б 536.000-32 | 200 | 50 | 860 | 51 | 258 | 15,3 | 600,0 | 260,0 | 340,0 | 39,30 |
| А14Б 536.000-33 | 200 | 50 | 860 | 51 | 258 | 15,3 | 600,0 | 260,0 | 340,0 | 40,60 |
| А14Б 536.000-34 | 100 | 80 | 157 | 107 | 47,1 | 32,1 | 600,0 | 195,0 | 310,0 | 17,90 |
| А14Б 536.000-35 | 100 | 80 | 157 | 107 | 47,1 | 32,1 | 600,0 | 195,0 | 310,0 | 18,80 |
| А14Б 536.000-36 | 125 | 80 | 220 | 107 | 66 | 32,1 | 600,0 | 210,0 | 325,0 | 22,00 |
| А14Б 536.000-37 | 125 | 80 | 220 | 107 | 66 | 32,1 | 600,0 | 210,0 | 325,0 | 23,00 |
| А14Б 536.000-38 | 150 | 80 | 325 | 107 | 97,5 | 32,1 | 600,0 | 220,0 | 335,0 | 24,30 |
| А14Б 536.000-39 | 150 | 80 | 325 | 107 | 97,5 | 32,1 | 600,0 | 220,0 | 335,0 | 25,40 |
| А14Б 536.000-40 | 200 | 80 | 860 | 107 | 258 | 32,1 | 600,0 | 260,0 | 375,0 | 40,10 |
| А14Б 536.000-41 | 200 | 80 | 860 | 107 | 258 | 32,1 | 600,0 | 260,0 | 375,0 | 41,40 |
| А14Б 536.000-42 | 100 | 100 | 157 | 157 | 47,1 | 47,1 | 600,0 | 195,0 | 320,0 | 18,60 |
| А14Б 536.000-43 | 100 | 100 | 157 | 157 | 47,1 | 47,1 | 600,0 | 195,0 | 320,0 | 19,60 |
| А14Б 536.000-44 | 125 | 100 | 220 | 157 | 66 | 47,1 | 600,0 | 210,0 | 330,0 | 22,70 |
| А14Б 536.000-45 | 125 | 100 | 220 | 157 | 66 | 47,1 | 600,0 | 210,0 | 330,0 | 23,70 |
| А14Б 536.000-46 | 150 | 100 | 325 | 157 | 97,5 | 47,1 | 600,0 | 220,0 | 345,0 | 26,30 |
| А14Б 536.000-47 | 150 | 100 | 325 | 157 | 97,5 | 47,1 | 600,0 | 220,0 | 345,0 | 27,50 |
Опоры подвижные четырехрядные А14Б 537.000
Конструкция и размеры

Таблица №33
| Обозначение | Условный проход Ду, мм | Допускаемые нагрузки, кгс | Размеры, мм | Масса, кг | |||
|---|---|---|---|---|---|---|---|
| Вертикальн. | Горизонтал. | ||||||
| Р | Q | L | l | l₁ | |||
| А14Б 537.000 | 50 | 51 | 15,3 | 400,0 | 150,0 | 230,0 | 11,90 |
| А14Б 537.000-01 | 50 | 51 | 15,3 | 400,0 | 150,0 | 230,0 | 12,80 |
| А14Б 537.000-02 | 65 | 78 | 23,4 | 400,0 | 160,0 | 280,0 | 13,50 |
| А14Б 537.000-03 | 65 | 78 | 23,4 | 400,0 | 160,0 | 280,0 | 14,50 |
| А14Б 537.000-04 | 80 | 107 | 32,1 | 400,0 | 185,0 | 300,0 | 18,60 |
| А14Б 537.000-05 | 80 | 107 | 32,1 | 400,0 | 185,0 | 300,0 | 19,60 |
| А14Б 537.000-06 | 100 | 157 | 47,1 | 400,0 | 195,0 | 320,0 | 23,10 |
| А14Б 537.000-07 | 100 | 157 | 47,1 | 400,0 | 195,0 | 320,0 | 24,10 |
| А14Б 537.000-08 | 50 | 51 | 15,3 | 600,0 | 150,0 | 230,0 | 13,30 |
| А14Б 537.000-09 | 50 | 51 | 15,3 | 600,0 | 150,0 | 230,0 | 14,20 |
| А14Б 537.000-10 | 65 | 78 | 23,4 | 600,0 | 160,0 | 280,0 | 15,20 |
| А14Б 537.000-11 | 65 | 78 | 23,4 | 600,0 | 160,0 | 280,0 | 16,20 |
| А14Б 537.000-12 | 80 | 107 | 32,1 | 600,0 | 185,0 | 300,0 | 21,00 |
| А14Б 537.000-13 | 80 | 107 | 32,1 | 600,0 | 185,0 | 300,0 | 22,00 |
| А14Б 537.000-14 | 100 | 157 | 47,1 | 600,0 | 195,0 | 320,0 | 26,00 |
| А14Б 537.000-15 | 100 | 157 | 47,1 | 600,0 | 195,0 | 320,0 | 27,00 |
Опоры подвижные А14Б 538.000
Конструкция и размеры

Таблица №34
| Обозначение | Условный проход Ду, мм | Допускаемые нагрузки, кгс | Размеры, мм | Масса, кг | |||
|---|---|---|---|---|---|---|---|
| Вертикальн. | Горизонтал. | ||||||
| Р | Q | L | l | Н | |||
| А14Б 538.000 | 100 | 157 | 47,1 | 400,0 | 195,0 | 400,0 | 22,10 |
| А14Б 538.000-01 | 100 | 157 | 47,1 | 400,0 | 195,0 | 400,0 | 22,60 |
| А14Б 538.000-02 | 125 | 220 | 66 | 400,0 | 210,0 | 400,0 | 22,20 |
| А14Б 538.000-03 | 125 | 220 | 66 | 400,0 | 210,0 | 400,0 | 22,70 |
| А14Б 538.000-04 | 150 | 325 | 97,5 | 400,0 | 220,0 | 400,0 | 39,30 |
| А14Б 538.000-05 | 150 | 325 | 97,5 | 400,0 | 220,0 | 400,0 | 40,50 |
| А14Б 538.000-06 | 200 | 860 | 258 | 400,0 | 260,0 | 400,0 | 45,60 |
| А14Б 538.000-07 | 200 | 860 | 258 | 400,0 | 260,0 | 400,0 | 45,80 |
| А14Б 538.000-08 | 250 | 1153 | 345,9 | 400,0 | 290,0 | 400,0 | 45,60 |
| А14Б 538.000-09 | 250 | 1153 | 345,9 | 400,0 | 290,0 | 400,0 | 46,30 |
| А14Б 538.000-10 | 100 | 157 | 47,1 | 600,0 | 195,0 | 400,0 | 24,80 |
| А14Б 538.000-11 | 100 | 157 | 47,1 | 600,0 | 195,0 | 400,0 | 25,30 |
| А14Б 538.000-12 | 125 | 220 | 66 | 600,0 | 210,0 | 400,0 | 24,90 |
| А14Б 538.000-13 | 125 | 220 | 66 | 600,0 | 210,0 | 400,0 | 25,40 |
| А14Б 538.000-14 | 150 | 325 | 97,5 | 600,0 | 220,0 | 400,0 | 45,30 |
| А14Б 538.000-15 | 150 | 325 | 97,5 | 600,0 | 220,0 | 400,0 | 46,00 |
| А14Б 538.000-16 | 200 | 860 | 258 | 600,0 | 260,0 | 400,0 | 50,80 |
| А14Б 538.000-17 | 200 | 860 | 258 | 600,0 | 260,0 | 400,0 | 51,60 |
| А14Б 538.000-18 | 250 | 1153 | 345,9 | 600,0 | 290,0 | 400,0 | 51,50 |
| А14Б 538.000-19 | 250 | 1153 | 345,9 | 600,0 | 290,0 | 400,0 | 52,30 |
| А14Б 538.000-20 | 100 | 157 | 47,1 | 400,0 | 195,0 | 600,0 | 26,60 |
| А14Б 538.000-21 | 100 | 157 | 47,1 | 400,0 | 195,0 | 600,0 | 27,10 |
| А14Б 538.000-22 | 125 | 220 | 66 | 400,0 | 210,0 | 600,0 | 26,70 |
| А14Б 538.000-23 | 125 | 220 | 66 | 400,0 | 210,0 | 600,0 | 27,20 |
| А14Б 538.000-24 | 150 | 325 | 97,5 | 400,0 | 220,0 | 600,0 | 43,90 |
| А14Б 538.000-25 | 150 | 325 | 97,5 | 400,0 | 220,0 | 600,0 | 44,60 |
| А14Б 538.000-26 | 200 | 860 | 258 | 400,0 | 260,0 | 600,0 | 49,60 |
| А14Б 538.000-27 | 200 | 860 | 258 | 400,0 | 260,0 | 600,0 | 50,50 |
| А14Б 538.000-28 | 250 | 1153 | 345,9 | 400,0 | 290,0 | 600,0 | 51,30 |
| А14Б 538.000-29 | 250 | 1153 | 345,9 | 400,0 | 290,0 | 600,0 | 51,40 |
Опоры подвижные двухрядные А14Б 539.000
Конструкция и размеры

Таблица №35
| Обозначение | Условный проход Ду, мм | Допускаемые нагрузки, кгс | Размеры, мм | Масса, кг | ||||
|---|---|---|---|---|---|---|---|---|
| Вертикальн. | Горизонтал. | |||||||
| Р | Q | L | l | l₁ | Н | |||
| А14Б 539.000 | 50 | 51 | 15,3 | 400,0 | 150,0 | 230,0 | 400,0 | 32,20 |
| А14Б 539.000-01 | 50 | 51 | 15,3 | 400,0 | 150,0 | 230,0 | 400,0 | 33,10 |
| А14Б 539.000-02 | 65 | 78 | 23,4 | 400,0 | 160,0 | 250,0 | 400,0 | 32,50 |
| А14Б 539.000-03 | 65 | 78 | 23,4 | 400,0 | 160,0 | 250,0 | 400,0 | 33,40 |
| А14Б 539.000-04 | 80 | 107 | 32,1 | 400,0 | 185,0 | 300,0 | 400,0 | 56,80 |
| А14Б 539.000-05 | 80 | 107 | 32,1 | 400,0 | 185,0 | 300,0 | 400,0 | 57,80 |
| А14Б 539.000-06 | 100 | 157 | 47,1 | 400,0 | 195,0 | 320,0 | 400,0 | 58,50 |
| А14Б 539.000-07 | 100 | 157 | 47,1 | 400,0 | 195,0 | 320,0 | 400,0 | 59,60 |
| А14Б 539.000-08 | 125 | 220 | 66 | 400,0 | 210,0 | 350,0 | 400,0 | 61,70 |
| А14Б 539.000-09 | 125 | 220 | 66 | 400,0 | 210,0 | 350,0 | 400,0 | 62,70 |
| А14Б 539.000-10 | 150 | 325 | 97,5 | 400,0 | 220,0 | 370,0 | 400,0 | 63,50 |
| А14Б 539.000-11 | 150 | 325 | 97,5 | 400,0 | 220,0 | 370,0 | 400,0 | 64,90 |
| А14Б 539.000-12 | 50 | 51 | 15,3 | 600,0 | 150,0 | 230,0 | 400,0 | 35,00 |
| А14Б 539.000-13 | 50 | 51 | 15,3 | 600,0 | 150,0 | 230,0 | 400,0 | 35,90 |
| А14Б 539.000-14 | 65 | 78 | 23,4 | 600,0 | 160,0 | 250,0 | 400,0 | 35,10 |
| А14Б 539.000-15 | 65 | 78 | 23,4 | 600,0 | 160,0 | 250,0 | 400,0 | 36,00 |
| А14Б 539.000-16 | 80 | 107 | 32,1 | 600,0 | 185,0 | 300,0 | 400,0 | 62,90 |
| А14Б 539.000-17 | 80 | 107 | 32,1 | 600,0 | 185,0 | 300,0 | 400,0 | 63,80 |
| А14Б 539.000-18 | 100 | 157 | 47,1 | 600,0 | 195,0 | 320,0 | 400,0 | 64,80 |
| А14Б 539.000-19 | 100 | 157 | 47,1 | 600,0 | 195,0 | 320,0 | 400,0 | 65,80 |
| А14Б 539.000-20 | 125 | 220 | 66 | 600,0 | 210,0 | 350,0 | 400,0 | 67,70 |
| А14Б 539.000-21 | 125 | 220 | 66 | 600,0 | 210,0 | 350,0 | 400,0 | 68,70 |
| А14Б 539.000-22 | 150 | 325 | 97,5 | 600,0 | 220,0 | 370,0 | 400,0 | 69,60 |
| А14Б 539.000-23 | 150 | 325 | 97,5 | 600,0 | 220,0 | 370,0 | 400,0 | 70,90 |
| А14Б 539.000-24 | 50 | 51 | 15,3 | 400,0 | 150,0 | 230,0 | 600,0 | 41,00 |
| А14Б 539.000-25 | 50 | 51 | 15,3 | 400,0 | 150,0 | 230,0 | 600,0 | 41,90 |
| А14Б 539.000-26 | 65 | 78 | 23,4 | 400,0 | 160,0 | 250,0 | 600,0 | 41,30 |
| А14Б 539.000-27 | 65 | 78 | 23,4 | 400,0 | 160,0 | 250,0 | 600,0 | 42,20 |
| А14Б 539.000-28 | 80 | 107 | 32,1 | 400,0 | 185,0 | 300,0 | 600,0 | 65,10 |
| А14Б 539.000-29 | 80 | 107 | 32,1 | 400,0 | 185,0 | 300,0 | 600,0 | 66,10 |
| А14Б 539.000-30 | 100 | 157 | 47,1 | 400,0 | 195,0 | 320,0 | 600,0 | 66,80 |
| А14Б 539.000-31 | 100 | 157 | 47,1 | 400,0 | 195,0 | 320,0 | 600,0 | 67,80 |
| А14Б 539.000-32 | 125 | 220 | 66 | 400,0 | 210,0 | 350,0 | 600,0 | 70,30 |
| А14Б 539.000-33 | 125 | 220 | 66 | 400,0 | 210,0 | 350,0 | 600,0 | 71,30 |
| А14Б 539.000-34 | 150 | 325 | 97,5 | 400,0 | 220,0 | 370,0 | 600,0 | 72,20 |
| А14Б 539.000-35 | 150 | 325 | 97,5 | 400,0 | 220,0 | 370,0 | 600,0 | 73,50 |
Опоры подвижные А14Б 540.000
Конструкция и размеры

Таблица №36
| Обозначение | Условный проход Ду, мм | Допускаемые нагрузки, кгс | Размеры, мм | Масса, кг | |
|---|---|---|---|---|---|
| Верттикальн. | Горизонтальн. | L₁ | |||
| Р | Q | ||||
| А14Б 540.000 | 50 | 40 | 12 | 100,0 | 0,94 |
| А14Б 540.000-01 | 65 | 56 | 17 | 120,0 | 1,13 |
| А14Б 540.000-02 | 80 | 72 | 22 | 130,0 | 1,92 |
| А14Б 540.000-03 | 100 | 120 | 36 | 140,0 | 2,04 |
| А14Б 540.000-04 | 125 | 175 | 52 | 155,0 | 4,10 |
Опоры подвижные А14Б 541.000
Конструкция и размеры

Таблица №37
| Обозначение | Условный проход Ду, мм | Допускаемые нагрузки, кгс | Размеры, мм | Масса, кг | |
|---|---|---|---|---|---|
| Верттикальн. | Горизонтальн. | l₁ | |||
| Р | Q | ||||
| А14Б 541.000 | 150 | 266 | 80 | 170,0 | 3,93 |
| А14Б 541.000-01 | 200 | 590 | 177 | 200,0 | 7,00 |
| А14Б 541.000-02 | 250 | 840 | 252 | 240,0 | 11,60 |
Опоры подвижные А14Б 542.000
Конструкция и размеры

Таблица №38
| Обозначение | Условный проход Ду, мм | Допускаемые нагрузки, кгс | Размеры, мм | Масса, кг | |||
|---|---|---|---|---|---|---|---|
| Верттикальн. | Горизонтальн. | L | l₁ | l₂ | |||
| Р | Q | ||||||
| А14Б 542.000 | 50 | 40 | 12 | 270,0 | 100,0 | 110,0 | 0,91 |
| А14Б 542.000-01 | 65 | 56 | 17 | 310,0 | 120,0 | 125,0 | 1,13 |
| А14Б 542.000-02 | 80 | 72 | 22 | 340,0 | 130,0 | 130,0 | 1,34 |
| А14Б 542.000-03 | 100 | 120 | 36 | 375,0 | 140,0 | 150,0 | 1,70 |
| А14Б 542.000-04 | 125 | 175 | 52 | 410,0 | 155,0 | 150,0 | 2,93 |
Опоры подвижные А14Б 543.000
Конструкция и размеры

Таблица №39
| Обозначение | Условный проход Ду, мм | Допускаемые нагрузки, кгс | Размеры, мм | Масса, кг | ||
|---|---|---|---|---|---|---|
| Верттикальн. | Горизонтальн. | l₁ | l₂ | |||
| Р | Q | |||||
| А14Б 543.000 | 150 | 266 | 80 | 170,0 | 255,0 | 5,83 |
| А14Б 543.000-01 | 200 | 590 | 177 | 200,0 | 300,0 | 9,83 |
| А14Б 543.000-02 | 250 | 840 | 252 | 240,0 | 375,0 | 15,15 |
Опоры подвижные двухрядные А14Б 544.000
Конструкция и размеры

Таблица №40
| Обозначение | Условный проход Ду, мм | Допускаемые нагрузки, кгс | Размеры, мм | Масса, кг | ||
|---|---|---|---|---|---|---|
| Верттикальн. | Горизонтальн. | l₁ | l₂ | |||
| Р | Q | |||||
| А14Б 544.000 | 50 | 40 | 12 | 100,0 | 140,0 | 1,89 |
| А14Б 544.000-01 | 65 | 56 | 17 | 120,0 | 160,0 | 2,85 |
| А14Б 544.000-02 | 80 | 72 | 22 | 130,0 | 175,0 | 3,91 |
Опоры подвижные двухрядные А14Б 545.000
Конструкция и размеры

Таблица №41
| Обозначение | Условный проход, мм | Допускаемые нагрузки, кгс | Размеры, мм | Масса, кг | |||||
|---|---|---|---|---|---|---|---|---|---|
| Вертикальн. | Горизонтальн. | l₂ | l₃ | ||||||
| Ду | Ду₁ | Р | Р₁ | Q | Q₁ | ||||
| А14Б 545.000 | 125 | 100 | 175 | 120 | 52 | 36 | 155,0 | 210,0 | 5,73 |
| А14Б 545.000-01 | 150 | 100 | 266 | 120 | 80 | 36 | 170,0 | 225,0 | 7,11 |
| А14Б 545.000-02 | 200 | 100 | 590 | 120 | 177 | 36 | 200,0 | 255,0 | 11,00 |
| А14Б 545.000-03 | 250 | 100 | 840 | 120 | 252 | 36 | 240,0 | 290,0 | 16,15 |
| А14Б 545.000-04 | 100 | 100 | 120 | 120 | 36 | 36 | 140,0 | 195,0 | 4,65 |
| А14Б 545.000-05 | 150 | 125 | 266 | 175 | 80 | 52 | 170,0 | 240,0 | 10,00 |
| А14Б 545.000-06 | 200 | 125 | 590 | 175 | 177 | 52 | 200,0 | 270,0 | 12,72 |
| А14Б 545.000-07 | 125 | 125 | 175 | 175 | 52 | 52 | 155,0 | 225,0 | 8,66 |
| А14Б 545.000-08 | 200 | 150 | 590 | 266 | 177 | 80 | 200,0 | 280,0 | 15,17 |
| А14Б 545.000-09 | 150 | 150 | 266 | 266 | 80 | 80 | 170,0 | 270,0 | 11,00 |
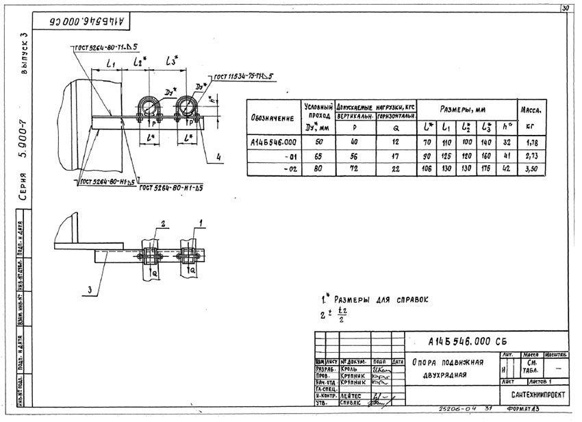
Опоры подвижные двухрядные А14Б 546.000
Конструкция и размеры

Таблица №42
| Обозначение | Условный проход Ду, мм | Допускаемые нагрузки, кгс | Размеры, мм | Масса, кг | |||
|---|---|---|---|---|---|---|---|
| Верттикальн. | Горизонтальн. | l₁ | l₂ | l₃ | |||
| Р | Q | ||||||
| А14Б 546.000 | 50 | 40 | 12 | 110,0 | 100,0 | 140,0 | 1,78 |
| А14Б 546.000-01 | 65 | 56 | 17 | 125,0 | 120,0 | 160,0 | 2,73 |
| А14Б 546.000-02 | 80 | 72 | 22 | 130,0 | 130,0 | 175,0 | 3,50 |
Опоры подвижные двухрядные А14Б 547.000
Конструкция и размеры

Таблица №43
| Обозначение | Условный проход Ду, мм | Допускаемые нагрузки, кгс | Размеры, мм | Масса, кг | |
|---|---|---|---|---|---|
| Верттикальн. | Горизонтальн. | l₁ | |||
| Р | Q | ||||
| А14Б 547.000 | 50 | 40 | 12 | 100,0 | 2,40 |
| А14Б 547.000-01 | 65 | 56 | 17 | 120,0 | 3,03 |
| А14Б 547.000-02 | 80 | 72 | 22 | 130,0 | 3,72 |
| А14Б 547.000-03 | 100 | 120 | 36 | 140,0 | 5,05 |
Опоры подвижные двухрядные А14Б 548.000
Конструкция и размеры

Таблица №44
| Обозначение | Условный проход, мм | Допускаемые нагрузки, кгс | Размеры, мм | Масса, кг | ||||||
|---|---|---|---|---|---|---|---|---|---|---|
| Вертикальн. | Горизонтальн. | l₂ | l₃ | l₄ | ||||||
| Ду | Ду₁ | Р | Р₁ | Q | Q₁ | |||||
| А14Б 548.000 | 125 | 100 | 175 | 120 | 52 | 36 | 225,0 | 155,0 | 210,0 | 7,21 |
| А14Б 548.000-01 | 150 | 100 | 266 | 120 | 80 | 36 | 255,0 | 170,0 | 225,0 | 8,80 |
| А14Б 548.000-02 | 200 | 100 | 590 | 120 | 177 | 36 | 300,0 | 200,0 | 255,0 | 13,80 |
| А14Б 548.000-03 | 250 | 100 | 840 | 120 | 252 | 36 | 375,0 | 240,0 | 290,0 | 20,10 |
| А14Б 548.000-04 | 100 | 100 | 120 | 120 | 36 | 36 | 225,0 | 140,0 | 195,0 | 6,34 |
| А14Б 548.000-05 | 150 | 125 | 266 | 175 | 80 | 52 | 255,0 | 170,0 | 240,0 | 11,10 |
| А14Б 548.000-06 | 200 | 125 | 590 | 175 | 177 | 52 | 300,0 | 200,0 | 270,0 | 15,70 |
| А14Б 548.000-07 | 125 | 125 | 175 | 175 | 52 | 52 | 225,0 | 155,0 | 225,0 | 9,10 |
| А14Б 548.000-08 | 200 | 150 | 590 | 266 | 177 | 80 | 300,0 | 200,0 | 280,0 | 18,00 |
| А14Б 548.000-09 | 150 | 150 | 266 | 266 | 80 | 80 | 255,0 | 170,0 | 270,0 | 13,20 |
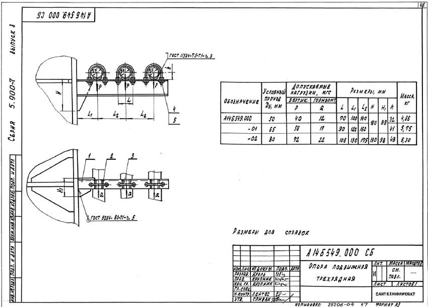
Опоры подвижные трехрядные А14Б 549.000
Конструкция и размеры

Таблица №45
| Обозначение | Условный проход Ду, мм | Допускаемые нагрузки, кгс | Размеры, мм | Масса, кг | ||
|---|---|---|---|---|---|---|
| Верттикальн. | Горизонтальн. | l₁ | l₂ | |||
| Р | Q | |||||
| А14Б 549.000 | 50 | 40 | 12 | 100,0 | 140,0 | 4,66 |
| А14Б 549.000-01 | 65 | 56 | 17 | 120,0 | 160,0 | 5,75 |
| А14Б 549.000-02 | 80 | 72 | 22 | 130,0 | 175,0 | 6,30 |
Опоры подвижные трехрядные А14Б 550.000
Конструкция и размеры

Таблица №46
| Обозначение | Условный проход, мм | Допускаемые нагрузки, кгс | Размеры, мм | Масса, кг | ||||||
|---|---|---|---|---|---|---|---|---|---|---|
| Вертикальн. | Горизонтальн. | l₂ | l₃ | l₄ | ||||||
| Ду | Ду₁ | Р | Р₁ | Q | Q₁ | |||||
| А14Б 550.000 | 80 | 50 | 72 | 40 | 22 | 12 | 130,0 | 175,0 | 150,0 | 5,64 |
| А14Б 550.000-01 | 100 | 50 | 120 | 40 | 36 | 12 | 140,0 | 195,0 | 170,0 | 7,14 |
| А14Б 550.000-02 | 125 | 50 | 175 | 40 | 52 | 12 | 155,0 | 225,0 | 185,0 | 10,70 |
| А14Б 550.000-03 | 150 | 50 | 266 | 40 | 80 | 12 | 170,0 | 270,0 | 200,0 | 14,48 |
| А14Б 550.000-04 | 200 | 50 | 590 | 40 | 177 | 12 | 200,0 | 310,0 | 230,0 | 29,13 |
| А14Б 550.000-05 | 100 | 80 | 120 | 72 | 36 | 22 | 140,0 | 195,0 | 185,0 | 7,87 |
| А14Б 550.000-06 | 125 | 80 | 175 | 72 | 52 | 22 | 155,0 | 225,0 | 200,0 | 11,30 |
| А14Б 550.000-07 | 150 | 80 | 266 | 72 | 80 | 22 | 170,0 | 270,0 | 215,0 | 15,16 |
| А14Б 550.000-08 | 200 | 80 | 590 | 72 | 177 | 22 | 200,0 | 310,0 | 245,0 | 29,90 |
| А14Б 550.000-09 | 125 | 100 | 175 | 120 | 52 | 36 | 155,0 | 225,0 | 210,0 | 12,90 |
| А14Б 550.000-10 | 150 | 100 | 266 | 120 | 80 | 36 | 170,0 | 270,0 | 225,0 | 16,00 |
| А14Б 550.000-11 | 200 | 100 | 590 | 120 | 177 | 36 | 200,0 | 310,0 | 255,0 | 30,32 |
Опоры подвижные трехрядные А14Б 551.000
Конструкция и размеры

Таблица №46
| Обозначение | Условный проход Ду, мм | Допускаемые нагрузки, кгс | Размеры, мм | Масса, кг | ||
|---|---|---|---|---|---|---|
| Верттикальн. | Горизонтальн. | l₁ | l₂ | |||
| Р | Q | |||||
| А14Б 551.000 | 50 | 40 | 12 | 100,0 | 100,0 | 4,20 |
| А14Б 551.000-01 | 65 | 56 | 17 | 110,0 | 120,0 | 5,01 |
| А14Б 551.000-02 | 80 | 72 | 22 | 120,0 | 140,0 | 6,42 |
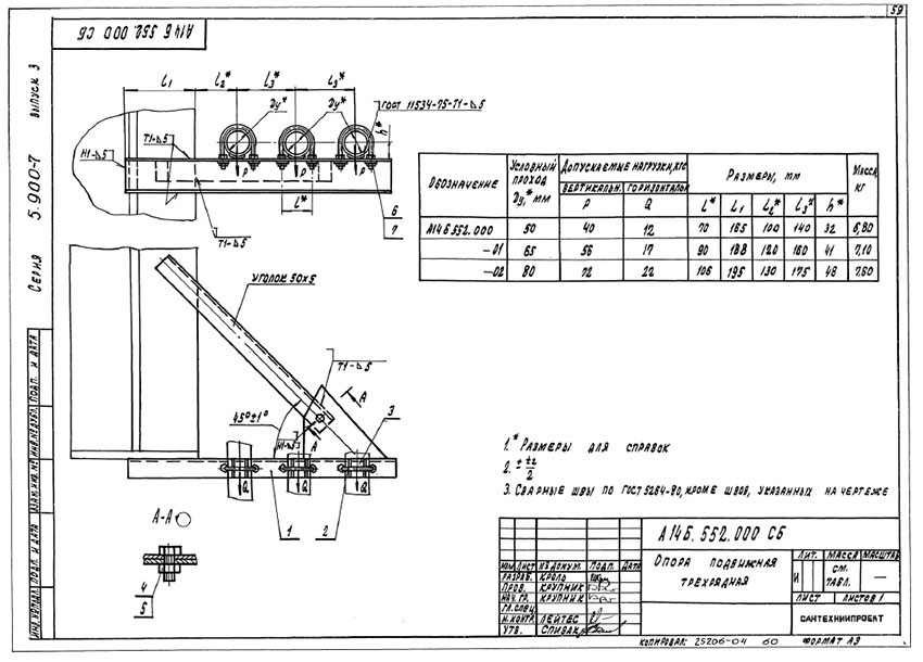
Опоры подвижные трехрядные А14Б 552.000
Конструкция и размеры

Таблица №47
| Обозначение | Условный проход Ду, мм | Допускаемые нагрузки, кгс | Размеры, мм | Масса, кг | |||
|---|---|---|---|---|---|---|---|
| Верттикальн. | Горизонтальн. | l₁ | l₂ | l₃ | |||
| Р | Q | ||||||
| А14Б 552.000 | 50 | 40 | 12 | 165,0 | 100,0 | 140 | 6,80 |
| А14Б 552.000-01 | 65 | 56 | 17 | 188,0 | 120,0 | 160 | 7,10 |
| А14Б 552.000-02 | 80 | 72 | 22 | 195,0 | 130,0 | 175 | 7,80 |
Опоры подвижные трехрядные А14Б 553.000
Конструкция и размеры

Таблица №48
| Обозначение | Условный проход, мм | Допускаемые нагрузки, кгс | Размеры, мм | Масса, кг | |||||||
|---|---|---|---|---|---|---|---|---|---|---|---|
| Вертикальн. | Горизонтальн. | l₂ | l₃ | l₄ | l₅ | ||||||
| Ду | Ду₁ | Р | Р₁ | Q | Q₁ | ||||||
| А14Б 553.000 | 80 | 50 | 72 | 40 | 22 | 12 | 195,0 | 130,0 | 175,0 | 160,0 | 7,30 |
| А14Б 553.000-01 | 100 | 50 | 120 | 40 | 36 | 12 | 226,0 | 140,0 | 195,0 | 170,0 | 9,11 |
| А14Б 553.000-02 | 175 | 50 | 175 | 40 | 52 | 12 | 226,0 | 155,0 | 225,0 | 185,0 | 12,55 |
| А14Б 553.000-03 | 150 | 50 | 266 | 40 | 80 | 12 | 255,0 | 170,0 | 270,0 | 200,0 | 16,71 |
| А14Б 553.000-04 | 200 | 50 | 590 | 40 | 177 | 12 | 300,0 | 200,0 | 310,0 | 230,0 | 29,35 |
| А14Б 553.000-05 | 100 | 80 | 120 | 72 | 36 | 22 | 225,0 | 140,0 | 195,0 | 185,0 | 9,44 |
| А14Б 553.000-06 | 125 | 80 | 175 | 72 | 52 | 22 | 225,0 | 155,0 | 225,0 | 200,0 | 13,00 |
| А14Б 553.000-07 | 150 | 80 | 266 | 72 | 80 | 22 | 255,0 | 170,0 | 270,0 | 215,0 | 17,16 |
| А14Б 553.000-08 | 200 | 80 | 590 | 72 | 177 | 22 | 300,0 | 200,0 | 310,0 | 245,0 | 29,80 |
| А14Б 553.000-09 | 125 | 100 | 175 | 120 | 52 | 36 | 225,0 | 155,0 | 225,0 | 210,0 | 14,80 |
| А14Б 553.000-10 | 150 | 100 | 266 | 120 | 80 | 36 | 255,0 | 170,0 | 270,0 | 225,0 | 19,34 |
| А14Б 553.000-11 | 200 | 100 | 590 | 120 | 177 | 36 | 300,0 | 200,0 | 310,0 | 255,0 | 30,00 |
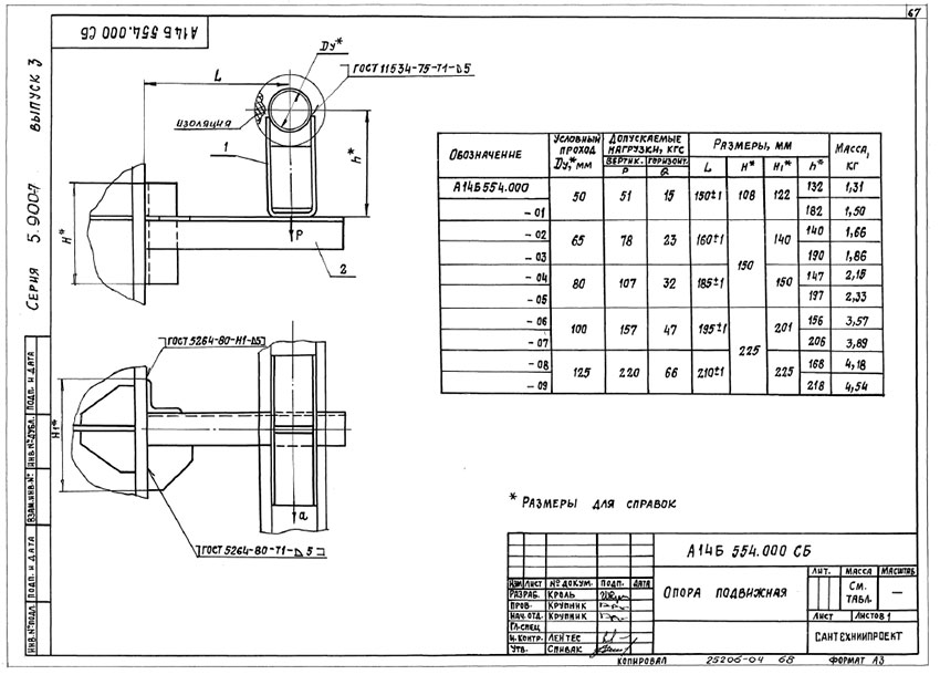
Опоры подвижные А14Б 554.000
Конструкция и размеры

Таблица №49
| Обозначение | Условный проход Ду, мм | Допускаемые нагрузки, кгс | Размеры, мм | Масса, кг | |
|---|---|---|---|---|---|
| Вертикальн. | Горизонтальн. | L | |||
| Р | Q | ||||
| А14Б 554.000 | 50 | 51 | 15 | 150,0 | 1,31 |
| А14Б 554.000-01 | 50 | 51 | 15 | 150,0 | 1,50 |
| А14Б 554.000-02 | 65 | 78 | 23 | 160,0 | 1,66 |
| А14Б 554.000-03 | 65 | 78 | 23 | 160,0 | 1,86 |
| А14Б 554.000-04 | 80 | 107 | 32 | 185,0 | 2,15 |
| А14Б 554.000-05 | 80 | 107 | 32 | 185,0 | 2,33 |
| А14Б 554.000-06 | 100 | 157 | 47 | 195,0 | 3,57 |
| А14Б 554.000-07 | 100 | 157 | 47 | 195,0 | 3,89 |
| А14Б 554.000-08 | 125 | 220 | 66 | 210,0 | 4,18 |
| А14Б 554.000-09 | 125 | 220 | 66 | 210,0 | 4,54 |
Опоры подвижные А14Б 555.000
Конструкция и размеры

Таблица №50
| Обозначение | Условный проход Ду, мм | Допускаемые нагрузки, кгс | Размеры, мм | Масса, кг | |
|---|---|---|---|---|---|
| Вертикальн. | Горизонтальн. | L | |||
| Р | Q | ||||
| А14Б 555.000 | 150 | 325 | 97 | 220,0 | 2,24 |
| А14Б 555.000-01 | 150 | 325 | 97 | 220,0 | 2,38 |
| А14Б 555.000-02 | 200 | 860 | 258 | 260,0 | 11,24 |
| А14Б 555.000-03 | 200 | 860 | 258 | 260,0 | 12,13 |
| А14Б 555.000-04 | 250 | 1153 | 346 | 290,0 | 15,46 |
| А14Б 555.000-05 | 250 | 1153 | 346 | 290,0 | 16,36 |
Опоры подвижные А14Б 556.000
Конструкция и размеры

Таблица №51
| Обозначение | Условный проход Ду, мм | Допускаемые нагрузки, кгс | Размеры, мм | Масса, кг | ||
|---|---|---|---|---|---|---|
| Вертикальн. | Горизонтальн. | L | l | |||
| Р | Q | |||||
| А14Б 556.000 | 50 | 65 | 19 | 130,0 | 150,0 | 2,06 |
| А14Б 556.000-01 | 50 | 65 | 19 | 130,0 | 150,0 | 2,50 |
| А14Б 556.000-02 | 65 | 95 | 28 | 140,0 | 160,0 | 2,32 |
| А14Б 556.000-03 | 65 | 95 | 28 | 140,0 | 160,0 | 2,76 |
| А14Б 556.000-04 | 80 | 130 | 39 | 145,0 | 185,0 | 3,24 |
| А14Б 556.000-05 | 80 | 130 | 39 | 145,0 | 185,0 | 3,74 |
| А14Б 556.000-06 | 100 | 190 | 57 | 165,0 | 195,0 | 3,84 |
| А14Б 556.000-07 | 100 | 190 | 57 | 165,0 | 195,0 | 4,34 |
| А14Б 556.000-08 | 125 | 265 | 79 | 180,0 | 210,0 | 4,95 |
| А14Б 556.000-09 | 125 | 265 | 79 | 180,0 | 210,0 | 5,63 |
Опоры подвижные А14Б 557.000
Конструкция и размеры

Таблица №52
| Обозначение | Условный проход Ду, мм | Допускаемые нагрузки, кгс | Размеры, мм | Масса, кг | ||
|---|---|---|---|---|---|---|
| Вертикальн. | Горизонтальн. | L | l | |||
| Р | Q | |||||
| А14Б 557.000 | 150 | 325 | 97 | 220,0 | 285,0 | 6,20 |
| А14Б 557.000-01 | 150 | 325 | 97 | 220,0 | 285,0 | 6,67 |
| А14Б 557.000-02 | 200 | 860 | 258 | 260,0 | 390,0 | 14,97 |
| А14Б 557.000-03 | 200 | 860 | 258 | 260,0 | 390,0 | 15,83 |
| А14Б 557.000-04 | 250 | 1153 | 346 | 290,0 | 465,0 | 20,57 |
| А14Б 557.000-05 | 250 | 1153 | 346 | 290,0 | 465,0 | 21,46 |
Опоры подвижные двухрядные А14Б 558.000
Конструкция и размеры

Таблица №53
| Обозначение | Условный проход Ду, мм | Допускаемые нагрузки, кгс | Размеры, мм | Масса, кг | ||
|---|---|---|---|---|---|---|
| Вертикальн. | Горизонтальн. | L | l | |||
| Р | Q | |||||
| А14Б 558.000 | 50 | 51 | 15 | 150,0 | 245,0 | 3,02 |
| А14Б 558.000-01 | 50 | 51 | 15 | 150,0 | 245,0 | 5,48 |
| А14Б 558.000-02 | 65 | 78 | 23 | 160,0 | 270,0 | 5,07 |
| А14Б 558.000-03 | 65 | 78 | 23 | 160,0 | 270,0 | 5,54 |
| А14Б 558.000-04 | 80 | 107 | 32 | 185,0 | 320,0 | 7,05 |
| А14Б 558.000-05 | 80 | 107 | 32 | 185,0 | 320,0 | 7,52 |
Опоры подвижные двухрядные А14Б 559.000
Конструкция и размеры

Таблица №54
| Обозначение | Рис. | Условный проход, мм | Допускаемые нагрузки, кгс | Размеры, мм | Масса, кг | |||||
|---|---|---|---|---|---|---|---|---|---|---|
| Вертикальн. | Горизонтальн. | L | l | |||||||
| Ду | Ду₁ | Р | Р₁ | Q | Q₁ | |||||
| А14Б 559.000 | 1 | 100 | --- | 157 | --- | 47 | --- | 195,0 | 340,0 | 9,20 |
| А14Б 559.000-01 | 1 | 100 | --- | 157 | --- | 47 | --- | 195,0 | 340,0 | 9,86 |
| А14Б 559.000-02 | 2 | 125 | 100 | 220 | 157 | 66 | 47,1 | 195,0 | 340,0 | 9,68 |
| А14Б 559.000-03 | 2 | 125 | 100 | 220 | 157 | 66 | 47,1 | 195,0 | 340,0 | 10,36 |
| А14Б 559.000-04 | 2 | 150 | 100 | 325 | 157 | 97 | 47,1 | 210,0 | 355,0 | 12,30 |
| А14Б 559.000-05 | 2 | 150 | 100 | 325 | 157 | 97 | 47,1 | 210,0 | 355,0 | 13,00 |
| А14Б 559.000-06 | 2 | 200 | 100 | 860 | 157 | 258 | 47,1 | 220,0 | 365,0 | 22,00 |
| А14Б 559.000-07 | 2 | 200 | 100 | 860 | 157 | 258 | 47,1 | 220,0 | 365,0 | 23,70 |
| А14Б 559.000-08 | 2 | 250 | 100 | 1153 | 157 | 345 | 47,1 | 260,0 | 405,0 | 27,50 |
| А14Б 559.000-09 | 2 | 250 | 100 | 1153 | 157 | 345 | 47,1 | 260,0 | 405,0 | 29,30 |
| А14Б 559.000-10 | 1 | 125 | --- | 220 | --- | 66 | --- | 290,0 | 435,0 | 11,20 |
| А14Б 559.000-11 | 1 | 125 | --- | 220 | --- | 66 | --- | 290,0 | 435,0 | 11,80 |
| А14Б 559.000-12 | 2 | 150 | 125 | 325 | 220 | 97 | 66 | 210,0 | 370,0 | 12,89 |
| А14Б 559.000-13 | 2 | 150 | 125 | 325 | 220 | 97 | 66 | 210,0 | 370,0 | 13,84 |
| А14Б 559.000-14 | 2 | 200 | 125 | 860 | 220 | 258 | 66 | 220,0 | 380,0 | 22,64 |
| А14Б 559.000-15 | 2 | 200 | 125 | 860 | 220 | 258 | 66 | 220,0 | 380,0 | 24,36 |
| А14Б 559.000-16 | 2 | 250 | 125 | 1153 | 220 | 346 | 66 | 260,0 | 420,0 | 28,73 |
| А14Б 559.000-17 | 2 | 250 | 125 | 1153 | 220 | 346 | 66 | 260,0 | 420,0 | 29,45 |
| А14Б 559.000-18 | 1 | 150 | --- | 325 | --- | 97 | --- | 290,0 | 390,0 | 14,53 |
| А14Б 559.000-19 | 1 | 150 | --- | 325 | --- | 97 | --- | 290,0 | 390,0 | 15,49 |
| А14Б 559.000-20 | 2 | 200 | 150 | 860 | 325 | 258 | 97,5 | 260,0 | 430,0 | 28,30 |
| А14Б 559.000-21 | 2 | 200 | 150 | 860 | 325 | 258 | 97,5 | 260,0 | 430,0 | 28,00 |
Опоры подвижные двухрядные А14Б 560.000
Конструкция и размеры

Таблица №55
| Обозначение | Условный проход Ду, мм | Допускаемые нагрузки, кгс | Размеры, мм | Масса, кг | |||
|---|---|---|---|---|---|---|---|
| Вертикальн. | Горизонтальн. | L | l | l₁ | |||
| Р | Q | ||||||
| А14Б 560.000 | 50 | 51 | 15 | 130,0 | 150,0 | 245,0 | 5,82 |
| А14Б 560.000-01 | 50 | 51 | 15 | 130,0 | 150,0 | 245,0 | 6,18 |
| А14Б 560.000-02 | 65 | 78 | 23 | 140,0 | 160,0 | 270,0 | 6,18 |
| А14Б 560.000-03 | 65 | 78 | 23 | 140,0 | 160,0 | 270,0 | 6,58 |
| А14Б 560.000-04 | 80 | 107 | 32 | 145,0 | 185,0 | 320,0 | 6,43 |
| А14Б 560.000-05 | 80 | 107 | 32 | 145,0 | 185,0 | 320,0 | 7,08 |
Опоры подвижные двухрядные А14Б 561.000
Конструкция и размеры

Таблица №56
| Обозначение | Рис. | Условный проход, мм | Допускаемые нагрузки, кгс | Размеры, мм | Масса, кг | ||||||
|---|---|---|---|---|---|---|---|---|---|---|---|
| Вертикальн. | Горизонтальн. | L | l | l₁ | |||||||
| Ду | Ду₁ | Р | Р₁ | Q | Q₁ | ||||||
| А14Б 561.000 | 1 | 100 | --- | 157 | 157 | 47 | --- | 250,0 | 195,0 | 340,0 | 12,54 |
| А14Б 561.000-01 | 1 | 100 | --- | 157 | 157 | 47 | --- | 250,0 | 195,0 | 340,0 | 13,20 |
| А14Б 561.000-02 | 2 | 125 | 100 | 220 | 157 | 66 | 47 | 270,0 | 210,0 | 355,0 | 12,96 |
| А14Б 561.000-03 | 2 | 125 | 100 | 220 | 157 | 66 | 47 | 270,0 | 210,0 | 355,0 | 13,78 |
| А14Б 561.000-04 | 2 | 150 | 100 | 325 | 157 | 97 | 47 | 285,0 | 220,0 | 365,0 | 15,97 |
| А14Б 561.000-05 | 2 | 150 | 100 | 325 | 157 | 97 | 47 | 285,0 | 220,0 | 365,0 | 16,94 |
| А14Б 561.000-06 | 2 | 200 | 100 | 860 | 157 | 258 | 47 | 390,0 | 260,0 | 405,0 | 26,78 |
| А14Б 561.000-07 | 2 | 200 | 100 | 860 | 157 | 258 | 47 | 390,0 | 260,0 | 405,0 | 28,50 |
| А14Б 561.000-08 | 2 | 250 | 100 | 1153 | 157 | 346 | 47 | 465,0 | 290,0 | 435,0 | 38,20 |
| А14Б 561.000-09 | 2 | 250 | 100 | 1153 | 157 | 346 | 47 | 465,0 | 290,0 | 435,0 | 39,74 |
| А14Б 561.000-10 | 1 | 125 | --- | 220 | 220 | 66 | 66 | 270,0 | 210,0 | 370,0 | 15,20 |
| А14Б 561.000-11 | 1 | 125 | --- | 220 | 220 | 66 | 66 | 270,0 | 210,0 | 370,0 | 15,88 |
| А14Б 561.000-12 | 2 | 150 | 125 | 325 | 220 | 97 | 66 | 285,0 | 220,0 | 380,0 | 17,47 |
| А14Б 561.000-13 | 2 | 150 | 125 | 325 | 220 | 97 | 66 | 285,0 | 220,0 | 380,0 | 18,34 |
| А14Б 561.000-14 | 2 | 200 | 125 | 860 | 220 | 258 | 66 | 390,0 | 260,0 | 420,0 | 30,00 |
| А14Б 561.000-15 | 2 | 200 | 125 | 860 | 220 | 258 | 66 | 390,0 | 260,0 | 420,0 | 31,80 |
| А14Б 561.000-16 | 2 | 250 | 125 | 1153 | 220 | 346 | 66 | 465,0 | 290,0 | 450,0 | 38,42 |
| А14Б 561.000-17 | 2 | 250 | 125 | 1153 | 220 | 346 | 66 | 465,0 | 290,0 | 450,0 | 40,22 |
| А14Б 561.000-18 | 1 | 150 | --- | 325 | 325 | 97 | 97 | 285,0 | 220,0 | 390,0 | 19,67 |
| А14Б 561.000-19 | 1 | 150 | --- | 325 | 325 | 97 | 97 | 285,0 | 220,0 | 390,0 | 20,64 |
| А14Б 561.000-20 | 2 | 200 | 150 | 860 | 325 | 258 | 97 | 390,0 | 260,0 | 430,0 | 34,98 |
| А14Б 561.000-21 | 2 | 200 | 150 | 860 | 325 | 258 | 97 | 390,0 | 260,0 | 430,0 | 36,70 |
Опоры подвижные трехрядные А14Б 562.000
Конструкция и размеры

Таблица №57
| Обозначение | Условный проход Ду, мм | Допускаемые нагрузки, кгс | Размеры, мм | Масса, кг | ||
|---|---|---|---|---|---|---|
| Верттикальн. | Горизонтальн. | L | l | |||
| Р | Q | |||||
| А14Б 562.000 | 50 | 51 | 15,3 | 150,0 | 245,0 | 6,60 |
| А14Б 562.000-01 | 50 | 51 | 15,3 | 150,0 | 245,0 | 7,12 |
| А14Б 562.000-02 | 65 | 78 | 23,4 | 160,0 | 270,0 | 8,27 |
| А14Б 562.000-03 | 65 | 78 | 23,4 | 160,0 | 270,0 | 8,86 |
| А14Б 562.000-04 | 80 | 107 | 32,1 | 185,0 | 230,0 | 12,80 |
| А14Б 562.000-05 | 80 | 107 | 32,1 | 185,0 | 230,0 | 13,38 |
| А14Б 562.000-06 | 100 | 151 | 47,1 | 195,0 | 340,0 | 17,93 |
| А14Б 562.000-07 | 100 | 151 | 47,1 | 195,0 | 340,0 | 19,00 |
Опоры подвижные трехрядные А14Б 563.000
Конструкция и размеры

Таблица №58
| Обозначение | Условный проход, мм | Допускаемые нагрузки, кгс | Размеры, мм | Масса, кг | ||||||
|---|---|---|---|---|---|---|---|---|---|---|
| Вертикальн. | Горизонтальн. | L | l | l₁ | ||||||
| Ду | Ду₁ | Р | Р₁ | Q | Q₁ | |||||
| А14Б 563.000 | 65 | 50 | 78 | 51 | 23 | 15 | 160,0 | 270,0 | 260,0 | 8,52 |
| А14Б 563.000-01 | 65 | 50 | 78 | 51 | 23 | 15 | 160,0 | 270,0 | 260,0 | 9,01 |
| А14Б 563.000-02 | 60 | 50 | 107 | 51 | 32 | 15 | 185,0 | 320,0 | 285,0 | 11,21 |
| А14Б 563.000-03 | 60 | 50 | 107 | 51 | 32 | 15 | 185,0 | 320,0 | 285,0 | 11,78 |
| А14Б 563.000-04 | 100 | 50 | 157 | 51 | 47 | 15 | 195,0 | 340,0 | 295,0 | 16,09 |
| А14Б 563.000-05 | 100 | 50 | 157 | 51 | 47 | 15 | 195,0 | 340,0 | 295,0 | 16,16 |
| А14Б 563.000-06 | 125 | 50 | 220 | 51 | 65 | 15 | 210,0 | 370,0 | 310,0 | 18,52 |
| А14Б 563.000-07 | 125 | 50 | 220 | 51 | 65 | 15 | 210,0 | 370,0 | 310,0 | 19,60 |
| А14Б 563.000-08 | 150 | 50 | 225 | 51 | 97 | 15 | 220,0 | 390,0 | 320,0 | 26,38 |
| А14Б 563.000-09 | 150 | 50 | 225 | 51 | 97 | 15 | 220,0 | 390,0 | 320,0 | 27,84 |
| А14Б 563.000-10 | 100 | 80 | 157 | 107 | 47 | 32 | 195,0 | 340,0 | 330,0 | 16,73 |
| А14Б 563.000-11 | 100 | 80 | 157 | 107 | 47 | 32 | 195,0 | 340,0 | 330,0 | 17,80 |
| А14Б 563.000-12 | 125 | 80 | 220 | 107 | 65 | 32 | 210,0 | 370,0 | 345,0 | 21,95 |
| А14Б 563.000-13 | 125 | 80 | 220 | 107 | 65 | 32 | 210,0 | 370,0 | 345,0 | 23,00 |
| А14Б 563.000-14 | 150 | 80 | 325 | 107 | 97 | 32 | 220,0 | 390,0 | 355,0 | 28,60 |
| А14Б 563.000-15 | 150 | 80 | 325 | 107 | 97 | 32 | 220,0 | 390,0 | 355,0 | 30,00 |
| А14Б 563.000-16 | 125 | 100 | 220 | 157 | 65 | 47 | 210,0 | 370,0 | 355,0 | 23,33 |
| А14Б 563.000-17 | 125 | 100 | 220 | 157 | 65 | 47 | 210,0 | 370,0 | 355,0 | 24,10 |
| А14Б 563.000-18 | 150 | 100 | 325 | 157 | 97 | 47 | 220,0 | 390,0 | 365,0 | 30,73 |
| А14Б 563.000-19 | 150 | 100 | 325 | 157 | 97 | 47 | 220,0 | 390,0 | 365,0 | 32,20 |
Опоры подвижные трехрядные А14Б 564.000
Конструкция и размеры

Таблица №59
| Обозначение | Условный проход Ду, мм | Допускаемые нагрузки, кгс | Размеры, мм | Масса, кг | |||
|---|---|---|---|---|---|---|---|
| Верттикальн. | Горизонтальн. | L | l | l₁ | |||
| Р | Q | ||||||
| А14Б 564.000 | 50 | 51 | 15,3 | 195,0 | 150,0 | 245,0 | 7,75 |
| А14Б 564.000-01 | 50 | 51 | 15,3 | 195,0 | 150,0 | 245,0 | 8,32 |
| А14Б 564.000-02 | 65 | 78 | 23,4 | 210,0 | 160,0 | 270,0 | 9,85 |
| А14Б 564.000-03 | 65 | 78 | 23,4 | 210,0 | 160,0 | 270,0 | 10,46 |
| А14Б 564.000-04 | 80 | 107 | 32,1 | 220,0 | 185,0 | 320,0 | 15,24 |
| А14Б 564.000-05 | 80 | 107 | 32,1 | 220,0 | 185,0 | 320,0 | 15,82 |
| А14Б 564.000-06 | 100 | 151 | 47,1 | 250,0 | 195,0 | 340,0 | 19,80 |
| А14Б 564.000-07 | 100 | 151 | 47,1 | 250,0 | 195,0 | 340,0 | 20,84 |
Опоры подвижные трехрядные А14Б 565.000
Конструкция и размеры

Таблица №60
| Обозначение | Условный проход, мм | Допускаемые нагрузки, кгс | Размеры, мм | Масса, кг | |||||||
|---|---|---|---|---|---|---|---|---|---|---|---|
| Вертикальн. | Горизонтальн. | L | l | l₁ | l₂ | ||||||
| Ду | Ду₁ | Р | Р₁ | Q | Q₁ | ||||||
| А14Б 565.000 | 65 | 50 | 78 | 51 | 23,4 | 15,3 | 220,0 | 160,0 | 270,0 | 260,0 | 11,70 |
| А14Б 565.000-01 | 65 | 50 | 78 | 51 | 23,4 | 15,3 | 220,0 | 160,0 | 270,0 | 260,0 | 12,60 |
| А14Б 565.000-02 | 80 | 50 | 107 | 51 | 32,1 | 15,3 | 220,0 | 185,0 | 320,0 | 285,0 | 14,60 |
| А14Б 565.000-03 | 80 | 50 | 107 | 51 | 32,1 | 15,3 | 220,0 | 185,0 | 320,0 | 285,0 | 15,60 |
| А14Б 565.000-04 | 100 | 50 | 157 | 51 | 47,1 | 15,3 | 250,0 | 195,0 | 340,0 | 295,0 | 19,14 |
| А14Б 565.000-05 | 100 | 50 | 157 | 51 | 47,1 | 15,3 | 250,0 | 195,0 | 340,0 | 295,0 | 20,10 |
| А14Б 565.000-06 | 125 | 50 | 220 | 51 | 66 | 15,3 | 270,0 | 210,0 | 370,0 | 310,0 | 21,62 |
| А14Б 565.000-07 | 125 | 50 | 220 | 51 | 66 | 15,3 | 270,0 | 210,0 | 370,0 | 310,0 | 22,60 |
| А14Б 565.000-08 | 150 | 50 | 325 | 51 | 97,5 | 15,3 | 285,0 | 220,0 | 390,0 | 320,0 | 35,30 |
| А14Б 565.000-09 | 150 | 50 | 325 | 51 | 97,5 | 15,3 | 285,0 | 220,0 | 390,0 | 320,0 | 36,40 |
| А14Б 565.000-10 | 100 | 80 | 157 | 107 | 47,1 | 32,1 | 250,0 | 195,0 | 340,0 | 330,0 | 21,90 |
| А14Б 565.000-11 | 100 | 80 | 157 | 107 | 47,1 | 32,1 | 250,0 | 195,0 | 340,0 | 330,0 | 22,90 |
| А14Б 565.000-12 | 125 | 80 | 220 | 107 | 66 | 32,1 | 270,0 | 210,0 | 370,0 | 345,0 | 26,01 |
| А14Б 565.000-13 | 125 | 80 | 220 | 107 | 66 | 32,1 | 270,0 | 210,0 | 370,0 | 345,0 | 27,00 |
| А14Б 565.000-14 | 150 | 80 | 325 | 107 | 97,5 | 32,1 | 285,0 | 220,0 | 390,0 | 355,0 | 36,20 |
| А14Б 565.000-15 | 150 | 80 | 325 | 107 | 97,5 | 32,1 | 285,0 | 220,0 | 390,0 | 355,0 | 37,30 |
| А14Б 565.000-16 | 125 | 100 | 220 | 157 | 66 | 47,1 | 270,0 | 210,0 | 370,0 | 355,0 | 35,00 |
| А14Б 565.000-17 | 125 | 100 | 220 | 157 | 66 | 47,1 | 270,0 | 210,0 | 370,0 | 355,0 | 36,00 |
| А14Б 565.000-18 | 150 | 100 | 325 | 157 | 97,5 | 47,1 | 285,0 | 220,0 | 390,0 | 365,0 | 36,85 |
| А14Б 565.001-19 | 150 | 100 | 325 | 157 | 97,5 | 47,1 | 285,0 | 220,0 | 390,0 | 365,0 | 38,02 |
Опоры подвижные А14Б 566.000
Конструкция и размеры
Таблица №61
| Обозначение | Условный проход Ду, мм | Допускаемые нагрузки, кгс | Размеры, мм | Масса, кг | |
|---|---|---|---|---|---|
| Верттикальн. | Горизонтальн. | l₁ | |||
| Р | Q | ||||
| А14Б 566.000 | 50 | 40 | 12 | 100,0 | 1,21 |
| А14Б 566.000-01 | 65 | 56 | 17 | 120,0 | 1,41 |
| А14Б 566.000-02 | 80 | 72 | 22 | 130,0 | 1,63 |
| А14Б 566.000-03 | 100 | 120 | 36 | 140,0 | 2,02 |
Опоры подвижные А14Б 567.000
Конструкция и размеры
Таблица №62
| Обозначение | Условный проход Ду, мм | Допускаемые нагрузки, кгс | Размеры, мм | Масса, кг | |
|---|---|---|---|---|---|
| Верттикальн. | Горизонтальн. | l | |||
| Р | Q | ||||
| А14Б 567.000 | 50 | 51 | 15 | 150,0 | 2,23 |
| А14Б 567.000-01 | 50 | 51 | 15 | 150,0 | 2,67 |
| А14Б 567.000-02 | 65 | 78 | 23 | 160,0 | 3,00 |
| А14Б 567.000-03 | 65 | 78 | 23 | 160,0 | 3,40 |
| А14Б 567.000-04 | 80 | 107 | 32 | 185,0 | 3,03 |
| А14Б 567.000-05 | 80 | 107 | 32 | 185,0 | 3,47 |
| А14Б 567.000-06 | 100 | 157 | 47 | 195,0 | 4,70 |
| А14Б 567.000-07 | 100 | 157 | 47 | 195,0 | 5,20 |
Опоры подвижные А14Б 568.000
Конструкция и размеры
Таблица №63
| Обозначение | Условный проход Ду, мм | Допускаемые нагрузки, кгс | Размеры, мм | Масса, кг | |
|---|---|---|---|---|---|
| Верттикальн. | Горизонтальн. | l₁ | |||
| Р | Q | ||||
| А14Б 568.000 | 50 | 40 | 12 | 100,0 | 0,94 |
| А14Б 568.000-01 | 65 | 56 | 17 | 120,0 | 1,13 |
| А14Б 568.000-02 | 80 | 72 | 22 | 130,0 | 1,92 |
| А14Б 568.000-03 | 100 | 120 | 36 | 140,0 | 2,04 |
| А14Б 568.000-04 | 125 | 175 | 52 | 155,0 | 4,10 |
Опоры подвижные А14Б 569.000
Конструкция и размеры
Таблица №64
| Обозначение | Рис. | Условный проход Ду, мм | Допускаемые нагрузки, кгс | Размеры, мм | Масса, кг | |
|---|---|---|---|---|---|---|
| Верттикальн. | Горизонтальн. | l₁ | ||||
| Р | Q | |||||
| А14Б 569.000 | 1 | 125 | 175 | 52 | 155,0 | 5,40 |
| А14Б 569.000-01 | 1 | 150 | 266 | 80 | 170,0 | 5,70 |
| А14Б 569.000-02 | 2 | 200 | 590 | 177 | 200,0 | 9,03 |
| А14Б 569.000-03 | 2 | 250 | 840 | 252 | 240,0 | 15,60 |
Опоры подвижные А14Б 570.000
Конструкция и размеры
Таблица №65
| Обозначение | Рис. | Условный проход Ду, мм | Допускаемые нагрузки, кгс | Размеры, мм | Масса, кг | |
|---|---|---|---|---|---|---|
| Верттикальн. | Горизонтальн. | l | ||||
| Р | Q | |||||
| А14Б 570.000 | 1 | 125 | 220 | 66 | 210,0 | 5,90 |
| А14Б 570.000-01 | 1 | 125 | 220 | 66 | 210,0 | 6,40 |
| А14Б 570.000-02 | 1 | 150 | 325 | 97 | 220,0 | 7,30 |
| А14Б 570.000-03 | 1 | 150 | 325 | 97 | 220,0 | 7,95 |
| А14Б 570.000-04 | 2 | 200 | 860 | 258 | 260,0 | 15,10 |
| А14Б 570.000-05 | 2 | 200 | 860 | 258 | 260,0 | 15,90 |
Опоры подвижные двухрядные А14Б 571.000
Конструкция и размеры
Таблица №66
| Обозначение | Условный проход Ду, мм | Допускаемые нагрузки, кгс | Размеры, мм | Масса, кг | ||
|---|---|---|---|---|---|---|
| Вертикальн. | Горизонтальн. | l₁ | l₂ | |||
| Р | Q | |||||
| А14Б 571.000 | 50 | 40 | 12 | 140,0 | 100,0 | 2,91 |
| А14Б 571.000-01 | 65 | 56 | 17 | 160,0 | 120,0 | 3,67 |
| А14Б 571.000-02 | 80 | 72 | 22 | 175,0 | 130,0 | 4,70 |
Опоры подвижные двухрядные А14Б 572.000
Конструкция и размеры
Таблица №67
| Обозначение | Условный проход Ду, мм | Допускаемые нагрузки, кгс | Размеры, мм | Масса, кг | ||
|---|---|---|---|---|---|---|
| Верттикальн. | Горизонтальн. | l | l₁ | |||
| Р | Q | |||||
| А14Б 572.000 | 50 | 51 | 1,5 | 150,0 | 245,0 | 6,48 |
| А14Б 572.000-01 | 50 | 51 | 1,5 | 150,0 | 245,0 | 7,42 |
| А14Б 572.000-02 | 65 | 78 | 2,3 | 160,0 | 270,0 | 7,38 |
| А14Б 572.000-03 | 65 | 78 | 2,3 | 160,0 | 270,0 | 8,10 |
Опоры подвижные двухрядные А14Б 573.000
Конструкция и размеры
Таблица №68
| Обозначение | Условный проход Ду, мм | Допускаемые нагрузки, кгс | Размеры, мм | Масса, кг | ||
|---|---|---|---|---|---|---|
| Верттикальн. | Горизонтальн. | l₁ | l₂ | |||
| Р | Q | |||||
| А14Б 573.000 | 50 | 40 | 12 | 100,0 | 140,0 | 1,90 |
| А14Б 573.000-01 | 65 | 56 | 17 | 120,0 | 160,0 | 2,90 |
| А14Б 573.000-02 | 80 | 72 | 22 | 130,0 | 175,0 | 3,90 |
Опоры подвижные двухрядные А14Б 574.000
Конструкция и размеры
Таблица №69
| Обозначение | Рис. | Условный проход, мм | Допускаемые нагрузки, кгс | Размеры, мм | Масса, кг | |||||
|---|---|---|---|---|---|---|---|---|---|---|
| Вертикальн. | Горизонтальн. | l₂ | l₃ | |||||||
| Ду | Ду₁ | Р | Р₁ | Q | Q₁ | |||||
| А14Б 574.000 | 1 | 100 | -- | 120 | -- | 36 | -- | 140,0 | 195,0 | 7,00 |
| А14Б 574.000-01 | 2 | 100 | 125 | 120 | 175 | 36 | 52 | 155,0 | 210,0 | 7,90 |
| А14Б 574.000-02 | 2 | 100 | 150 | 120 | 266 | 36 | 80 | 170,0 | 225,0 | 9,31 |
| А14Б 574.000-03 | 2 | 100 | 200 | 120 | 590 | 36 | 177 | 200,0 | 255,0 | 12,75 |
| А14Б 574.000-04 | 1 | 125 | -- | 175 | -- | 52 | -- | 155,0 | 225,0 | 9,85 |
| А14Б 574.000-05 | 2 | 125 | 150 | 175 | 266 | 52 | 80 | 170,0 | 240,0 | 12,00 |
| А14Б 574.000-06 | 2 | 125 | 200 | 175 | 590 | 52 | 177 | 200,0 | 270,0 | 16,63 |
| А14Б 574.000-07 | 1 | 150 | -- | 266 | -- | 80 | -- | 170,0 | 270,0 | 14,52 |
| А14Б 574.000-08 | 2 | 150 | 200 | 266 | 590 | 80 | 177 | 200,0 | 280,0 | 19,23 |
Опоры подвижные двухрядные А14Б 575.000
Конструкция и размеры
Таблица №69
| Обозначение | Рис. | Условный проход, мм | Допускаемые нагрузки, кгс | Размеры, мм | Масса, кг | |||||
|---|---|---|---|---|---|---|---|---|---|---|
| Вертикальн. | Горизонтальн. | l₁ | l₂ | |||||||
| Ду | Ду₁ | Р | Р₁ | Q | Q₁ | |||||
| А14Б 575.000 | 1 | 100 | 80 | 157 | 107 | 47 | 32 | 195,0 | 330,0 | 11,00 |
| А14Б 575.000-01 | 1 | 100 | 80 | 157 | 107 | 47 | 32 | 195,0 | 330,0 | 12,00 |
| А14Б 575.000-02 | 1 | 125 | 80 | 220 | 107 | 66 | 32 | 210,0 | 345,0 | 12,80 |
| А14Б 575.000-03 | 1 | 125 | 80 | 220 | 107 | 66 | 32 | 210,0 | 345,0 | 13,70 |
| А14Б 575.000-04 | 1 | 150 | 80 | 325 | 107 | 97 | 32 | 220,0 | 355,0 | 13,80 |
| А14Б 575.000-05 | 1 | 150 | 80 | 325 | 107 | 97 | 32 | 220,0 | 355,0 | 14,90 |
| А14Б 575.000-06 | 1 | 200 | 80 | 860 | 107 | 258 | 32 | 260,0 | 395,0 | 24,00 |
| А14Б 575.000-07 | 1 | 200 | 80 | 860 | 107 | 258 | 32 | 260,0 | 395,0 | 25,30 |
| А14Б 575.000-08 | 2 | -- | 80 | -- | 107 | -- | 32 | 185,0 | 320,0 | 9,14 |
| А14Б 575.000-09 | 2 | -- | 80 | -- | 107 | -- | 32 | 185,0 | 320,0 | 10,10 |
| А14Б 575.000-10 | 1 | 125 | 100 | 220 | 157 | 66 | 47 | 210,0 | 355,0 | 13,90 |
| А14Б 575.000-11 | 1 | 125 | 100 | 220 | 157 | 66 | 47 | 210,0 | 355,0 | 14,90 |
| А14Б 575.000-12 | 1 | 150 | 100 | 325 | 157 | 97 | 47 | 220,0 | 365,0 | 16,70 |
| А14Б 575.000-13 | 1 | 150 | 100 | 325 | 157 | 97 | 47 | 220,0 | 365,0 | 18,80 |
| А14Б 575.000-14 | 1 | 200 | 100 | 860 | 157 | 258 | 47 | 260,0 | 405,0 | 33,60 |
| А14Б 575.000-15 | 1 | 200 | 100 | 860 | 157 | 258 | 47 | 260,0 | 405,0 | 34,90 |
| А14Б 575.000-16 | 2 | -- | 100 | -- | 157 | -- | 47 | 195,0 | 340,0 | 13,30 |
| А14Б 575.000-17 | 2 | -- | 100 | -- | 157 | -- | 47 | 195,0 | 340,0 | 14,30 |
| А14Б 575.000-18 | 1 | 150 | 125 | 325 | 220 | 97 | 66 | 220,0 | 380,0 | 18,20 |
| А14Б 575.000-19 | 1 | 150 | 125 | 325 | 220 | 97 | 66 | 220,0 | 380,0 | 19,40 |
| А14Б 575.000-20 | 1 | 200 | 125 | 860 | 220 | 258 | 66 | 260,0 | 420,0 | 34,00 |
| А14Б 575.000-21 | 1 | 200 | 125 | 860 | 220 | 258 | 66 | 260,0 | 420,0 | 35,20 |
| А14Б 575.000-22 | 2 | -- | 125 | -- | 220 | -- | 66 | 210,0 | 370,0 | 16,70 |
| А14Б 575.000-23 | 2 | -- | 125 | -- | 220 | -- | 66 | 210,0 | 370,0 | 17,70 |
| А14Б 575.000-24 | 2 | -- | 150 | -- | 220 | -- | 97 | 220,0 | 390,0 | 22,50 |
| А14Б 575.000-25 | 2 | -- | 150 | -- | 220 | -- | 97 | 220,0 | 390,0 | 23,90 |
Опоры подвижные трехрядные А14Б 576.000
Конструкция и размеры
Таблица №70
| Обозначение | Рис. | Условный проход Ду, мм | Допускаемые нагрузки, кгс | Размеры, мм | Масса, кг | ||
|---|---|---|---|---|---|---|---|
| Верттикальн. | Горизонтальн. | l₁ | l₂ | ||||
| Р | Q | ||||||
| А14Б 576.000 | 1 | 50 | 40 | 12 | 100,0 | 140,0 | 0,45 |
| А14Б 576.000-01 | 1 | 65 | 56 | 17 | 120,0 | 160,0 | 7,40 |
| А14Б 576.000-02 | 2 | 80 | 72 | 22 | 130,0 | 175,0 | 8,40 |
| А14Б 576.000-03 | 2 | 100 | 120 | 36 | 140,0 | 195,0 | 13,80 |
Опоры подвижные трехрядные А14Б 577.000
Конструкция и размеры
Таблица №71
| Обозначение | Условный проход Ду, мм | Допускаемые нагрузки, кгс | Размеры, мм | Масса, кг | ||
|---|---|---|---|---|---|---|
| Верттикальн. | Горизонтальн. | l | l₁ | |||
| Р | Q | |||||
| А14Б 577.000 | 50 | 51 | 15 | 150,0 | 245,0 | 11,54 |
| А14Б 577.000-01 | 50 | 51 | 15 | 150,0 | 245,0 | 12,80 |
| А14Б 577.000-02 | 65 | 78 | 23 | 160,0 | 270,0 | 13,23 |
| А14Б 577.000-03 | 65 | 78 | 23 | 160,0 | 270,0 | 14,61 |
| А14Б 577.000-04 | 80 | 107 | 32 | 185,0 | 320,0 | 18,90 |
| А14Б 577.000-05 | 80 | 107 | 32 | 185,0 | 320,0 | 20,30 |
| А14Б 577.000-06 | 100 | 157 | 47 | 195,0 | 340,0 | 25,34 |
| А14Б 577.000-07 | 100 | 157 | 47 | 195,0 | 340,0 | 26,92 |
Опоры подвижные трехрядные А14Б 578.000
Конструкция и размеры
Таблица №72
| Обозначение | Условный проход Ду, мм | Допускаемые нагрузки, кгс | Размеры, мм | Масса, кг | ||
|---|---|---|---|---|---|---|
| Верттикальн. | Горизонтальн. | l₁ | l₂ | |||
| Р | Q | |||||
| А14Б 578.000 | 50 | 40 | 12 | 100,0 | 140,0 | 4,70 |
| А14Б 578.000-01 | 65 | 56 | 17 | 120,0 | 160,0 | 5,80 |
| А14Б 578.000-02 | 80 | 72 | 22 | 130,0 | 175,0 | 6,30 |
Опоры подвесные А14Б 579.000
Конструкция и размеры

Таблица №73
| Обозначение | Условный проход Ду, мм | Допускаемая нагрузка Р, кгс | Размеры, мм | Масса, кг |
|---|---|---|---|---|
| H | ||||
| А14Б 579.000 | 50 | 250 | 540,0 | 1,18 |
| А14Б 579.000-01 | 65 | 250 | 550,0 | 1,18 |
| А14Б 579.000-02 | 80 | 250 | 700,0 | 1,62 |
| А14Б 579.000-03 | 100 | 250 | 700,0 | 1,70 |
| А14Б 579.000-04 | 125 | 250 | 730,0 | 3,33 |
| А14Б 579.000-05 | 150 | 400 | 790,0 | 3,80 |
| А14Б 579.000-06 | 200 | 1500 | 840,0 | 4,70 |
| А14Б 579.000-07 | 250 | 1500 | 850,0 | 5,13 |
Опоры подвесные А14Б 580.000
Конструкция и размеры

Таблица №74
| Обозначение | Условный проход Ду, мм | Допускаемая нагрузка Р, кгс | Размеры, мм | Масса, кг |
|---|---|---|---|---|
| H | ||||
| А14Б 580.000 | 50 | 250 | 700,0 | 1,48 |
| А14Б 580.000-01 | 65 | 250 | 720,0 | 1,50 |
| А14Б 580.000-02 | 80 | 250 | 760,0 | 1,90 |
| А14Б 580.000-03 | 100 | 250 | 760,0 | 2,00 |
| А14Б 580.000-04 | 125 | 250 | 900,0 | 4,14 |
| А14Б 580.000-05 | 150 | 400 | 950,0 | 4,57 |
| А14Б 580.000-06 | 200 | 1500 | 1100,0 | 5,71 |
| А14Б 580.000-07 | 250 | 1500 | 1000,0 | 5,91 |
Опоры подвесные А14Б 581.000
Конструкция и размеры

Таблица №75
| Обозначение | Условный проход Ду, мм | Допускаемая нагрузка Р, кгс | Масса, кг |
|---|---|---|---|
| А14Б 581.000 | 50 | 40 | 6,60 |
| А14Б 581.000-01 | 65 | 56 | 6,90 |
| А14Б 581.000-02 | 80 | 72 | 7,45 |
| А14Б 581.000-03 | 100 | 120 | 7,53 |
| А14Б 581.000-04 | 125 | 175 | 10,44 |
| А14Б 581.000-05 | 150 | 266 | 10,80 |
| А14Б 581.000-06 | 200 | 590 | 11,80 |
| А14Б 581.000-07 | 250 | 840 | 12,00 |
Опоры подвесные А14Б 582.000
Конструкция и размеры

Таблица №76
| Обозначение | Условный проход Ду, мм | Допускаемая нагрузка Р, кгс | Размеры, мм | Масса, кг | |
|---|---|---|---|---|---|
| L | H | ||||
| А14Б 582.000 | 50 | 51 | 400,0 | 550,0 | 3,32 |
| А14Б 582.000-01 | 65 | 75 | 440,0 | 550,0 | 4,60 |
| А14Б 582.000-02 | 80 | 107 | 550,0 | 550,0 | 6,31 |
| А14Б 582.000-03 | 100 | 157 | 560,0 | 550,0 | 8,71 |
| А14Б 582.000-04 | 125 | 220 | 600,0 | 630,0 | 13,20 |
| А14Б 582.000-05 | 150 | 325 | 630,0 | 630,0 | 13,10 |
| А14Б 582.000-06 | 200 | 857 | 750,0 | 680,0 | 24,54 |
| А14Б 582.000-07 | 250 | 1153 | 860,0 | 680,0 | 30,60 |
Опоры подвесные А14Б 583.000
Конструкция и размеры

Таблица №77
| Обозначение | Условный проход Ду, мм | Допускаемая нагрузка Р, кгс | Размеры, мм | Масса, кг | |
|---|---|---|---|---|---|
| Lᵐᵃˣ | H | ||||
| А14Б 583.000 | 50 | 51 | 400,0 | 650,0 | 4,10 |
| А14Б 583.000-01 | 65 | 75 | 440,0 | 650,0 | 5,15 |
| А14Б 583.000-02 | 80 | 107 | 550,0 | 650,0 | 6,90 |
| А14Б 583.000-03 | 100 | 157 | 560,0 | 650,0 | 9,30 |
| А14Б 583.000-04 | 125 | 220 | 600,0 | 670,0 | 13,80 |
| А14Б 583.000-05 | 150 | 325 | 630,0 | 670,0 | 13,70 |
| А14Б 583.000-06 | 200 | 857 | 750,0 | 890,0 | 24,42 |
| А14Б 583.000-07 | 250 | 1153 | 860,0 | 910,0 | 30,50 |
Опоры подвесные А14Б 584.000
Конструкция и размеры

Таблица №78
| Обозначение | Условный проход Ду, мм | Допускаемая нагрузка Р, кгс | Размеры, мм | Масса, кг |
|---|---|---|---|---|
| Lᵐᵃˣ | ||||
| А14Б 584.000 | 50 | 51 | 400,0 | 14,34 |
| А14Б 584.000-01 | 65 | 75 | 440,0 | 15,42 |
| А14Б 584.000-02 | 80 | 107 | 550,0 | 17,14 |
| А14Б 584.000-03 | 100 | 157 | 560,0 | 19,60 |
| А14Б 584.000-04 | 125 | 220 | 600,0 | 24,40 |
| А14Б 584.000-05 | 150 | 325 | 630,0 | 24,30 |
| А14Б 584.000-06 | 200 | 857 | 750,0 | 38,90 |
| А14Б 584.000-07 | 250 | 1153 | 860,0 | 44,90 |
Опоры подвесные двухрядные А14Б 585.000
Конструкция и размеры

Таблица №79
| Обозначение | Условный проход Ду, мм | Допускаемая нагрузка Р, кгс | Размеры, мм | Масса, кг | ||
|---|---|---|---|---|---|---|
| H | Lᵐᵃˣ | L₁ | ||||
| А14Б 585.000 | 100 | 118 | 550,0 | 690,0 | 250,0 | 11,30 |
| А14Б 585.000-01 | 125 | 175 | 560,0 | 780,0 | 280,0 | 14,50 |
| А14Б 585.000-02 | 150 | 266 | 560,0 | 850,0 | 300,0 | 17,90 |
| А14Б 585.000-03 | 200 | 590 | 570,0 | 1000,0 | 350,0 | 29,20 |
| А14Б 585.000-04 | 250 | 840 | 570,0 | 1100,0 | 400,0 | 31,50 |
Опоры подвесные двухрядные А14Б 586.000
Конструкция и размеры

Таблица №80
| Обозначение | Условный проход Ду, мм | Допускаемая нагрузка Р, кгс | Размеры, мм | Масса, кг | ||
|---|---|---|---|---|---|---|
| Lᵐᵃˣ | L₁ | H | ||||
| А14Б 586.000 | 100 | 118 | 690,0 | 250,0 | 600,0 | 12,40 |
| А14Б 586.000-01 | 125 | 175 | 780,0 | 280,0 | 750,0 | 17,50 |
| А14Б 586.000-02 | 150 | 266 | 850,0 | 300,0 | 750,0 | 20,80 |
| А14Б 586.000-03 | 200 | 590 | 1000,0 | 350,0 | 780,0 | 32,10 |
| А14Б 586.000-04 | 250 | 840 | 1100,0 | 400,0 | 780,0 | 34,50 |
Опоры подвесные двухрядные А14Б 587.000
Конструкция и размеры

Таблица №81
| Обозначение | Условный проход Ду, мм | Допускаемая нагрузка Р, кгс | Размеры, мм | Масса, кг | ||
|---|---|---|---|---|---|---|
| Lᵐᵃˣ | L₁ | H | ||||
| А14Б 587.000 | 100 | 118 | 690,0 | 250,0 | 600,0 | 15,30 |
| А14Б 587.000-01 | 125 | 175 | 780,0 | 280,0 | 750,0 | 20,50 |
| А14Б 587.000-02 | 150 | 266 | 850,0 | 300,0 | 750,0 | 23,90 |
Траверсы для крепления трубопроводов трехрядные А14Б 588.000
Конструкция и размеры

Таблица №82
| Обозначение | Рис. | Условный проход, мм | Допускаемые нагрузки, кгс | Масса, кг | ||||
|---|---|---|---|---|---|---|---|---|
| Вертикальн. | Горизонтальн. | |||||||
| Ду | Ду₁ | Р | Р₁ | Q | Q₁ | |||
| А14Б 588.000 | 1 | 100 | -- | 120 | -- | 36 | -- | 57,70 |
| А14Б 588.000-01 | 2 | 100 | 125 | 120 | 175 | 36 | 52 | 57,90 |
| А14Б 588.000-02 | 2 | 100 | 150 | 120 | 266 | 36 | 80 | 57,92 |
| А14Б 588.000-03 | 1 | 125 | -- | 175 | -- | 52 | -- | 58,45 |
| А14Б 588.000-04 | 2 | 125 | 150 | 175 | 266 | 52 | 80 | 58,44 |
| А14Б 588.000-05 | 2 | 150 | 125 | 266 | 120 | 80 | 36 | 59,00 |
| А14Б 588.000-06 | 2 | 150 | 100 | 266 | 175 | 80 | 52 | 58,80 |
| А14Б 588.000-07 | 1 | 150 | -- | 266 | -- | 80 | -- | 58,40 |
Траверсы для крепления трубопроводов четырехрядные А14Б 589.000
Конструкция и размеры

Таблица №83
| Обозначение | Рис. | Условный проход, мм | Допускаемые нагрузки, кгс | Масса, кг | ||||
|---|---|---|---|---|---|---|---|---|
| Вертикальн. | Горизонтальн. | |||||||
| Ду | Ду₁ | Р | Р₁ | Q | Q₁ | |||
| А14Б 589.000 | 1 | 100 | -- | 120 | -- | 36 | -- | 59,20 |
| А14Б 589.000-01 | 2 | 100 | 125 | 120 | 175 | 36 | 52 | 59,72 |
| А14Б 589.000-02 | 2 | 100 | 150 | 120 | 266 | 36 | 80 | 59,68 |
| А14Б 589.000-03 | 1 | 125 | -- | 175 | -- | 52 | -- | 60,23 |
| А14Б 589.000-04 | 2 | 125 | 150 | 175 | 266 | 52 | 80 | 60,20 |
| А14Б 589.000-05 | 1 | 100 | -- | 266 | -- | 80 | -- | 59,20 |
Опоры подвижные А14Б 590.000
Конструкция и размеры

Таблица №84
| Обозначение | Условный проход Ду, мм | Размеры, мм | Масса, кг |
|---|---|---|---|
| L | |||
| А14Б 590.000 | 50 | 170,0 | 1,53 |
| А14Б 590.000-01 | 65 | 190,0 | 2,41 |
| А14Б 590.000-02 | 80 | 206,0 | 2,64 |
| А14Б 590.000-03 | 100 | 222,0 | 2,84 |
| А14Б 590.000-04 | 125 | 250,0 | 4,66 |
| А14Б 590.000-05 | 150 | 280,0 | 5,32 |
| А14Б 590.000-06 | 200 | 342,0 | 8,60 |
| А14Б 590.000-07 | 250 | 398,0 | 11,17 |
Стойки опорные А14Б 591.000
Конструкция и размеры

Таблица №85
| Обозначение | Условный проход Ду, мм | Размеры, мм | Масса, кг | |
|---|---|---|---|---|
| L | L₁ | |||
| А14Б 591.000 | 50 | 110,0 | 150,0 | 8,30 |
| А14Б 591.000-01 | 65 | 110,0 | 150,0 | 8,50 |
| А14Б 591.000-02 | 80 | 110,0 | 150,0 | 8,46 |
| А14Б 591.000-03 | 100 | 150,0 | 210,0 | 14,16 |
| А14Б 591.000-04 | 125 | 150,0 | 210,0 | 14,25 |
| А14Б 591.000-05 | 150 | 150,0 | 210,0 | 14,52 |
| А14Б 591.000-06 | 200 | 150,0 | 250,0 | 18,80 |
| А14Б 591.000-07 | 250 | 200,0 | 250,0 | 18,73 |
Опоры под отвод А14Б 592.000
Конструкция и размеры

Таблица №86
| Обозначение | Условный проход Ду, мм | Размеры, мм | Масса, кг | |
|---|---|---|---|---|
| H | L | |||
| А14Б 592.000 | 150 | 115,0 | 200,0 | 8,70 |
| А14Б 592.000-01 | 200 | 175,0 | 250,0 | 15,00 |
| А14Б 592.000-02 | 250 | 225,0 | 300,0 | 24,20 |
Опоры для вертикального трубопровода А14Б 593.000
Конструкция и размеры

Таблица №87
| Обозначение | Условный проход Ду, мм | Размеры, мм | Масса, кг | |
|---|---|---|---|---|
| H | L | |||
| А14Б 593.000 | 50 | 108,0 | 100,0 | 0,43 |
| А14Б 593.000-01 | 65 | 138,0 | 130,0 | 0,80 |
| А14Б 593.000-02 | 80 | 168,0 | 160,0 | 1,16 |
| А14Б 593.000-03 | 100 | 208,0 | 200,0 | 2,00 |
| А14Б 593.000-04 | 125 | 262,0 | 250,0 | 2,30 |
| А14Б 593.000-05 | 150 | 312,0 | 300,0 | 3,80 |
| А14Б 593.000-06 | 200 | 412,0 | 400,0 | 13,46 |
| А14Б 593.000-07 | 250 | 512,0 | 500,0 | 22,64 |
Гильзы для прохода труб через перекрытие А14Б 594.000
Конструкция и размеры

Таблица №88
| Обозначение | Рис. | Условный проход Ду, мм | Размеры, мм | Масса, кг | |
|---|---|---|---|---|---|
| L | Н | ||||
| А14Б 594.000 | 1 | 50 | 276,0 | 327,0 | 2,01 |
| А14Б 594.000-01 | 1 | 65 | 289,0 | 342,0 | 2,70 |
| А14Б 594.000-02 | 1 | 80 | 308,0 | 345,0 | 3,61 |
| А14Б 594.000-03 | 2 | 100 | 333,0 | 357,0 | 4,76 |
| А14Б 594.000-04 | 2 | 125 | 359,0 | 374,0 | 6,21 |
| А14Б 594.000-05 | 2 | 150 | 419,0 | 396,0 | 10,75 |
| А14Б 594.000-06 | 2 | 200 | 473,0 | 447,0 | 15,81 |
| А14Б 594.000-07 | 2 | 250 | 525,0 | 495,0 | 21,55 |
Завод «Северозапад» осуществляет доставку продукции по всей России. Мы предоставляем:
- Широкий ассортимент продукции;
- Производство только из сырья высокого качества;
- Доставка в заранее установленные сроки;
- Сохранность целостности изделий при перевозке;
- Профессионально налаженная логистика;
- Доставка как на склад, так и на объект покупателя;
- Доставляем изделия любых габаритов и формы.
Для постоянных клиентов у нас разработана система скидок, которая позволяет вам еще более выгодно сотрудничать с нами. Воспользуйтесь онлайн калькулятором в разделе меню “Доставка”, чтобы узнать стоимость доставки до места назначения.
Вам также может понравиться