Существует несколько способов изготовления угольников, одним из которых является вытачивание детали. Чаще всего точеные угольники используются в трубопроводах на нефтехимических предприятиях и на предприятиях, производящих минеральные удобрения.
Угольник с резьбовым фланцем
  
Угольники, изготовленные точением – сверхпрочный элемент разводки трубопроводов.
Завод «Северозапад» – эталонное качество соединительных элементов для трубопроводов высокого давления. Точеные угольники нашего производства имеют цену, соответствующую неоспоримому качеству.
Без использования точеных угольников создание сложной разветвленной системы трубопроводов высокого давления невозможно. Конечно, существуют и более дешевые способы развернуть трубы под определенным углом, чем приобретение угольников, изготовленных вытачиванием. Однако в тех сферах деятельности, где соединительные элементы подвергаются экстремальным воздействиям температуры и давления – рационально и безопасно устанавливать исключительно бесшовные детали.
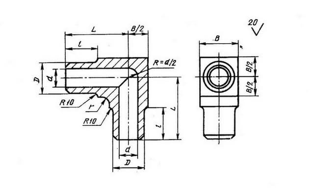
Угольник точеный ГОСТ 22820-83
  
Чертеж угольника ГОСТ 22820-83
  
Доверие к продукции завода металлоконструкций «Северозапад» в целом, и к точеным деталям, в частности – это целый пласт успешно выполненных нашими заказчиками проектов и положительных отзывов. Причем заслуженных не только в России.
Помимо угольников наш завод предлагает следующие точеные детали:
Точеные угольники от завода «Северозапад» – многолетние традиции мастерства!
Мы предлагаем угольники с углом разворота 45 и 90 градусов, выполненных из тех марок стали (20, 09Г2С и другие), которые доказали свою долговечность и прочность при использовании на предприятиях нефтегазовой, химической отраслей, а также при разводке трубопроводов, задействованных на производстве минеральных удобрений.
Благодаря наличию собственного конструкторского бюро, мы можем выполнить угольники соответствующие всем индивидуальным требованиям заказчика:
- материал;
- толщина стенок;
- диаметр;
- прямая или переходная конструкция;
- показатели прочности (рабочее давление).
Точеные угольники от завода «Северозапад» – качество, доказанное временем!
Завод «Северозапад» осуществляет доставку продукции по всей России. Мы предоставляем:
- Широкий ассортимент продукции;
- Производство только из сырья высокого качества;
- Доставка в заранее установленные сроки;
- Сохранность целостности изделий при перевозке;
- Профессионально налаженная логистика;
- Доставка как на склад, так и на объект покупателя;
- Доставляем изделия любых габаритов и формы.
Для постоянных клиентов у нас разработана система скидок, которая позволяет вам еще более выгодно сотрудничать с нами. Воспользуйтесь онлайн калькулятором в разделе меню “Доставка”, чтобы узнать стоимость доставки до места назначения.
