Настоящий стандарт распространяется на плоские приварные заглушки с ребрами из углеродистой и низколегированной сталей для трубопроводов тепловых электростанций. Стандарт соответствует требованиям «Правил устройства и безопасной эксплуатации трубопроводов пара и горячей воды» РД 03-94, утвержденным Госгортехнадзором РФ [1].
Плоские приварные заглушки с ребрами предназначены для применения на трубопроводах, на которые распространяются РД 03-94. Допускается применение плоских приварных заглушек с ребрами по настоящему стандарту для изготовления трубопроводов по СНиП 3.05.05-84, утвержденным Госстроем СССР
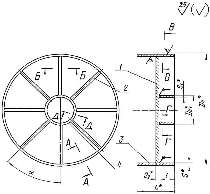
Чертеж заглушки плоской с ребрами ОСТ 34-10-759-97
.jpg)
Обозначение заглушки приварной с ребрами |
Давление МПа (кгс/с м²)2) |
DУ |
DН |
DН1 |
S |
Масса, кг |
| Заглушка ОСТ 34.10.759-97 | Ру4,0 (40) | 300 | 325 | 89 | 8 | 34,8 |
| Заглушка ОСТ 34.10.759-97 | 350 | 377 | 9 | 50,2 | ||
| Заглушка ОСТ 34.10.759-97 | 400 | 426 | 61,5 | |||
| Заглушка ОСТ 34.10.759-97 | Ру2,5 (25) | 53,3 | ||||
| Заглушка ОСТ 34.10.759-97 | 500 | 530 | 159 | 8 | 75,5 | |
| Заглушка ОСТ 34.10.759-97 | Ру1,6 (16) | 75,9 | ||||
| Заглушка ОСТ 34.10.759-97 | Ру2,5 (25) | 600 | 530 | 12 | 133 | |
| Заглушка ОСТ 34.10.759-97 | Ру1,6 (16) | 8 | 104 | |||
| Заглушка ОСТ 34.10.759-97 | Ру1,0 (10) | 88,8 | ||||
| Заглушка ОСТ 34.10.759-97 | Ру2,5 (25) | 700 | 720 | 9 | 158,8 | |
| Заглушка ОСТ 34.10.759-97 | Ру1,6 (16) | 145 | ||||
| Заглушка ОСТ 34.10.759-97 | Ру1,0 (10) | 219 | 120 | |||
| Заглушка ОСТ 34.10.759-97 | Ру0,6 (6) | 800 | 820 | 11 | 100 | |
| Заглушка ОСТ 34.10.759-97 | Ру2,5 (25) | 249 | ||||
| Заглушка ОСТ 34.10.759-97 | Ру1,60 (16,0) | 9 | 196 | |||
| Заглушка ОСТ 34.10.759-97 | Ру1,00 (10,0) | 159 | ||||
| Заглушка ОСТ 34.10.759-97 | Ру0,60 (6,0) | 138,5 | ||||
| Заглушка ОСТ 34.10.759-97 | Ру2,50 (25,0) | 1000 | 1020 | 14 | 455 | |
| Заглушка ОСТ 34.10.759-97 | Ру1,60 (16,0) | 10 | 343 | |||
| Заглушка ОСТ 34.10.759-97 | Ру0,6 (6) и 0,4 (4) | 250,6 | ||||
| Заглушка ОСТ 34.10.759-97 | Ру1,60 (16,0) | 1200 | 1220 | 273 | 11 | 544 |
| Заглушка ОСТ 34.10.759-97 | Ру1,00 (10,0) | 449 | ||||
| Заглушка ОСТ 34.10.759-97 | Ру0,60 (6,0) | 381,9 | ||||
| Заглушка ОСТ 34.10.759-97 | Ру0,40 (4,0) | 330 | ||||
| Заглушка ОСТ 34.10.759-97 | Ру0,25 (2,5) | 275,5 | ||||
| Заглушка ОСТ 34.10.759-97 | Ру1,00 (10,0) | 1400 | 1420 | 14 | 715 | |
| Заглушка ОСТ 34.10.759-97 | Ру0,60 (6,0) | 596,5 | ||||
| Заглушка ОСТ 34.10.759-97 | Ру0,40 (4,0) | 518 | ||||
| Заглушка ОСТ 34.10.759-97 | Ру0,25 (2,5) | 446 | ||||
| Заглушка ОСТ 34.10.759-97 | Ру1,00 (10,0) | 1600 | 1620 | 741,68 | ||
| Заглушка ОСТ 34.10.759-97 | Ру0,60 (6,0) | 690,46 | ||||
| Заглушка ОСТ 34.10.759-97 | Ру0,40 (4,0) | 483,24 | ||||
| Заглушка ОСТ 34.10.759-97 | Ру0,25 (2,5) | 383,24 | ||||
| Заглушка ОСТ 34.10.759-97 | Рраб 2,1 (21,0) t=415 0С | 500 | 530 | 159 | 8 | 179,82 |
| Заглушка ОСТ 34.10.759-97 | 700 | 720 | 11 | 126,74 | ||
| Заглушка ОСТ 34.10.759-97 | 800 | 820 | 219 | 195,61 |
Завод «Северозапад» осуществляет доставку продукции по всей России. Мы предоставляем:
- Широкий ассортимент продукции;
- Производство только из сырья высокого качества;
- Доставка в заранее установленные сроки;
- Сохранность целостности изделий при перевозке;
- Профессионально налаженная логистика;
- Доставка как на склад, так и на объект покупателя;
- Доставляем изделия любых габаритов и формы.
Для постоянных клиентов у нас разработана система скидок, которая позволяет вам еще более выгодно сотрудничать с нами. Воспользуйтесь онлайн калькулятором в разделе меню “Доставка”, чтобы узнать стоимость доставки до места назначения.