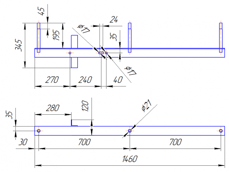
Траверса ТМ-2 служит для выполнения крепления неизолированных проводов к стойкам в случае проведения ЛЭП 10 кВ в ненаселенной местности. Производят траверсы ТМ-2 из высококачественной углеродистой стали по типовому проекту 3.407.1-143.8.2. В качестве антикоррозийного покрытия используют покрытие битумным лаком БТ-577.

Штыри, расположенные на траверсе ТМ-2, служат для присоединения изоляторов штыревого типа: ШФ-10Г, ШС-10Д и ШФ20-В. Для крепления изоляторов следует применять колпачки (К-6, КП-22, К-9, К-7). Крепление провода к изоляторам осуществляется спиральной или проволочной вязками.
| ПОЗИЦИЯ | НАИМЕНОВАНИЕ ДЕТАЛИ | КОЛИЧЕСТВО | Номер чертежа типового проекта | Габаритные размеры готовой конструкции, мм | МАССА, КГ | Цена, руб |
| 1 | Уголок 70х70х5 | 1 |
3.407.1-143.8.2
|
140 × 1460 × 1500
|
10,9
|
1070
|
| 2 | Уголок 50х50х5 | 1 | ||||
| 3 | Штырь Ш-20-2-К-30 | 3 |
Завод «Северозапад» осуществляет доставку продукции по всей России. Мы предоставляем:
- Широкий ассортимент продукции;
- Производство только из сырья высокого качества;
- Доставка в заранее установленные сроки;
- Сохранность целостности изделий при перевозке;
- Профессионально налаженная логистика;
- Доставка как на склад, так и на объект покупателя;
- Доставляем изделия любых габаритов и формы.
Для постоянных клиентов у нас разработана система скидок, которая позволяет вам еще более выгодно сотрудничать с нами. Воспользуйтесь онлайн калькулятором в разделе меню “Доставка”, чтобы узнать стоимость доставки до места назначения.