Характеристика и составляющие
Траверса ТМ-63 — это специализированное оборудование, используемое в строительстве и энергетике для крепления и поддержки проводов на опорах линий электропередач. Изделие представляет собой металлическую конструкцию, которая обеспечивает надежное и безопасное крепление проводов, не позволяя им повреждаться, соприкасаться или провисать.
Большую популярность использования траверс ТМ-63 можно объяснить тем, что они устанавливаются на линии электропередач с номинальной мощностью 10 кВ, которые наиболее распространены на территории страны.
Все конструктивные элементы траверсы ТМ-63 (круги и уголки) производятся из качественной углеродистой стали, устойчивой к негативному воздействию температур в широком диапазоне (от +40 до -40 °С) и погодных факторов, что делает изделие надежным крепежом для проводов в условиях открытого пространства.
Технические характеристики траверсы ТМ-63:
— Из чего произведена: углеродистая сталь.
— Масса: 22,3 кг.
— Оптимальное напряжение ЛЭП – 10 кВ.
— Температура эксплуатации: широкий температурный диапазон от +40 до -40 °С.
— Наличие антикоррозийного покрытия: покрыта битумным составом БТ-577.
Углеродистая сталь, используемая для производства траверс ТМ-63, является одним из самых прочных и надежных материалов. А антикоррозийное битумное покрытие не только полностью защищает изделие от негативного влияния факторов внешней среды, но и придает ему завершенный аккуратный внешний вид, а также продлевает сроки эксплуатации.
Траверсу монтируют на опоры ЛЭП при помощи особых хомутов. Каждый из хомутов предназначается для использования на определенных стойках. Так, например, модель Х-1 подходит для крепления траверс к стойкам СВ105, тогда как хомуты Х-42 предназначаются для монтажа изделий на стойках модели СВ110.
Если вам необходима поставка дополнительных хомутов для определенного типа ЛЭП, оставьте заказ на нашем сайте.
Спецификация изделия
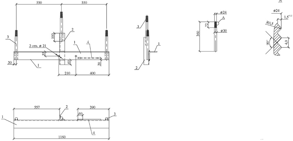
В качестве составляющих элементов траверсы ТМ-63, произведенной по проекту под номером 27.0002-28, используются:
— 2 стальных уголка размерами: 100×100×8 мм (L=1160) и 63х63х5 мм (L=385). Уголки произведены в соответствии с требованиями ГОСТ 8509-93.
— 4 круга: 3 круга 30 (L=360), 1 круг 10 (L=250). Круги изготовлены в соответствии с требованиями ГОСТ 2590-88.
Общий размер конструкции составляет 163×645×1160 мм
Траверсы ТМ-63 производятся в соответствии с типовым проектом 27.0002-28 При установке опор высоковольтных воздушных ЛЭП номинальным напряжением 10 кВ траверса ТМ-63 используется для крепления проводов линии. Производство траверсы ТМ-63 осуществляется из углеродистой стали, которая отличается высокой прочностью и надежностью. Для придания траверсе антикоррозионной стойкости она покрывается лаком на битумной основе типа БТ-577.
Чертеж

| ПОЗИЦИЯ | НАИМЕНОВАНИЕ ДЕТАЛИ | КОЛИЧЕСТВО | Номер чертежа типового проекта | Габаритные размеры готовой конструкции, мм | МАССА, КГ | Цена, руб |
| 1 | Уголок 100х100х8 | 1 |
27.0002-28
|
163 × 645 × 1160
|
22,3
|
2181
|
| 2 | Уголок 63х63х5 | 1 | ||||
| 3 | Круг 30 | 3 | ||||
| 3 | Круг 10 | 1 |
Завод «Северозапад» осуществляет доставку продукции по всей России. Мы предоставляем:
- Широкий ассортимент продукции;
- Производство только из сырья высокого качества;
- Доставка в заранее установленные сроки;
- Сохранность целостности изделий при перевозке;
- Профессионально налаженная логистика;
- Доставка как на склад, так и на объект покупателя;
- Доставляем изделия любых габаритов и формы.
Для постоянных клиентов у нас разработана система скидок, которая позволяет вам еще более выгодно сотрудничать с нами. Воспользуйтесь онлайн калькулятором в разделе меню “Доставка”, чтобы узнать стоимость доставки до места назначения.