Завод металлоконструкций «Северо-Запад» предлагает услуги изготовления траверс ТМ-68 на выгодных условиях. Изделие производится в соответствии с типовым проектом 27.0002-33. Материал – углеродистая сталь, внешнее покрытие – лаковый состав ВТ-577 (антикоррозийные свойства).
Сфера применения траверс ТМ-68 – крепление проводов на стойках типа СВ-105 и СВ-110 при установке высоковольтных опор. Изделие используется на объектах, где монтируются промежуточные опоры ЛЭП 10 кВ.
Крепеж траверсы ТМ-68 к стойке СВ-105 – хомут Х-1, к стойке СВ-110 – хомут Х-42 (изготовление по дополнительному заказу).
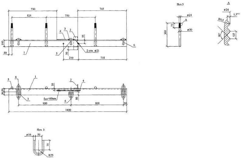
Чертеж

В комплект изделия входят:
- Круги 10 – 1 штука.
- Круги 16 – 5 штук.
- Круги 30 – 3 штуки.
- Уголки 63х63х5 – 1 штука.
- Уголки 100х100х8 – 1 штука.
- Серьга С7-16 – 5 штук.
| ПОЗИЦИЯ | НАИМЕНОВАНИЕ ДЕТАЛИ | КОЛИЧЕСТВО | Номер чертежа типового проекта | МАССА, КГ |
| 1 | Круг 10 | 1 |
27.0002-33
|
33,0
|
| 2 | Круг 16 | 5 | ||
| 3 | Круг 30 | 3 | ||
| 4 | Уголки 63х63х5 | 1 | ||
| 5 | Уголки 100х100х8 | 1 | ||
| 6 | Серьга С7-16 | 5 |
Завод «Северозапад» осуществляет доставку продукции по всей России. Мы предоставляем:
- Широкий ассортимент продукции;
- Производство только из сырья высокого качества;
- Доставка в заранее установленные сроки;
- Сохранность целостности изделий при перевозке;
- Профессионально налаженная логистика;
- Доставка как на склад, так и на объект покупателя;
- Доставляем изделия любых габаритов и формы.
Для постоянных клиентов у нас разработана система скидок, которая позволяет вам еще более выгодно сотрудничать с нами. Воспользуйтесь онлайн калькулятором в разделе меню “Доставка”, чтобы узнать стоимость доставки до места назначения.