Геодезический знак, укрепляемый на фундаменте, колонне, стене, перекрытиях и т.п., меняющий свое высотное положение вследствие осадки фундамента здания. Осадочная марка служит для установки или подвески невелирных реек и определения отметок одних и тех же конструкций в каждом цикле измерения осадки.
Деформационные марки для определения вертикальных перемещений устанавливаются в нижней части несущих конструкций по всему периметру здания (сооружения), внутри его, в том числе на углах, на стыках строительных блоков, по обе стороны осадочного или температурного шва, в местах примыкания продольных и поперечных стен, на поперечных стенах в местах пересечения их продольной осью, на несущих колоннах, вокруг зон с большими динамическими нагрузками, на участках, с неблагоприятными геологическими условиями;
Конкретное расположение деформационных марок на зданиях и сооружениях, а также конструкции марок должна определять организация, выполняющая измерения, по согласованию с проектной, строительной или эксплуатирующей организацией, учитывая конструктивные особенности (форму, размеры, жесткость) фундамента здания или сооружения, статические и динамические нагрузки на отдельные их части, ожидаемую величину осадки и ее неравномерность, инженерно-геологические и гидрогеологические условия строительной площадки, особенности эксплуатации здания или сооружения, обеспечение наиболее благоприятных условий производства работ по измерению перемещений.
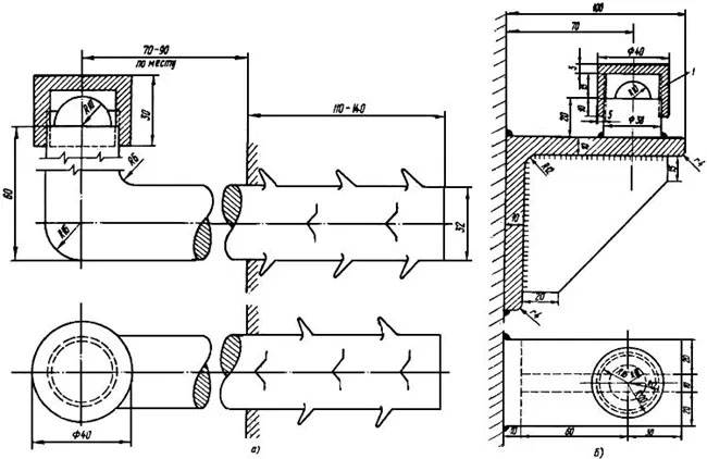
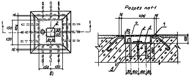
Чертеж конструкции деформационных марок


- 1 - тип "а" для кирпичных стен и железобетонных конструкций, материал - Ст 3; б - тип "б" для металлических колонн, материал - Ст 3 прокатная равнобокая (ГОСТ 8509-93 [2]); в - тип "в" - для фундаментов турбоагрегатов и гидротехнических сооружений; 1 - защитный колпак (крышка) осадочной марки;
- 2 - нивелирная марка (нержавеющая сталь);
- 3 - металлический короб;
- 4 - пластина для гидроуровня (нержавеющая сталь); 5 - штыри (Ст 3)
Завод «Северозапад» осуществляет доставку продукции по всей России. Мы предоставляем:
- Широкий ассортимент продукции;
- Производство только из сырья высокого качества;
- Доставка в заранее установленные сроки;
- Сохранность целостности изделий при перевозке;
- Профессионально налаженная логистика;
- Доставка как на склад, так и на объект покупателя;
- Доставляем изделия любых габаритов и формы.
Для постоянных клиентов у нас разработана система скидок, которая позволяет вам еще более выгодно сотрудничать с нами. Воспользуйтесь онлайн калькулятором в разделе меню “Доставка”, чтобы узнать стоимость доставки до места назначения.