image/svg+xml
Продукция и цены
Металлоконструкции
Анкерные системы
Закладные детали
Сальники для труб
Технологические металлоконструкции
Металлоконструкции для энергетики
Нестандартные металлоконструкции
Детали трубопроводов
Емкостное оборудование
Компенсаторы и клапаны
Металлообработка
Монтаж металлоконструкций
Главная
О компании
Противодействие коррупции
Представительства
СМИ о нас
Блог
Партнеры
Карьера
Производственные мощности
Сертификаты и лицензии
География поставок
Социальная ответственность
Охрана окружающей среды
Доставка
Габариты и размеры паллетов
Габариты и размеры контейнеров
Габариты машин
Габариты вагонов РЖД
Калькулятор доставки грузов
Наши проекты
Видео
Фото
Референс-лист
Техотдел
Образцы чертежей
Калькуляторы
Паспорта на станки
Документы по сварке
Технологические карты
Книги по металлообработке
Журналы по охране труда
Документы
Контакты
8 800 201 62 06
8 800 201 62 06
+7 (812) 715-78-77
+7 (812) 715-38-88
Заказать звонок
Задать вопрос
Войти
Ваш город
Санкт-Петербург
Архангельск
Астрахань
Владивосток
Волгоград
Екатеринбург
Иркутск
Калининград
Красноярск
Махачкала
Москва
Мурманск
Новороссийск
Ростов-на-Дону
Санкт-Петербург
sale@zavodsz.ru
Ленинградская область, Тосненский район, поселок Федоровское, улица Малая д.15
  • Вконтакте
  • YouTube
  • Яндекс.Дзен
image/svg+xml
Ваш город
Санкт-Петербург
Архангельск
Астрахань
Владивосток
Волгоград
Екатеринбург
Иркутск
Калининград
Красноярск
Махачкала
Москва
Мурманск
Новороссийск
Ростов-на-Дону
Санкт-Петербург
Войти
8 800 201 62 06
8 800 201 62 06
+7 (812) 715-78-77
+7 (812) 715-38-88
Главная
  • О компании
  • Противодействие коррупции
  • Представительства
  • СМИ о нас
  • Блог
  • Партнеры
  • Карьера
  • Производственные мощности
  • Сертификаты и лицензии
  • География поставок
  • Социальная ответственность
  • Охрана окружающей среды
Продукция и цены
  • Металлоконструкции
    • Строительные металлоконструкции
    • Мачты осветительные
    • Быстровозводимые здания
    • Прожекторные мачты и молниеотводы
    • Мачты сотовой связи
    • Дымовые трубы
    • Металлические фермы
    • Металлические арки
    • Металлические рамы для дорожного строительства
    • Опоры дорожных знаков
    • Эстакады для трубопроводов и кабелей
    • Фундаменты
    • Изделия из нержавейки любой сложности
    • Лестницы и площадки
    • Металлические ограждения и заборы
    • Трубошпунт
    • Подкрановые балки
    • Мостовые конструкции
    • Геодезические знаки
    • Забивные стальные сваи
    • Противопожарные двери
    • Ковши для элеваторов
    • Швартовые тумбы
    • Металлоконструкции для РЖД
    • Швартовно-причальное оборудование для портов
    • Судовое оборудование
    • Металлические понтоны
    • Цепи конвейерные
    • Металлоконструкции кранов
    • Навигационные знаки
    • Дорожные металлоконструкции
    • Изготовление металлических каркасов
    • Металлические дорожные ограждения
    • Металлические прогоны
    • Животноводческие комплексы
    • Винтовые сваи
    • Стропильные фермы
    • Модульные здания
    • Строительство коровников на основе металлоконструкций
    • Изготовление металлоконструкций по чертежам заказчика
    • Вышки пожарные лафетные
    • Вышки тура строительные
    • Лотки кабельные
    • Уголки стальные равнополочные
    • Швеллер стальной
    • Уголок гнутый
    • Металлические трубы ВГП
    • Трубы электросварные
    • Труба профильная стальная
    • Звездочки конвейерные
    • Траверсы грузоподъемные
    • Изготовление металлических деталей
  • Анкерные системы
    • Фундаментные болты
    • Анкерные блоки
    • Анкера грунтовые
    • Анкерные тяги
    • Т-болты
    • Нестандартные анкера
    • ГОСТ 5151-79 барабан втулки шпилька
    • Гайки больших размеров
    • Анкерные тяги по ТУ
    • Футеровочный болт (бронеболт)
    • Болт фундаментный DIN
    • Анкерные болты АБ для скального грунта серия 3.407-123 вып.3
    • Анкерные плиты
    • Болты анкерные с кольцом
    • Крепеж железнодорожный
    • Шпильки для железобетонной тюбинговой обделки
    • Шпильки фланцевые
  • Закладные детали
    • Фундаментные блоки опор освещения
    • Рымы
    • Сваи по серии 3.407.9-158
    • Стакан под крышный вентилятор
    • Комплектующие для деревянных барабанов ГОСТ 5151-79
    • Закладные детали по серии 1.400.2-25-93
    • Закладные детали по серии 3.505.1-15
    • Закладные детали по серии 3.504-14
    • Закладные детали по чертежам
    • Закладные детали по серии 1.400.15
    • Закладные детали по серии 1.400-6/76
    • Закладные детали по серии 3.400-6/76
    • Изделия из арматуры
    • Зажимы для натяжения арматуры
    • Ванночки для сварки
    • Зажимы для арматуры Гост 23117-91
    • Арматурные сварные сетки и каркасы
    • Анкера под георешетку
    • Отбойные устройства причальных сооружений
    • Крановый крепеж
    • Крепёж путей перекатки трансформаторов
    • Термостыки
    • Тупиковые упоры
    • Пучинные карточки
    • Патрубки ребристые
    • Закладные под вент фасад
    • Монтажные комплекты
    • Герметизирующие устройства и компенсация вводов
    • Деформационные швы
    • Закладные детали для ЖБИ
    • Стальные вставки Серия 3.901-1.85 выпуск 1
    • Стальные вставки для соединения ж/б труб
    • Закладные для скального грунта серия 3.407-123
    • Блок фундаментных болтов серия 1.411.1-6
    • Несъемная опалубка
    • Закладные плиты под оборудование
    • Плиты закладные
    • Закладные детали для фундамента
    • Закладные детали по серии ЗД
  • Сальники для труб
    • Сальники набивные по серии 5.900-2
    • Сальники набивные серии 3.901-5
    • Сальники нажимные по серии 5.900.3
    • Сальники набивные СН
    • Сальники Серия 5.905-26.08
    • Сальники серия 5.905-26-04
    • Сальники Серия 3.903 КЛ-13
    • Сальники ГОСТ 4860.2-83
    • Сальники Типовой проект ВС-02-10
    • Сальники для прохода трубопроводов
    • Сальники нажимные по серии 03.005-5
  • Технологические металлоконструкции
    • Газоходы
    • Циклоны ЦН-15
    • Циклоны
    • Пылеуловители (циклоны)
    • Конвейерные ролики, роликоопоры
    • Градирни
    • Дымоходы из нержавеющей стали
    • Трубы дымохода печи
    • Дымоходы стальные
    • Валы
  • Металлоконструкции для энергетики
    • Металлические опоры ВЛ и ЛЭП
    • Порталы ОРУ
    • Мет конструкции для ЛЭП и ВЛ
    • Металлические стойки опор контактной сети
    • Ригели жестких поперечин
    • Опоры освещения трубчатые
    • Стальные опоры из гнутого профиля
    • Траверсы для ЛЭП
    • Унифицированные конструкции свайных фундаментов для стальных опор ВЛ. Серия 3.407.9-146
    • Опоры освещения
    • Кронштейны опор освещения
    • Заземлители
    • Гасители вибрации ГВН и ГПГ
    • А-образная монтажная падающая стрела
    • Шарниры для установки стальных опор ВЛ
    • Элементы наружного освещения ТПР 320-062 альбом 1
    • Ростверк металлический
    • Кронштейн контактной сети
    • Установка конструкций для прокладки кабелей Серия 5.407-88
  • Нестандартные металлоконструкции
    • Металлоконструкции из профильной трубы
    • Металлоконструкции и металлоизделия из нержавеющей стали
    • Светопрозрачные металлоконструкции
    • Рекламные металлоконструкции
    • Приспособление для испытания лестниц
    • Технологические тележки
    • Формы для ЖБИ
    • Металлоконструкции шахт лифта
    • Кнехты сварные
    • Аэродромные плиты металлические PSP
    • К-1Д. Сборное покрытие для ВПП аэродромов
    • Строительная тара
    • Изделия из нержавейки
    • Радиационно-защитное оборудование
    • Стальные люки приборов КИП
    • Ставни стальные герметические
    • Радиационно-защитные двери
    • Контейнеры
    • Поковки
    • Бункеры челюстные
    • Металлические поддоны, паллеты
    • Пандус для коляски
    • Пожарные ящики для песка
    • Стальные и железобетонные контрольные груза для кранов
    • Контрольные груза для вышек и подъемников
    • Тарельчатые пружины
    • Металлические кронштейны
  • Детали трубопроводов
    • Заглушки трубопроводов
    • Заглушки поворотные
    • Нестандартные фланцы
    • Фланцы нержавеющие
    • Подвески трубопроводов
    • Блоки пружинные
    • Реперы
    • Ковера газовые
    • Отводы сварные секторные
    • Точеные детали
    • Опоры трубопроводов
    • Колонка управления задвижкой
    • Кожух защитный
    • Компенсаторы сальниковые
    • Штуцеры
    • Щитовые затворы
    • Фильтры СДЖ
    • Металлические уплотнения
    • Грязевики
    • Переходы
    • Тройники сварные
    • Проставки монтажные
    • Гидроэлеватор серии ГЭ
    • Оголовки скважин Серия 7.901-7 выпуск 1
    • Конструкции ввода коммуникаций в убежищах ГО Серия 03.005-5
    • ОСТ 34 10.747-97 Переходы стальные листовые
    • Указатель температурных перемещений паропроводов
    • Переходник-адаптер ОСТ-26-07-763-73
    • Оголовки скважин Серия 7.901-7 выпуск 0
  • Емкостное оборудование
    • Резервуары вертикальные стальные
    • Резервуары горизонтальные
    • Емкости по Гостам
    • Аварийные емкости
    • Силосы
    • Силосы для цемента
    • Подземные дренажные емкости
    • Резервуары металлические для воды
    • Аппараты с перемешивающими устройствами
    • Пожарные резервуары
    • Люки
    • Емкости для хранения пенообразователя
    • Бак аккумуляторный (накопительный)
    • Емкости для канализации
    • Металлические кессоны
    • Емкости из нержавеющей стали
    • Жидкостные сетчатые фильтры
    • Резервуары для хранения нефти и нефтепродуктов
    • Бадьи для бетона
    • Обечайки
    • Емкости для воды
    • Емкости с мешалкой
    • Лестницы для резервуаров
  • Компенсаторы и клапаны
    • Металлические связи колонн и ферм
  • Металлообработка
    • Токарные работы по металлу
    • Токарные работы на ЧПУ
    • Фрезерные работы
    • Токарно-карусельные работы
    • Токарно-фрезерные работы
    • Строгальные работы
    • Резка металла на ленточнопильном станке
    • Расточные работы
    • Рубка на гильотине
    • Газовая резка металла
    • Гибка металла
    • Вальцовка металла
    • Гибка арматуры
    • Шлифовка
    • Полировка
    • Горячее цинкование
    • Резка металла по размерам заказчика
    • Гибка алюминиевого листа
    • Нарезка резьбы
    • Сварка металла
    • Сверление по металлу
    • Термообработка
    • Электроэрозия
  • Монтаж металлоконструкций
Доставка
  • Габариты и размеры паллетов
  • Габариты и размеры контейнеров
  • Габариты машин
  • Габариты вагонов РЖД
  • Калькулятор доставки грузов
Наши проекты
  • Видео
  • Фото
  • Референс-лист
Техотдел
  • Образцы чертежей
  • Калькуляторы
  • Паспорта на станки
  • Документы по сварке
  • Технологические карты
  • Книги по металлообработке
  • Журналы по охране труда
  • Документы
Контакты
+  ЕЩЕ
    image/svg+xml
    Телефоны
    8 800 201 62 06
    +7 (812) 715-78-77
    +7 (812) 715-38-88
    • Главная
      • Назад
      • Главная
      • О компании
      • Противодействие коррупции
      • Представительства
      • СМИ о нас
      • Блог
      • Партнеры
      • Карьера
      • Производственные мощности
      • Сертификаты и лицензии
      • География поставок
      • Социальная ответственность
      • Охрана окружающей среды
    • Продукция и цены
      • Назад
      • Продукция и цены
      • Металлоконструкции
      • Анкерные системы
      • Закладные детали
      • Сальники для труб
      • Технологические металлоконструкции
      • Металлоконструкции для энергетики
      • Нестандартные металлоконструкции
      • Детали трубопроводов
      • Емкостное оборудование
      • Компенсаторы и клапаны
      • Металлообработка
      • Монтаж металлоконструкций
    • Доставка
      • Назад
      • Доставка
      • Габариты и размеры паллетов
      • Габариты и размеры контейнеров
      • Габариты машин
      • Габариты вагонов РЖД
      • Калькулятор доставки грузов
    • Наши проекты
      • Назад
      • Наши проекты
      • Видео
      • Фото
      • Референс-лист
    • Техотдел
      • Назад
      • Техотдел
      • Образцы чертежей
      • Калькуляторы
      • Паспорта на станки
      • Документы по сварке
      • Технологические карты
      • Книги по металлообработке
      • Журналы по охране труда
      • Документы
    • Контакты
    • Санкт-Петербург
      • Назад
      • Города
      • Архангельск
      • Астрахань
      • Владивосток
      • Волгоград
      • Екатеринбург
      • Иркутск
      • Калининград
      • Красноярск
      • Махачкала
      • Москва
      • Мурманск
      • Новороссийск
      • Ростов-на-Дону
      • Санкт-Петербург
    • Личный кабинет
    • 8 800 201 62 06
      • Назад
      • Телефоны
      • 8 800 201 62 06
      • +7 (812) 715-78-77
      • +7 (812) 715-38-88
    Контактная информация
    Ленинградская область, Тосненский район, поселок Федоровское, улица Малая д.15
    sale@zavodsz.ru
    • Вконтакте
    • YouTube
    • Яндекс.Дзен
    Главная
    —
    Каталог
    —
    Закладные детали
    МеталлоконструкцииАнкерные системыСальники для трубТехнологические металлоконструкцииМеталлоконструкции для энергетикиНестандартные металлоконструкцииДетали трубопроводовЕмкостное оборудованиеКомпенсаторы и клапанаМеталлообработкаМонтаж металлоконструкций
    —
    Закладные детали по серии 1.400-6/76
    Фундаментные блоки опор освещенияРымыСваи по серии 3.407.9-158Стакан под крышный вентиляторКомплектующие для деревянных барабанов ГОСТ 5151-79Закладные детали по серии 1.400.2-25-93Закладные детали по серии 3.505.1-15Закладные детали по серии 3.504-14Закладные детали по чертежамЗакладные детали по серии 1.400.15Закладные детали по серии 3.400-6/76Изделия из арматурыЗажимы для натяжения арматурыВанночки для сваркиЗажимы для арматуры Гост 23117-91Арматурные сварные сетки и каркасыАнкера под георешеткуОтбойные устройства причальных сооруженийКрановый крепежКрепёж путей перекатки трансформаторовТермостыкиТупиковые упорыПучинные карточкиПатрубки ребристыеЗакладные под вент фасадМонтажные комплектыГерметизирующие устройства и компенсация вводовДеформационные швыЗакладные детали для ЖБИСтальные вставки Серия 3.901-1.85 выпуск 1Стальные вставки для соединения ж/б трубЗакладные для скального грунта серия 3.407-123Блок фундаментных болтов серия 1.411.1-6Несъемная опалубкаЗакладные плиты под оборудованиеПлиты закладныеЗакладные детали для фундаментаЗакладные детали по серии ЗД
    —Изделие серии М3-12...3-14-1,3-19,3-21

    Изделие серии М3-12...3-14-1,3-19,3-21

    Изделие серии М3-12...3-14-1,3-19,3-21
    от
    1 030 руб./шт
    Варианты цен
    1 030 руб./шт
    Подробности
    Заказать
    Наши менеджеры обязательно свяжутся с вами и уточнят условия заказа
    • Описание
    • Доставка

    Наша компания производит унифицированные закладные детали по серии 1.400-6-76, предназначенные для сборных  железобетонных конструкций. Данная серия (выпуск 1) закладных деталей является откорректированной серией 1.400.6. (выпуск 1), что было вызвано необходимостью соответствия выпускаемой продукции требованиям современных технологий.

    Чертеж изделия М3-12...М3-14,М3-14-1,М3-19

    Чертеж изделия М3-12...М3-14,М3-14-1,М3-19

    Изделие М3-16, М3-21

    Изделие М3-16, М3-21

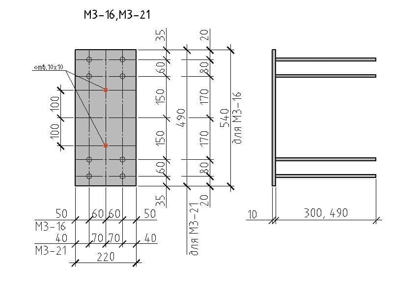
    Чертеж изделия М3-16,М3-21

    Чертеж изделия М3-16,М3-21

    Размеры изделий закладных М3-12- М-14.1; М3-16, М3-19; М3-21

    Марка изделия № поз. Сечение Длина, мм Масса, кг
      156  -230х12 250  
    М3-12 308 ᴓ16А III 830 13,3
             
      153  -270х12 270  
    М3-13 317 ᴓ18A III 830 16,9
             
    M3-14 152  -270х12 300  
    M3-14-1 292 ᴓ14A III 560 11,7
             
      120  -220x10    
    M3-16 264 ᴓ12A III    11,5
             
      150  -300x12 310  
    M3-19 295 ᴓ14A III 830 14,8
             
      121  -220x10 490  
    M3-21 270 ᴓ12A III 490 12,1
             

    На сегодняшний день унифицированные закладные детали по серии 1.400-6-76, выпускаемые нашей компанией,полностью соответствуют всем нормативно-техническим требованиям и мы готовы изготовить вам их в количестве и в сроки в соответствии с вашим заказом.

    Мы внедряем лучшие современные технологии для всеобъемлющего удовлетворения Ваших идей и проектов, и в дальнейшем будем прилагать все усилия по их совершенствованию!


    Завод «Северозапад» осуществляет доставку продукции по всей России. Мы предоставляем:

    • Широкий ассортимент продукции;
    • Производство только из сырья высокого качества;
    • Доставка в заранее установленные сроки;
    • Сохранность целостности изделий при перевозке;
    • Профессионально налаженная логистика;
    • Доставка как на склад, так и на объект покупателя;
    • Доставляем изделия любых габаритов и формы.

    Для постоянных клиентов у нас разработана система скидок, которая позволяет вам еще более выгодно сотрудничать с нами. Воспользуйтесь онлайн калькулятором в разделе меню “Доставка”, чтобы узнать стоимость доставки до места назначения.

    Вам также может понравиться

    Нужна консультация?

    Наши специалисты ответят на любой интересующий вопрос
    Задать вопрос
    Главная
    Видео
    Цены
    Доставка
    Фотогалерея
    Техотдел
    Контакты
    Услуги
    Изготовление металлоконструкций
    Технологические металлоконструкции
    Нестандартные металлоконструкции
    Металлообработка
    Анкерные системы
    Фундаментные болты
    Металлические фермы
    Лестницы и ограждения
    Закладные детали
    Емкостное оборудование
    Сальники для труб
    Сальники набивные
    Металлоконструкции для энергетики
    Траверсы
    Компенсаторы и клапаны
    Детали трубопроводов
    Контакты
    8 800 201 62 06
    8 800 201 62 06
    +7 (812) 715-78-77
    +7 (812) 715-38-88
    sale@zavodsz.ru
    Ленинградская область, Тосненский район, поселок Федоровское, улица Малая д.15
    Обращаем ваше внимание на то, что данный Интернет-сайт, носит исключительно информационный характер и ни при каких условиях не является публичной офертой, определяемой положениями Статьи 437 Гражданского кодекса Российской Федерации. Для получения подробной информации о стоимости продукции, пожалуйста, обращайтесь к менеджерам по продажам.
    • Вконтакте
    • YouTube
    • Яндекс.Дзен
    2025 © Общество с ограниченной ответственностью "Завод металлических конструкций"
    ООО «ЗМК»
    ИНН 7810734669
    ОГРН 1187847200507
    Политика конфиденциальности
    Правила использования материалов сайта
    Согласие на обработку персональных данных
    Политика использования Cookies