Наша компания производит унифицированные закладные детали по серии 1.400-6-76, предназначенные для сборных железобетонных конструкций.
Данная серия (выпуск 1) закладных деталей является откорректированной серией 1.400.6. (выпуск 1), что было вызвано необходимостью соответствия выпускаемой продукции требованиям современных технологий.
Чертеж изделия закладного М8-10
 .jpg) 
	
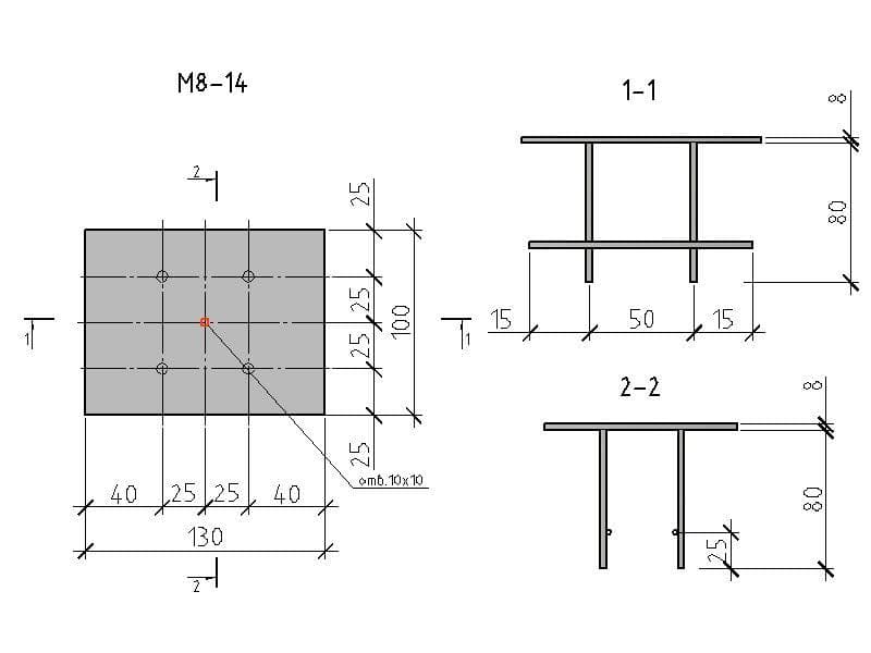
Изделие закладное М8-14
  
	
Чертеж изделия закладного М8-14
 .jpg) 
	
| Марка изделия | № позиции | Сечение | Длина,мм | Масса , кг | 
| М8-14 | 73 | -120x8 | 180 | 2,9 | 
| 242 | Ø10AIII | 250 | ||
| 343 | Ø12AIII | 450 | ||
| М8-10 | 81 | -100x8 | 130 | 1,1 | 
| 232 | Ø10AIII | 80 | 
На сегодняшний день унифицированные закладные детали по серии 1.400-6-76, выпускаемые нашей компанией,полностью соответствуют всем нормативно-техническим требованиям и мы готовы изготовить вам их в количестве и в сроки в соответствии с вашим заказом.
Мы внедряем лучшие современные технологии для всеобъемлющего удовлетворения Ваших идей и проектов, и в дальнейшем будем прилагать все усилия по их совершенствованию!
Завод «Северозапад» осуществляет доставку продукции по всей России. Мы предоставляем:
- Широкий ассортимент продукции;
- Производство только из сырья высокого качества;
- Доставка в заранее установленные сроки;
- Сохранность целостности изделий при перевозке;
- Профессионально налаженная логистика;
- Доставка как на склад, так и на объект покупателя;
- Доставляем изделия любых габаритов и формы.
Для постоянных клиентов у нас разработана система скидок, которая позволяет вам еще более выгодно сотрудничать с нами. Воспользуйтесь онлайн калькулятором в разделе меню “Доставка”, чтобы узнать стоимость доставки до места назначения.
