Данный вид деталей изготавливается путем вытачивания тройника из стальной заготовки механическим способом.
Существуют равнопроходные и переходные тройники, позволяющие соединять трубы разного диаметра.
Тройники точеные – гарантия прочности при разветвлении потоков!
Завод "Северозапад" изготавливает несколько видов тройников, самыми прочными из которых являются точеные.
Прочность бесшовных точеных тройников от завода «Северозапад» широко известна. Использование наших фитингов при разветвлении трубопроводов – гарантия качества и долговечности!
Ассортимент тройников, изготовленных точением на нашем заводе металлоконструкций, гарантировано удовлетворит потребности предприятий самой разной отраслевой принадлежности в этом виде фитингов.
Мы разрабатываем, производим и реализуем тройники для разветвления трубопроводов выполненные в соответствии с требованиями отечественных и зарубежных стандартов качества:
- прямые – прочное соединение равных по диаметру труб;
- переходные – надежно скрепляют трубы различных диаметров.
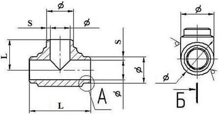
Равнопроходный точеный тройник
  
Чертеж равнопроходного точеного тройника
  
Успешный и многолетний опыт реализации соединительных элементов выражен в создании такого каталога продукции, в котором самые требовательные клиенты с легкостью найдут тройники необходимых размеров и соответствующих эксплуатационных свойств.
Если же для полноценной и незамедлительной реализации нестандартных задач вам понадобятся точеные тройники, выполненные по индивидуальным чертежам, наши конструкторы без всяких проволочек выполнят необходимые расчеты и ваши детали уйдут на производство.
Помимо тройников наш завод предлагает следующие точеные детали:
Точеный переходной тройник
  
Чертеж переходного тройника
  
Профессионалы выбирают продукцию завода «Северозапад»!
Использование современного оборудования является залогом прочности наших тройников, ставших синонимом качества в нефтегазовой, строительной, химической и многих других отраслях. Привлекательные и гибкие цены являются основой неизменной финансовой привлекательности для наших клиентов.
Завод «Северозапад» осуществляет доставку продукции по всей России. Мы предоставляем:
- Широкий ассортимент продукции;
- Производство только из сырья высокого качества;
- Доставка в заранее установленные сроки;
- Сохранность целостности изделий при перевозке;
- Профессионально налаженная логистика;
- Доставка как на склад, так и на объект покупателя;
- Доставляем изделия любых габаритов и формы.
Для постоянных клиентов у нас разработана система скидок, которая позволяет вам еще более выгодно сотрудничать с нами. Воспользуйтесь онлайн калькулятором в разделе меню “Доставка”, чтобы узнать стоимость доставки до места назначения.
